互感器的特性试验方法与电力变压器的基本相同。
电压互感器一次绕组线径较细,易发生断线、短路或匝间击穿等故障,二次绕组因导线较粗很少发生这种情况,因而交接、大修时应测量电压互感器一次绕组的直流电阻。各种类型的电压互感器一次绕组的直流电阻均在几百欧至几千欧之间,一般采用ZC-205A直流电阻测试仪进行测量,测量结果应与制造厂或以前测得的数据无明显变化。
有时为了判断电流互感器一次绕组接头有无接触不良等现象,需要采用压降法和ZC-205A直流电阻测试仪等测量一次绕组的直流电阻;有时为了判别套管型电流互感器分接头的位置,也使用变压器直流电阻测试仪测量绕组的直流电阻。
电流互感器和电压互感器的极性很重要,极性判断错误会使计量仪表指示错误,更为严重的是使带有方向性的继电保护误动作。互感器一、二次绕组间均为减极性。极性试验方法与电力变压器相同,一般采用直流法,也可采用我公司生产的CTP-1000B变频式互感器测试仪测量。试验时注意电源应加在互感器一次测;测量仪表接在互感器二次侧。
《规程》规定要检查互感器各分接头的变比,并要求与铭牌相比没有显著差别。
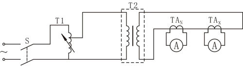
检查电流互感器的变比,采用与标注电流互感器相比较的方法。其试验接线如图1-1所示。

试验时,将被试电流互感器与标准电流互感器一次测串联,二次侧各接一只0.5级电流表,用调压器和升流器供给一次侧一合适电流,当电流升至互感器的额定电流值时(或在30%~70%额定电流范围内多选几点),同时记录两只电流表的读数,则被试电流互感器的实际变比为:
K=KNIN/I
变比误差为
△K=[(K-KxN)/KxN]×100%
以上式中 KN、IN——标准电流互感器的变比和二次电流值;
K、I——被试电流互感器的变比和二次电流值;
KxN——被试电流互感器的额定变比。
试验时应注意,应将非被试电流互感器二次绕组短路,严防开路;应尽量选择使标准电流互感器与被试电流互感器变比相同,如果变比正确的话,其二次绕组电流表读数也应相同。
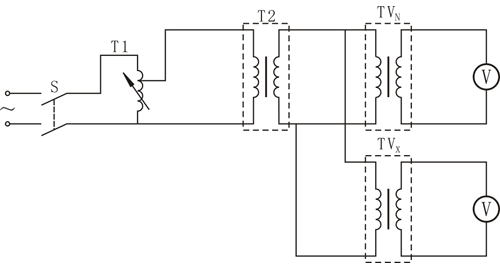
对于变比在变比电桥测量范围内的电压互感器,可直接采用CTP-1000B变频式互感器测试仪或ZC-203B全自动变比测试仪测量其变比。对于变比较大的电压互感器,检查其变比可采用双电压表法或采用图1-2所示用与标准电压互感器相比较的方法。用图1-2所示方法对电压互感器进行变比测量时,应注意一般通过调压器和试验变压器向高压侧施加电压,在二次侧测量。

互感器的励磁特性是指互感器一次侧绕组开路。二次侧励磁电流与所加电压的关系曲线,实际上就是铁芯的磁化曲线。互感器励磁特性试验的主要目的是检查互感器的铁芯质量,通过鉴别磁化曲线的饱和程度,以判断互感器的绕组有无匝间短路等缺陷。鉴于系统中经常发生铁芯谐振过电压和电压互感器质量不良等情况,所以要求进行电压互感器的空载励磁特性试验。
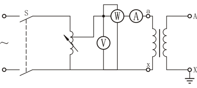
试验接线如图1-3所示。试验前,应将电流互感器二次绕组引线和接地线均拆除,试验时,一次测开路,从二次侧施加电压,为了读数方便,可预先选取几个电流点,逐点读取相应电压值。通入的电流或电压以不超过制造厂技术条件的规定为准。当电流增大而电压变化不大时,说明铁芯已饱和,应停止试验。试验后,根据试验数据绘出伏安特性曲线。

电流海关其的伏安特性试验,只对继电保护有要求的二次绕组进行。实测的伏安特性曲线与过去或出厂的伏安特性曲线比较,电压不应有显著降低。若有显著降低,应检查是否存在二次绕组的匝间短路。
电压互感器空载励磁特性试验接线如图1-4所示。现场试验时,电压互感器高压侧开路,低压侧通以额定电压,读取其空载电流及空载损耗。

电压互感器的空载励磁特性试验可与工频感应耐压试验一起进行。试验时,在电压升至额定电压过程中先读取几组空载损耗与空载电流值,电压升至0.3倍额定电压并耐受40s后,再降至额定电压及以下,重新读取几组空载损耗和空载电流值。
实测的励磁特性曲线或额定电压时的空载电流值与过去或同类型电压互感器的特性相比较,应无明显的差异。在进行1.3倍额定电压下的感应耐压试验时,其耐压前后的空载电流、空载损耗也不应有明显差异,否则应查明原因。
一般情况下,励磁曲线测量点为额定电压的20%、50%、80%、100%和120%。对于中性点直接接地的电压互感器(N端接地),电压等级35kV及以下电压等级的电压互感器最高测量点为190%;电压等级66kV及以上的电压互感器最高测量点为150%。《规程》规定:在额定电压下,空载电流与出厂数值比较应无明显差别;中性点非有效接地系统的电压互感器,在1.9UN/√3电压时的空载电流不应大于最大允许电流;中性点接地系统的电压互感器,在1.5UN/√3电压下的空载电流不应大于最大允许电流。
CTP-1000B变频式互感器测试仪是在传统基于调压器、升压器、升流器的ZZFA-IV互感器伏安特性测试仪基础上,广泛听取用户意见、经过大量的市场调研、深入进行理论研究之后研发的新一代革新型CT、PT测试仪器。装置采用高性能DSP和FPGA、先进的制造工艺,保证了产品性能稳定可靠、功能完备、自动化程度高、测试效率高、在国内处于领先水平,是电力行业用于互感器的专业测试仪器。
3.1 CTP-1000B变频式互感器综合测试仪产品特性:
(1) 功能全面,既满足各类CT(如:保护类、计量类、TP类)的励磁特性(即伏安特性)、变比、极性、二次绕组电阻、二次负荷、比差以及角差等测试要求,又可用于各类PT电磁单元的励磁特性、变比、极性、二次绕组电阻、比差等测试。
(2) 现场检定电流互感器无需标准电流互感器、升流器、负载箱、调压控制箱以及大电流导线,使用极为简单的测试接线和操作实现电流互感器的检定,极大的降低了工作强度和提高了工作效率,方便现场开展互感器现场检定工作。
(3) 可精确测量变比差与角差,比差最大允许误差±0.1%,角差最大允许误差±5min,能够进行0.2S级电流互感器的现场测试,变比测量范围为1~40000。
(4) 基于先进的变频法测试CT/PT伏安特性曲线和10%误差曲线输出最大仅180V的交流电压和12Arms(36A峰值)的交流电流,却能应对拐点高达60KV的CT测试。
(5) 自动给出拐点电压/电流、10%(5%)误差曲线、准确限值系数(ALF)、仪表保安系数(FS)、二次时间常数(Ts)、剩磁系数(Kr)、饱和及不饱和电感等CT、PT参数。
(6) 测试满足GB1208(IEC60044-1)、GB16847(IEC60044-6) 、GB1207等各类互感器标准,并依照互感器类型和级别自动选择何种标准进行测试。
(7) 测试简单方便,一键完成CT直阻、励磁、变比和极性测试,而且除了负荷测试外,CT其他各项测试都是采用同一种接线方式。
(8) 全中文动态图形界面,无需参考说明书即可完成接线、设置参数:动态显示参数设置,根据当前所选的试验项目自动显示其相关参数;动态显示帮助接线图,根据当前所选试验项目,显示对应的接线图。
(9) 5.7寸图形透反式LCD,阳光下清晰可视。
(10) 采用旋转光电鼠标操作,操作简单,快捷方便,极易掌握。
(11) 面板自带打印机,可自动打印生成的试验报告。
(12) 装置可存储1000组测试数据,掉电不丢失。
(13) 易于携带,装置重量<9Kg。
3.2 CTP-1000B变频式互感器测试仪技术参数:
| 规格型号 | CTP-1000B | |
| 测试用途 |
CT:励磁特性、变比、极性、二次绕组电阻、二次负荷、通流、比差以及角差等测试要求; PT:励磁特性、变比、极性、二次绕组电阻等测试要求。 |
|
| 工作电源 | 输入电压 | 185Vac~250Vac |
| 允许输入电压 | 85Vac~264Vac | |
| 频 率 | 50/60Hz | |
| 允许频率 | 45Hz~65Hz | |
| 输入功率 | 800VA | |
| 接 头 | 标准交流插口60320 | |
|
CT变比 准确度 |
变比1~2000 | 0.05%(典型值)/0.1%(保证值) |
| 变比2000~5000 | 0.07%(典型值)/0.2%(保证值) | |
| 变比5000~35000 | 0.1%(典型值)/0.5%(保证值) | |
|
PT变比 准确度 |
变比1~2000 | 0.05%(典型值)/0.1%(保证值) |
| 变比2000~5000 | 0.07%(典型值)/0.2%(保证值) | |
| 变比5000~35000 | 0.1%(典型值)/0.5%(保证值) | |
| 相位测量 | 分 辨 率 | 0.01min |
| 准 确 度 | 2min(典型值)/5min(保证值) | |
|
二次绕组 电阻测量 |
范 围 | 0~300Ω |
| 分 辨 率 | 1mΩ | |
| 准 确 度 | 0.1%(典型值)/0.2%±2mΩ(保证值) | |
|
交流负载 测量 |
范 围 | 0VA~1000VA |
| 分 辨 率 | 0.01VA | |
| 准 确 度 | 0.1%(典型值)/0.2%±0.02VA(保证值) | |
| 输 出 | 输出电压 | 0Vac~180Vac |
| 输出电流 | 0Aeff~12Aeff(36Apeak) | |
| 输出功率 | 0VAeff~800VAeff(1800VApeak) | |
| 环境条件 | 运行温度 | -10℃~+50℃ |
| 存储温度 | -25℃~+70℃ | |
| 相对湿度 | 5%~95%,不结露 | |
| 物理特性 | 尺 寸 | 360×285×145mm3 |
| 重 量 | ≈8kg(不包括附件) | |
| 升 流 器 | 测试用途 | 通流测试 |
| 输 入 | 0~120Vac | |
| 电流输出 | 0~180A;精度:<0.2% | |
| 工作环境 | 温度:-10℃~50℃;湿度:≤90% | |
| 尺 寸 | 200×150×170mm3 | |
| 重 量 | ≈5kg | |