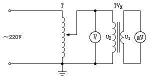
电压法丈量电流互感器变比的方法适合现场试验,其长处是设备少,线路简朴,易操纵。试验接线图如图1-1所示。

电压表V监测被测电流互感器二次电压,毫伏表mV监测被测电流互感器一次侧电压,此方法类似于丈量铁芯感应电势的方法。其向量图如图1-2所示。

由相量图得:漏阻抗压降Us﹦I0(R﹢jX)
二次外加电压:U
感应电势:E1﹦4.44fN1Fm
E2﹦4.44fN2Fm
理想电流互感器的变比:K﹦N2/N1﹦E2/E1,而实际丈量变比:K实﹦U2/U1﹦E2/U1,由上式可见,理想电流互感器变比与实际变比之间的误差,近似地以为U2﹦E2的结果。实际上,如图1-2所示,因为角差很小,可以以为U2与线段OC在长度上是相等的。即U2﹦E2﹢USsinβ,因此U2与E 2之间有一个差值:USsinβ﹦I0(R﹢jX)sinβ,因为电流互感器的二次绕组的电阻和漏抗都比较小,只要控制励磁电流I0在一个合适的范围(mA级),则U2与E2之间的差值带来的误差就可以忽略不计,用电压法来丈量电流互感器变比,就可以得到较高的精度。
由以上理论分析可知,为了验证该方法的准确性与精确度,对多台不同型号,不同变比的电流互感器做了变比试验。下面摘录几组试验结果,第一组75/5A支持式复匝电流互感器,第二组800/5穿墙式电流互感器,第三组3000/5母线式电流互感器。分三组表格记实以上三组电流互感器的试验结果,由表1-1、表1-2、表1-3可见,用电压法丈量电流互感器的变比是完全可行的,具有一定的精度。变比误差是因为丈量仪表读数误差引起的。电压法丈量电流互感器变比具有以下长处:
可以丈量任意型号任何变比的电流互感器,合用范围广;
控制适当时,误差比较小;
所用的试验设备少,操纵简朴,更适合于施工现场使用;
被测电流互感器即使二次开路也不会对人和设备有危险。
综上所述,用电压法丈量电流互感器变比是一种简朴、实用有效的试验方法,很值得推广。
| 次数 | 二次侧施加电压/V | 一次侧测量电压/mV | 计算变比 | 变比误差/% |
| 1 | 1 | 66.8 | 74.8/5 | -0.27 |
| 2 | 2 | 133.3 | 75/5 | 0 |
| 3 | 3 | 201 | 74.6/5 | -0.5 |
| 4 | 4 | 267 | 74.9/5 | -0.13 |
| 5 | 5 | 334 | 74.85/5 | -0.2 |
| 次数 | 二次侧施加电压/V | 一次侧测量电压/mV | 计算变比 | 变比误差/% |
| 1 | 5 | 31.3 | 799/5 | -0.125 |
| 2 | 8 | 50 | 800/5 | 0 |
| 3 | 12 | 75.1 | 799/5 | -0125 |
| 4 | 15 | 94 | 798/5 | -0.25 |
| 5 | 20 | 125.2 | 799/5 | -0.125 |
| 次数 | 二次侧施加电压/V | 一次侧测量电压/mV | 计算变比 | 变比误差/% |
| 1 | 1.5 | 2.5 | 3000/5 | 0 |
| 2 | 3 | 5 | 3000/5 | 0 |
| 3 | 10 | 16.7 | 2994/5 | -0.2 |
| 4 | 30 | 50.1 | 2994/5 | -0.2 |
| 5 | 50 | 83.4 | 2998/5 | -0.07 |