测量定子绕组的绝缘电阻是检查发电机绝缘状态最简单也是最基本的方法。在现场普遍使用ZC-430A绝缘电阻测试仪,对水内冷发电机还需采用专门的绝缘电阻测试仪,如ZC-402B水内冷发电机绝缘电阻测试仪等。
(1)选择ZC-430A绝缘电阻测试仪。按照DL/T 596-2005《电力设备预防性试验规程》,以下简称《预规》规定:额定电压1000V以上者,用ZC-430A绝缘电阻测试仪,量程一般不低于10000MΩ,对水内冷发电机用专用绝缘电阻测试仪。
(2)检查ZC-430A绝缘电阻测试仪。先将ZC-430A绝缘电阻测试仪的接线端子间开路,转动表到额定转速(约120/min)指针应为“∞”,然后将线路和地端子短路,转动表,指针应为“0”;如指示不对,应更换或修理。
(3)对被试发电机断电和放电。对被试发电机应确认已断电,然后进行充分放电,由于发电机电容量较大,至少应放电5分钟,放电时应用绝缘工具,不得用手碰触放电导线。
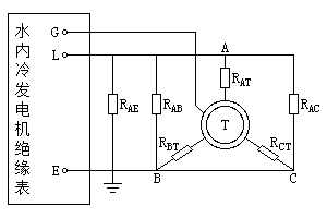
(4)接线。将对地端子“E”接到发电机的接地端,如机壳铁芯等(如图1-1所示),将线路端子“L”接到发电机出线端,发电机定子各相绕组应首尾短接,非被试相应短路接地。对水内冷发电机,将汇水管和屏蔽端子“G"相连接(如图1-1及图1-2所示)。


(5)测绝缘电阻、吸收比及极化指数。驱动绝缘电阻测试仪到额定转速,或接通绝缘电阻测试仪电源,待指针稳定后(或60s后),读取绝缘电阻值。
测吸收比和极化指数时,在绝缘电阻测试仪停转状态,将表的“E”端接到发电机接地端,“L”端接到出线端,分别读15s及60s(或lmin及10min)时的绝缘电阻。
(6)读完绝缘电阻后,先断开接到发电机出线端的连接线,然后再停止摇转,以免在测量时充人发电机电容的电荷经绝缘电阻测试仪放电而损坏绝缘电阻测试仪。
(7)对发电机充分放电,应大于5min,分相测量时每一绕组都应为5min以上。
(8)记录。测量时应记录发电机型号,编号,铭牌规范,运行位置,发电机和现场温度,现场湿度,气象情况,试验日期及使用仪表型号等。
(9)在测量时的温度不同情况下对绝缘电阻应进行温度换算。换算公式如下
Rc=KTRT (1-1)
KT=0.5(40-T)/10
式中 Rc一一修正到40℃的绝缘电阻,MΩ;
KT一一温度修正系数;
RT一一测量的绝缘电阻。
(10)在进行对比时,应使用同一温度和同一电压、型号的绝缘电阻测试仪。
某电厂一台汽轮发电机,型号为QFSN-200-2,额定功率为200MW,定子绕组水内冷。在预试中发现三相绝缘电阻不平衡:A相为750MΩ;B相为50MΩ;C相为750MΩ。按照《预规》规定,各相或各分支绝缘电阻的差值不应大于最小值的100%。现为(750-50)/50=14倍,明显的不合格,然后做直流耐压试验,在直流电压加到10kV时,发电机汽侧上部定子下层线棒有火花,立即停止试验。经解体检查发现相邻5根线棒有一道长约150mm、深7mm、宽5mm的硬伤。决定更换新线棒。经处理后测绝缘电阻为:A相750MΩ;B相1000MΩ,C相1000MΩ,互差1000-750/750=0.33,合格。
某电厂的300MW发电机由于其定子由海上运输,加上当地天气潮湿,相对湿度大,用ZC-402B水内冷发电机绝缘电阻测试仪测得A、B、C三相绕组对地绝缘在200~350MΩ之间,怀疑定子绕组受潮,决定通60~80℃内冷水循环。在各加热状态下测得的各汇流管对地绝缘电阻见表1-1。为了测冷态下的定子绕组绝缘电阻,向发电机内冲入除湿后的常温压缩空气,打开汇流管的排污门,排除部分热水,在水箱内不断补充室温的合格水,测得各相定子绕组绝缘电阻,见表1-2。
|
水温 (℃) |
小汇流管绝缘电阻 (KΩ) |
汽侧汇流管总绝缘电阻 (KΩ) |
励侧汇流管绝缘电阻 (KΩ) |
水温 (℃) |
小汇流管绝缘电阻 (KΩ) |
汽侧汇流管总绝缘电阻 (KΩ) |
励侧汇流管绝缘电阻 (KΩ) |
|
| 38 | 190 | 20 | 40 | 71 | 30 | 8 | 5 | |
| 66 | 45 | 12 | 7 | 74 | 28 | 7 | 4.5 | |
| 68 | 39 | 10 | 7 |
|
水温 (℃) |
小汇流管绝缘电阻 (KΩ) |
汽、励端汇流管总绝缘电阻 (KΩ) |
汽、励侧及小汇流管总绝缘电阻 (KΩ) |
A相绝缘电阻 (MΩ) |
B相绝缘电阻 (MΩ) |
C相绝缘电阻 (MΩ) |
| 37 | 690 | 72 | 65 | 750/1000 | 700/1000 | 600/1000 |
| 34 | 720 | 77 | 70 | 700/1200 | 800/1200 | 900/1250 |
注:各相绝缘电阻值为15”/60”时值。
必须注意,在通循环热水处理定子绝缘时,一定要将发电机定子密封,用大功率(如1440W)抽湿机抽湿,否则,虽然绝缘电阻达到要求,但绕组的直流泄漏电流会很大,而且不平衡。
在《预规》中水内冷定子绕组的绝缘电阻为自行规定。该台发电机按制造厂家规定为:定子内冷水路通合格水(20℃时导电率为0.5μS/cm;pH值为7~8;硬度>2μg/kg)时,各汇流管总的对地绝缘电阻应在20~30kΩ以上,温度在10~30℃吸收比(R60/R15)值应大于1.3,定子绕组各相绝缘电阻值(相间及对地)均不低于1000MΩ(1min值)。具备上述条件后才可进行耐电压试验。由表1-2可见,在水温为34和3 7℃下,绝缘电阻符合规定。
某厂一台125MW双水内冷发电机,型号为QFS-125-2,13.8kV,125MW。在小修做直流耐压试验时,在定子绕组通水情况下发电机绝缘电阻过低(A相20MΩ;B相1.5MΩ;C相1.2MΩ)当直流耐压加到5kV时A相泄漏电流已大于1500μA,C相大于300μA。将A、C相停止加压。B相5kV时泄漏电流为30μA,10kV 2min后为20μA,15kV时电源跳闸。
决定将定子绕组吹干水后再做直流耐压试验。吹气约40h后,用2500V绝缘电阻测试仪测绝缘电阻得,A相2000MΩ,B相OMΩ,C相2000MΩ,用M-14万用表测B相绝缘电阻为110kΩ。检查定子端部未见异常。决定采用对B相直流升压寻找故障点,升至4kV时,在汽侧槽口处有焦味和烟雾,停止升压。抽转子检查,发现汽侧第17槽上层线棒距槽口约10cm处有一道较细白色线条痕迹。为此,又对B相加压,当电压升至600V时,发现白色线条痕迹烧红并由线棒延伸至定子铁芯接地。原因是环氧浸透不够,并有气孔,运行中长期受油污侵蚀,导致该处绝缘薄弱。处理后再进行吹水试验,测得绝缘电阻:A相600MΩ,B相600MΩ,C相1000MΩ,做直流耐压试验合格。