泄漏电流试验的原理和绝缘电阻试验是一致的,但其所用的直流试验电压是由高压整流设备所供给的,电压比绝缘电阻测试仪高,且可以调节,这样绝缘本身的弱点就容易显示出来。同时,试验是用微安表来指示泄漏电流值,读数比兆欧表准确,在加压过程中可以随时监视微安表读数。因此,泄漏电流试验对于发掘绝缘缺陷比绝缘电阻试验更灵敏和有效。特别是对一些尚未贯通的集中性缺陷,通过直流耐压能够发现交流耐压时所不能发现的缺陷,尤其是发电机定子绕组端部的缺陷。泄漏电流试验属于非破坏性试验,而直流耐压试验属于破坏性试验。
在现场一般使用ZC-540直流高压发生器。它使用高压硅堆作为整流元件,电源使用工频电源,对串级整流装置也采用中频电源。由变压器、电容器、硅堆,保护电阻等元件组成半波、倍压、串级整流回路,其参数将根据被试设备的电压来选择。
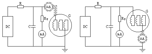
[1] 按图1-1所示进行接线,这两种接线主要差别是微安表的接线位置。一种是在高压侧,测量比较准确,但读数不方便,操作人员在试验中调整微安表量程时应采用安全措施,比较麻烦;另一种是在低压侧,读数方便。

DC一高压整流装置;R一保护电阻;C一滤波电容器;RV一高值电阻器;
mA一申联毫安表;μA一微安表
[2] 确定试验电压值。根据《预规》要求选择。
[3] 试验前,应检查被试发电机是否停电,接地放电,检查一切对外连线是否断开。
[4] 应在停机后清除污秽前热状态下进行。对备用的机组可在冷态下进行,氢冷的严禁在置换过程中进行,排氢后含氢量应小于3%。
[5] 在接线后,应由第二人复查无误。
[6] 升压时应缓慢,按《预规》要求,每级0.5UN分阶段升高,每阶段停留1min。
[7] 在升压过程中,应监视发电机、ZC-540直流高压发生器及微安表,一旦有异常现象应立即降压,断开电源,并查明原因。
[8] 降压、断电及放电。试验完成后,应迅速降压到零切断电源,进行充分放电(需5min以上),放电时,应通过适当的放电电阻(专用的放电棒)进行。
[9] 整理记录并绘制电流电压关系曲线。
[10] 对水内冷发电机采用低压屏蔽接线,如图1-2所示。

[11] 采用低压屏蔽法试验水内冷发电机定子绕组时,应注意以下几点。
(1)水质要求。在通水状态下试验时,水质应维持电导率≤2~5μS/cm,pH=7~8。
(2)为了防止微安表因受引水管水电阻小的影响而摆动可采用并联电容器(1~2μF)(电容器外壳要对地绝缘)或降低水电导率到5μS/cm以下(如2μS/cm)。
(3)测得的泄漏电流应按式(1-4)校正(考虑引水管对地绝缘电阻并联影响)
Ix=IA(1+RA/Rdx)-I0
(1- 4)
式中 IA一一微安表实测电流,μA;
RA一一微安表内阻,Ω;
Rdx一一微安表并联水电阻,Ω;
I0一一空载泄漏电流(即试验器电流),μA。
(4)通水加压前,调整电位器,即调节微安表内阻,使微安表指示零,以补偿引水管的极化电势使微安表偏转。
某厂一台汽轮发电机,TQ-25-2型,10.5kV,星形接线,54槽,在预试中发现定子线圈三相泄漏电流明显不平衡,三相绕组在2.5UN下泄漏电流为:IA=52μA,IB=270μA,IC=394μA;IC和IB已远大于IA,不合格。
采用一相加压,另两相经微安表接地测得结果如下:
(1)A相有18μA流经B相绕组,有1.3μA流经C相绕组入地。
(2)B相有13μA流经A相绕组,有200μA流经C相绕组入地。
(3)C相有0.8μA流经A相绕组,有190μA流经B相绕组入地。
可见,除BC两相绕组间存在泄漏电流通路外,C相还存在直接人地的通路。
进一步把三相分成六个分支,加2.5UN直流耐压。测得数据见表1-1。
| 泄露路径 | A1 | A2 | B1 | B2 | C1 | C2 |
| 总泄露电流 | 68 | 17 | 140 | 68 | 190 | 240 |
| 流经A1分支 | 8 | 1.5 | ||||
| 流经A2分支 | 0.2 | 1.5 | ||||
| 流经B1分支 | 11 | 156 | ||||
| 流经B2分支 | 34 | |||||
| 流经C1分支 | 2.3 | 126 | ||||
| 流经C2分支 | 32 | 22 |
由表1-1可见,B1分支有90%泄漏电流流经C1分支人地;C2分支有85%以上泄漏电流直接入地;A1分支与B2分支有较大泄漏电流经C2分支入地;A2分支基本正常。
从绕组展开图(如图1-3所示)可见,B1分支和C1分支所有线棒都不在同一槽内,故此两分支发生关系的部位是在端部交叉部分,包括鼻部、端部层间垫圈,绑环支架等。
图1-3 B1、C1分支展开图
于是,扒开B1、C1分支所有并接头绝缘,发现C1分支19、20号槽上层线棒励侧接头及B1分支18号槽上层线棒汽侧接头处绝缘已烧焦,有大块的锡疙瘩;B1分支37、38号槽下层线棒励侧线头,18号槽上层线棒及38、39号槽下层线棒汽侧线头的铜股线被打弯折叠,绝缘未包住。
接着将C2分支分解为C2a和C2b,分别测泄漏电流,测得数据见表1-2。
| 试验电压(kV) | 15 | 18 | 21 | 23 | 26.25 |
| C2a分支(μA) | 一 | 18 | 33 | 49 | 92 |
| C2b分支(μA) | 1.5 | 10.5 | 26 | 45 | 138 |
由表可见,这两部分都有对地捷径,检查发现48、49号槽上层线棒汽侧线头与端部层间绝缘垫之间有焊锡搭接,50号槽上层线棒的绑环支架扬角处已露铁。
检查A1、B2分支时,发现A1分支励磁侧30号槽下层线头对应的绑环支架垫块被包入并头套绝缘中。
总的检查发现B相缺陷16处,C相缺陷17处,C相最严重。经处理后再测泄漏电流值见表1-3,已完全正常。
| 试验电压(kV) | 5 | 10 | 15 | 20 | 26.2 |
| A-BCE | 6 | 12 | 19 | 29 | 39 |
| B-ACE | 6 | 13 | 19 | 28 | 39 |
| C-ABE | 6 | 12.5 | 19 | 27.5 | 39 |
某发电厂空冷发电机,TS845/159-40型,72MW,13.8kV。在大修前,在2.5UN下测A、B、C三相泄漏电流分别为65,6600,4000μA,计算互差,得
△I1=[(6600-65)/65] ×100%=10053.8%>100%
△I2=[(4000-65)/65] ×100%=6053.8%>100%
分析原因如下。
(1)该发电机曾在线棒端部表面不恰当地喷涂半导体漆层,降低了它的绝缘性能。
(2)B、C相绕组线棒端部锥体接缝处裂纹受潮,引起泄漏电流明显增加。
在大修中,对上述部位进行了处理后,三相泄漏电流基本平衡。
某发电厂汽轮发电机,QFN-100-2型,10.5kV,100MW。
在小修时按《预规》要求做2.OUN直流耐压,测得三相泄漏电流不平衡。C2分支在40s后,泄漏电流由20肚增至80A。在大修中进行分解试验,发现C2分支3号槽下层线棒泄漏电流为96μA,检查发现该线棒在励侧距槽口220mm处有豆粒大的一块修补充填物,附近绝缘已变色。5号槽下层线棒泄漏电流为26μA,检查发现线棒在励侧距槽口320mm处绝缘内嵌有一段长5mm,Φ1mm的磁性钢丝;4号槽上层线棒抬出后整体断裂,属于制造缺陷。在更换线棒后,三相泄漏电流平衡。
某台发电机,A相在2.0UN和2.5UN的电流阶段的泄漏电分别为50μA和75μA,计算得试验电压和泄漏电流的增长率为
△U=[(2.5-2)/2] ×100%=25%
△I=[(75-50)/50] ×100%=50%
可见,泄漏电流的增长率较试验电压的增长率大1倍,经检查发现其绝缘受潮。经处理后问题解决。