测量发电机定子绕组的直流电阻是检查发电机定子绕组导电回路的完好性的重要方法,导电回路的质量问题(如焊接缺陷,断股等)将引起局部过热而损坏绝缘。一般用压降法或ZC-205A直流电阻测试仪测量。
(1)在测试前对发电机定子绕组先对地放电。
(2)应分别测量每相(或分支)绕组的直流电阻,以便比较。
(3)在冷态下测量,绕组表面温度与周围空气温度之差不应大于±3℃。测温度时,应使用多支酒精温度计,分别放置于齿间槽楔上、通风孔里及绕组端部等处,取平均值。
(4)采用压降法时,通入绕组的电流不应大于额定电流的20%。
(5)应测量每相(或分支)引线的长度及截面,根据引线材料电阻率计算出引线电阻,在计算各相(或各分支)的直流电阻时,应扣除引线电阻,在校正了由于引线长度不同而引起的误差后再比较相互间差别及初次测量值。
(6)在用ZC-205A直流电阻测试仪测量时,必须将ZC-205A直流电阻测试仪的电流接线端(C1、C2)与电位接线端(P1、P2)分别连接到发电机定子绕组的首尾端。
(7)试验引线应尽可能的短而粗;并且与发电机定子绕组出线端有良好的接触。
(8)在比较时应换算到同一温度。按式(1-2)计算
R2=R1(T+t2)/(T+tl) (1-2)
式中 R2一一t2温度时的直流电阻;
R1一一t1温度时的直流电阻;
t一一铜的材料系数(T=235)。
有一台发电机,容量为7500kVA,双星形接线,共6个分支绕组,在表1-1中列出了环境温度为15℃时的实测电阻值,引线的长度和引线电阻及扣除引线电阻后的各分支绕组电阻。
电阻按式(1-3)计算
R=ρt L/S (1-3)
ρt=ρ0(235+t)/235
式中 L一一引线长度,m;
s一一引线截面,mm2;
ρ一一t温度下的电阻率;
ρ0一一铜在O℃时的电阻率(ρ0=0.01647Ω*mm2/mm)。
| 相 别 | 实测电阻(Ω) | 引线长度(m) | 引l线电阻(Ω) | 扫除引线电阻后的分支绕组电阻(Ω) |
| A1 | 0.004425 | 0.89 | 0.0000259 | 0.004399 |
| A2 | 0.004550 | 5.30 | 0.0001540 | 0.004396 |
| B1 | 0.004575 | 5.85 | 0.0001700 | 0.004405 |
| B2 | 0.004520 | 2.90 | 0.0000845 | 0.004435 |
| C1 | 0.004520 | 2.54 | 0.0000740 | 0.004446 |
| C2 | 0.004575 | 4.57 | 0.0001330 | 0.004442 |
从表1-1可知,相互间差别为(0.004446-0.004396)/0.004396×100%=1.13%小于《预规》要求的1.5%值(汽轮发电机)。
某台发电机型号为QF-12-2,容量12000kW,在出厂时三相直流电阻相差均在1.5%以内,1992年因B相直流电阻大而处理了不良接头。在一次出口短路后,测三相直流电阻RA=5984μA,RB=6131μA,RC=5964μA,△R=2.8%,为不合格,B相电阻最大。为此,用逐段分割法进行查找。
该发电机每相绕组有2个极相组,每个极相组有8个线圈,共16根线棒。用QF-44电桥先测B相直流电阻。用橡皮锤依次敲击B相绕组的鼻部接头和引出线及极相组连线接头,观察电桥指针的变化,未发现问题。将B相的两个极相组的连线的中间剥开绝缘(见图1-1中p点)测量极相组的直流电阻为:RB1=3034μΩ,RB2=3160μΩ,互差△R=4.1%,将V'2和V2的接头处绝缘剥开,发现V2处接头银焊料不满、V'2处接头并头套与铜连接板间银焊缝全长有裂纹,绝缘内层已黑。对缺陷进行处理后,B相电阻仍大于A、C相,对B相绕组所有引出线接头和极相组连线接头测接触电阻,均在10~16μΩ之间,相差不大。用电桥直接测两极相组两端,得RB1=2849μΩ,RB2=2962μΩ,△R=3.96%。将第二极相组8个线圈分为两部分(如图1-2所示),测得R'B2=1425μΩ,R”B2=2340μΩ。


由测量值可见,问题出在F-V2段,为了减少测量误差,对线棒端头的股线(共22股)用软铜线捆绑,并用铜板加螺栓夹紧。
接着做接头发热试验,(通人800A直流约2h15min)测鼻部绝缘表面温度,互差约4℃,不足以显示接头缺陷。

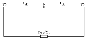
最后决定用针状细杆逐股测量,由RBl=2849μΩ可得,每股线电阻为r(8)=2849×22μΩ=62678μΩ。4个线圈串联时,r(4)=31339μΩ(每根股线),为简化步骤,从等值电路(如图1-3所示)上可计算得:
r(F-V2)=r(4)∥[(r(4)+r(8)/21]=16381.7μΩ,
若被测股线已断开,则[r(F-V2)]'=r(4)+r(8)/21=34323.6μΩ;若其他股线断开一根,则:
[r(F-V2)]1=r(4)∥[r(4)+r(8)/20]=16415.6μΩ,
断开股线的阻值比完好的要大。根据上述方法,最后查出断股的接头位于B相第二极相组的第6个线圈汽侧鼻部。该接头有1股导线已开焊,(约1mm宽的缝),经补焊后测得:
RA=5927μΩ,RB=5989μΩ,RC=5902μΩ,△R=1.47%
按《预规》要求应<1.5%,合格。
由上述可见,在发电机出口短路后应按《预规》检查直流电阻(发电机定子绕组)。寻找缺陷时。可采用逐段分割法进行,但应注意测量的正确性。