母线、引线或架空输电线的接头,应接有关规程进行连接。若在交接时或运行中需要进行质量检查时,应作交流或直流的接头电阻比试验。
测量电阻比通常采用交流或直流电压降法比较方便。
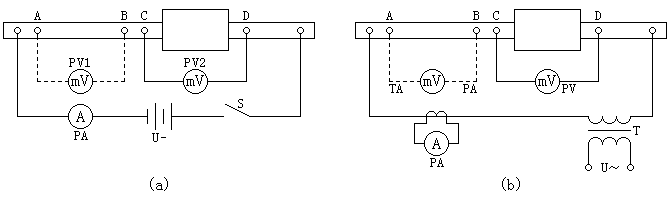
用直流法测量接头电阻比的试验接线如图1-1所示。

在导线上取AB的长度和接头CD的长度相等,所用表计应为0.5级。测量时为了防止毫伏表损坏,应先接通电流后再接入毫伏表。断电源时的顺序则相反。接线时,应使电流回路的连接线远离电压测量点,避免给测量电压造成误差。
测得的接头电阻值不应大于等长的导线电阻值,并要求档距内导线接头的机械强度应不小于导线抗拉强度的90%。
用交流法测量接头电阻比试验接线如图1-1(b)所示。
在变电所采用交流法测量接头电阻时,可用ZC-510大电流发生器作电源进行,其接线如图1-2所示。

ZC-510大电流发生器的输出电流约为0.6~1kA,电压为4~6V,容量为4~6kVA。对于容量较大的变电所,可采用输出电流为5~10kA,电压为6V,容量为30kVA(或更大容量)的大电流发生器。
试验时与接头连接的导线截面应足够,连接要牢固。通电流后先用温度计检查各接头的发热状态,选其温度较高者进行接头电阻测量。
用交流法测量接头电阻时,由于测量回路的电感和大电流发生器绕组磁场的影响,可能引起较大的误差,因此需提高整流型毫伏表测得的电压值,以减小测量误差。测量时,采用小截面的导线作电压引线比用大截面的导线误差小,这是因为小截面导线的电阻大,电抗分量的影响相对较小。
在交流下测量接头电压降的回路中,若测量引线围绕的面积(图1-2中的斜线部分)越大,则测量的接头电阻的误差也越大。为了减小其误差要尽量减小测量电压回路围绕的面积,应将电压的引线扭绕,并在接头两侧圆周的不同点进行测量(图1-2中用虚线部分表示),以便互相比较判断接头质量。