电力变压器的温升试验一般是在绝缘电阻、损耗、电压比和直流电阻等试验之后,按铭牌数据或有关规定进行。温升试验的目的就是要确定变压器各部件的温升是否符合有关标准规定的要求,从而为变压器长期安全运行提欧可靠依据。
下面为大家介绍几种变压器温升试验常见的试验方法。
变压器的温升试验采用直接负载法时,在被试变压器的二次侧接以适当负载(如电炉、水阻、电感或电容器等),在一次侧施加额定电压,然后调节负载,使负载电流等于额定电流,其接线如图1-1所示。

当周围的气温为20±5℃,或冷却水人口温度为20~25℃时,允许以额定电流为试验条件,而不再加以校正。此时施加在一次侧的电压必须等于所在分接头的额定电压,偏差应不超过±2%。
直接负载法的试验工况与运行条件一致,其测量结果准确,可靠,有条件时应尽量采用这种方法。但因该试验所需的电源容量要大于被试品的容量,并且不易找到适当的负载,故较适用于小容量变压器及干式变压器的温升试验,现场试验时可选用下列几种方法。
根据负载的大小,设计容积不同的水池,在池中悬挂可以调节距离的极板,通过调节极间距离以调节负载,必要时水中可加些盐。用这种方法对变流变压器连同整流器一起的 “整机”进行温升试验是很好的。
移圈调压器只要改变其使用方法和接线,它就能变成一个无级变阻的可变电抗器,这是一个理想的负载。下面就以单相移圈词压器为例说明其使用方法。用移圈调压器做可变电抗器的原理接线图见图1-2。

图1-2中,在试品的负载侧与移圈调压器的二次侧相连接,当动圈上下移动时,它的阻抗就相应地变化,成为一个可变电抗器。
当三相移圈调压器作为单相负载时,可根据负载的电压和电流,适当地选用两相并联和三相并联的接法。当然,三单元组成的单相移圈调压器也可以改做三相使用。
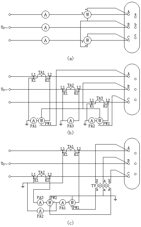
当被试品容量较大时,采用水阻作试验就比较困难,因而用循环电流法进行温升试验较为简单,其辅助设备少,被试变压器与运行工矿相同,但需要一台与被试变压器相同容量的辅助变压器。
采用循环电流法进行变压器的温升试验时,其接线如图1-3所示。

试验时,将两台具有相同变比和接线组别的变压器(TX和T)各同名线端并联,调节一台或两台变压器高压侧的分接开关,使分接头的电压差等于在试验电流下两台变压器阻抗电压之和。如两台变压器的阻抗电压各为5%,或为4.5%和5.5%,则分接头电压差应为10%。
试验时对被试变压器TX和辅助变压器T的一次施加额定电压,在二次未连接前,用电压表检测AA'、BB'和CC'间的电压差。若接线正确,则差值应等于分接头的电压差;反之,约等于TX(T)的二次线电压。验证接线正确后断开电源,接好二次连线。然后,在被试变压器一次施加额定电压,并测量试验时的循环电流,其值应等于或接近额定电流。进行温升试验所需电源容量可按下式估算,即
ST≥(I01%+Uk1%)Sn+(I02%+Uk2%)S
式中
ST——试验电源的容量(kVA);
I01%——被试变压器空载电流的百分数;
Uk1%——被试变压器阻抗电压的百分数;
Sn——被试变压器的额定容量(kVA)
I02%——辅助变压器在试验电压下空载电流的百分数;
Uk2%——辅助变压器在试验电流下阻抗电压的百分数;
S——辅助变压器的额定容量(kVA)。
计算时,要使被试变压器处于正分接档忙,辅助变压器调为负分接档位。在按图1-3接线试验时,输入变压器的U3~为额定电压时,当电源一合闸,变压器就处于满载状态。
当分接档位选择不合适时,变压器就可能过负载。因此,试验时好用一台三相调压器进行零升压,使被试变压器的电流从零逐步升到额定电流。调压器所选择的容量也就是试验电源的容量。
当被试变压器位于发电厂时,则可用发电机开机进行试验,调节发电机励磁,使被试变压器满载,并达到额定电流。这种方法适用于高压大容量的变压器在现场做试验。
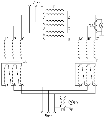
采用相互负载法进行变压器的温升试验时,其接线如图1-4所示。

此时需要三台变压器和两个试验电源,并将被试变压器TX与供给空载损耗的辅助变压器T同一侧的各同名端并联。由电源U3~供给额定频率的额定电压,使在被试变压器中产生额定电压下的空载损耗;调节U'3~,使被试变压器内产生额定电流下的短路损耗。
辅助变压器的电压和接线组别应与被试变压器相同,其容量大于或等于被试变压器的容量,一般采用同规格产品。供给短路损耗的变压器T,其电流应大于或等于被试变压器的额定电流,其电压要大于或等于被试变压器与辅助变压器阻抗电压之和。
试验时,在TX和T'的高压侧未连接前,先加上等于被试变压器额定电压的电源U3~,用电压表测量AA'、BB'和CC'间的电压。当接线正确时,其指示值应接近于零。反之,则约
等于TX (T') 的二次线电压,这说明两台变压器(TX和T')的相位不对。当接线正确时,断开电源U3~,方可接通TX和T'的二次,此时,若将U3~接入,二次仍没有电流,被试变压器处于空载状态。然后将U'3~从零增加,使T的二次产生循环电流,并调节U'3~使被试变压器达到额定电流。这样,电压和电流都满足了试验的要求。
相互负载法的试验条件与被试变压器的运行工况相一致,所提供的数据准确可靠,并且试验电源的容量大为减小(当略去T的损耗时),可由下式估算,即
ST≥(I01%+I02%)Sn+(Uk1%+Uk2%)Sn
式中
ST——试验电源的容量(kVA)
I01%、 I02%——被试变压器和辅助变压器空载电流的百分数;
Uk1%、Uk2%——被试变压器和辅助变压器短路电压的百分数;
Sn——被试变压器的额定容量(kVA)。
当以不同的三相电源U3'-和U3-供电而不能同步时,应使二者的频率差不大于2~4Hz.以消除表计的摆动。
相互负载法所用的短路损耗辅助变压器T的二次,必须具备6个高压出线套管。试验时被试变压器与辅助变压器之间必须间隔一定的距离,以避免热辐射的影响,造成试验误差。
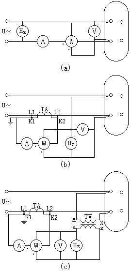
采用短路法做温升试验的接线如图1-5所示,可按下列步骤进行试验。

(1) 确定被试变压器上层油温升。调节外加电压,使加入被试变压器的功率等于空载损耗和短路损耗的总和,造成与运行工况等效的损耗后再进行试验。施加等效损耗的电流按下式计算。
IT≈√(Pk85+P0)/Pk85×In%
式中
IT——等效损耗的试验电流(A);
Pk85——被试变压器85℃时额定电流下的短路损耗(kW);
P0——被试变压器额定电压下的空载损耗(kW);
In%——被试变压器的额定电流(A)。
对被试变压器加入等效损耗的试验电流IT后,应定时测量变压器上层油温、散热器(或箱壁)上、中、下及冷油器(对强油循环变压器)的进出口油温和冷却水温。直到温度稳定后,测量各部位和环境温度,计算出上层油温升。
(2) 确定绕组温升。降低电压,使输入被试变压器的功率等于短路损耗,定时测量与(1)项相同的各部位的温度,直到测得各部位的稳定温度后,计算出绕组温升。
(3) 确定铁芯温升。将被试变压器的短路线拆除,按图1-6、图1-7接线,进行额定频率和额定电压下的空载温升试验。


测量的温度也同(1)项,直到温度稳定后,测量铁芯和环境的温度,计算出铁芯温升。试验时施加的电压和额定电压之差应不超过±2%。
对于容量较大的变压器,在进行(1)项试验后,应将被试变压器带上与等效负荷相等的实际负荷,测量上层油温,并与等效负荷时测量的上层油温进行比较,以确定其运行限额温度。然后,切除电源,测量绕组的直流电阻,换算出平均温度,确定绕组的平均温升。