氧化锌避雷器是电力系统的重要保护设备,被称为电力系统的“保护神”。由于氧化锌避雷器长期在运行电压和过电压作用下,保护神也有健康欠佳的时候,因此,定期对氧化锌避雷器进行绝缘电阻及泄露电流测试,对保护氧化锌避雷器,延长使用寿命很有必要。
1.掌握测量绝缘电阻及吸收比的原理和操作方法;
2.掌握测量泄漏电流的原理及操作方法;
3.分析设备绝缘状况。
1.用ZC-430A绝缘电阻测试仪(兆欧表)测量试品(三相电缆及氧化锌避雷器)的绝缘电阻和吸收比;
2.测量高压直流下的试品泄漏电流。
1.使用ZC-430A绝缘电阻测试仪测量试品绝缘电阻和吸收比的接线图。

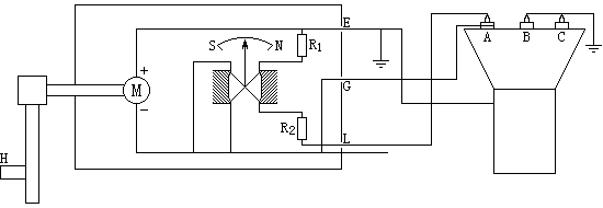
2.测量泄漏电流的装置及线路图如下:
1.检验摇表,不接试品,摇动手柄指针指向“∞”;短接L,E两端缓缓摇动手柄指针应指零。
2.按图1-1接线,经检查无误之后,以每分钟120转的速度摇动摇表手柄。
3.读取15秒及60秒时的读数,即为R15及R60
4.对电容较大的试品,在试验快结束时候,应设法在摇表仍处于额定转速时断开L或者E引线,以免摇表停止转动时,试品向摇表放电而冲击指针,造成摇表指针的损坏。
5.摇表停转后,对试品进行放电,然后分别将B相和C相作为被试对象,重复步骤2、3。
6.按图1-2接线,经检查无误后,合闸平稳升压,当电压升至试验电压时,保持1分钟,再读取微安表读数。
7.将调压器退至零位,断开电源,对A相放电后,再分别对B、C两相进行上述步骤6。
1.根据绝缘电阻值求取试品的吸收比,判断电缆是否受潮。吸收比是指设备绝缘60秒时的绝缘电阻与15秒时的绝缘电阻的比值。对于未受潮的电气设备吸收比应在1.3~2范围内,电气设备受潮时,此比值近与1。对于电容量不大,绝缘正常的试品,因吸收比不显著,故无实用价值。
2.将试验结果与“电气设备预防性试验规程”比较,判断试品绝缘状况。规程摘录见表1-1。
| 电 缆 类 | 三 芯 | 单 芯 | ||||||
| 工作电压(kV) | 35 | 20 | 10 | 6 | 3 | 10 | 6 | 3 |
| 试验电压(kV) | 140 | 80 | 50 | 30 | 15 | 50 | 30 | 15 |
| 泄漏电流(μA) | 85 | 50 | 50 | 30 | 15 | 70 | 45 | 30 |
1.在所有直流试验及测量前后,都要将试品短接接地。
2.注意屏蔽端的接法,观察有无屏蔽的影响。