近年来,橡塑绝缘特别是交联聚乙烯电缆,因其具有优异的性能,得到了迅速的发展。目前在中低压电压等级中基本取代了油浸纸绝缘电缆,超高压交联聚乙烯电缆已经发展至500kV,110kV及220kV交联聚乙烯电缆正在逐步取代充电电缆。
耐压试验是运行部门检查电缆抗强度的常用方法,通过耐压试验可以有效的检查出电缆绝缘中的气泡、机械损伤等局部缺陷,反映出出电缆绝缘老化、受潮等情况。
根据试验电压的不同,电缆耐压试验又分为直流耐压试验和交流耐压试验。
通过直流耐压试验可以检查出电缆绝缘中的气泡、机械损伤等局部缺陷,通过直流泄漏电流测量可以反映绝缘老化、受潮等缺陷,从而判断绝缘状况的好坏。
但是根据国内外一些运行经验表明,如果对交联聚乙烯电缆施加直流电压,那么直流试验过程中在交联聚乙烯电缆及其附件中会形成空间电荷,对绝缘,有积累效应,加速绝缘老化,缩短使用寿命,同时,直流电压下绝缘电场分布与实际运行电压下不同。
直流试验合格的交联聚乙烯电缆,投入运行后,在正常工作电压作用下也会发生绝缘事故。通过施加交流试验电压,可以避免以上不足,并且可以有效地鉴别正常绝缘的绝缘水平。因此,相关人士建议对交联聚乙烯电缆金属护套采用10kV、1min直流耐压试验外,还增加了用串联谐振或0.1Hz超低频来交流耐压电压试验。
通过直流耐压试验可以检查出电缆绝缘中的气泡、机械损伤等局部缺陷,通过直流泄漏电流测量可以反映绝缘老化、受潮等缺陷,从而判断绝缘状况的好坏。
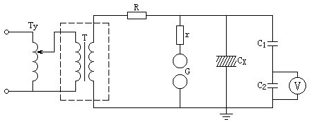
电缆的直流耐压试验可用ZC-540直流高压发生器来进行试验,ZC-540直流高压发生器的电压、电流表均为数字显示,电压分辨率为0.1kV,电流分辨率为0.1uA,控制箱上电压表直接显示加在负载试品上的电压值,使用时无需外加分压器,接线简单。仪器具有高、低压端测量泄漏电流,高压端采用圆形屏蔽数字表显示,不怕放电冲击,抗干扰性能好,适合现场使用。

(1) 按照试验接线图由一人接线,接线完后由另一人检查,内容包括试验接线有无错误,各仪表量程是否合适,试验仪器现场布局是否合理,试验人员的位置是否正确。
(2) 将电缆充分放电,指示仪表调零,调压器置于零位。
(3) 测量电源电压值。
(4) 合上电源刀闸,启动设备,给升压回路加电,逐步升压至预先确定的试验电压值:在0.25、0.5、0.75倍试验电压下各停留1分钟,读取泄漏电流值,在1.0倍试验电压下读取1分钟及5.分钟泄漏电流值,交接时还应读取10分钟和15分钟泄漏电流值。
(5) 试验完毕,应先将升压回路中调压器退回零位并切断电源。
(6) 每次试验后,必须将电缆先经电阻对地放电,然后对地直接放电。放电时,应使用绝缘棒,并可根据被试相放电火花的大小,大概了解其绝缘状况。
对纸绝缘电缆而言,三相间的泄漏电流不平衡系数不应大于2,6/6kV及以下电缆的泄漏电流小于10μA,8.7/10kV电缆的泄漏电流值小于20μA时,对不平衡系数不作规定。
在加压过程中,泄漏电流突然变化,或者随时间的增长而增大,或者随试验电压的上升而不成比例地急剧增大,说明电缆绝缘存在缺陷,应进一步查明原因,必要时可延长耐压时间或提高耐压值来找绝缘缺陷。
相与相间的泄漏电流相差很大,说明电缆某芯线绝缘可能存在局部缺陷。
通过施加交流试验电压,可以弥补电缆直流耐压试验的不足,并且可以有效地鉴别正常绝缘的绝缘水平。
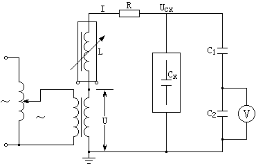
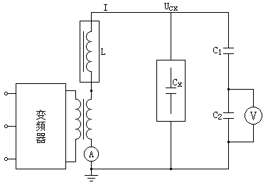
测量电缆的交流耐压试验常用的设备是ZCVF-B变频串联谐振耐压装置,串联谐振试验装置是运用串联谐振原理,利用励磁变压器激发串联谐振回路,调节变频控制器的输出频率,使回路电感 L 和试品 C 串联谐振,谐振电压即为加到试品上电压。设备具有体积小、重量轻、操作方便等优点。除此之外,还以采用超低频耐压试验装置进行电缆的交流耐试验。



(1) 检查试验电源、调压器和试验变压器正常。按接线图准备试验,保证所有试验设备、仪表仪器接线正确、指示正确。
(2) 一切设备仪表接好后,在空载条件下调整保护间隙,其放电电压为试验电压的110%~120%范围内(如采用串联谐振,需要另外的变压器调整保护间隙)。并调整试验电压在高于试验电压5%下维持2min后将电压降至零,拉开电源。
(3) 经过限流电阻R在高压侧短路,调整过流保护跳闸的可靠性。
(4) 电压和电流保护调试检查无误,各种仪表接线正确后,即可将高压引线接到被试绕组上进行试验。
(5) 升压必须从零开始,升压速度在40%试验电压以内可不受限制,其后应均匀升压,速度约每秒3%的试验电压。升至试验电压后维持规程所规定时间。
(6) 将电压降至零,拉开电源,该试验结束。
如果试验中未发生击穿放电现象,则认为试验通过。