绝缘子是电力系统中大量使用的绝缘部件。在运行中,绝缘子承受工作电压和过电压作用;承受导线、自重、覆冰、风力、短路电动力、震动力等作用;还受到大气条件变化和环境污染的影响。为了保证其运行的安全可靠性,及时地检出运行中的不良绝缘子是十分必要的。
按预规要求应进行下列预防性试验:
(1) 零值绝缘子检测(66kV及以上);
(2) 绝缘电阻测试;
(3) 交流耐压;
(4) 绝缘子表面污秽物的等值盐密。
其中前3项对运行中针式支持绝缘子和悬式绝缘子可任选一项,玻璃悬式绝缘子这3项试验不进行。
正常情况下,绝缘子串的电压分布如图1-1所示,当有一个或数个绝缘子劣化后,其电压分布曲线就发生畸变,劣化元件上分担的电压比正常时小,从而将电压转移到其他绝缘子上,特别是邻近元件上的电压升高多,因此就应检测零值(低绝缘电阻)绝缘子,如图1-2所示。


测量工具一般使用绝缘子分布电压测试仪,该款绝缘子测试配备电阻分压杆、电容分压杆测量,这两种杆均应按带电作业的要求进行试验合格,其保护接地应牢固地接于操作人员接触操作杆的上部,以保证人身安全。带电检测绝缘电阻和电压分布均应在电网正常运行和良好天气下进行。在图1-3中表示了电阻分压杆的接线。

此外,还有火花间隙检测杆,数字式高电压表,超声波探伤及红外热像仪测试等方法。
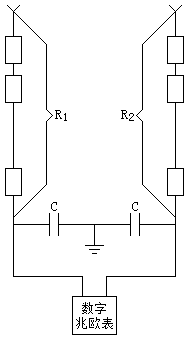
对多元件组合的绝缘子可在停电和带电情况下进行;对单元件绝缘子只能在停电下测量。应在良好天气下进行。采用2500V及以上兆欧表测试。当瓷件龟裂处有湿气、灰尘、脏污侵入后,绝缘电阻将显著下降。测多元件支柱绝缘子每一元件绝缘电阻时,应在分层胶合处绕铜线,然后接到兆欧表上。带电测量绝缘子的绝缘电阻是借高电阻接至带电的绝缘子上,并用处于地电位的兆欧表测量,如图1-4所示。从测得的电阻值减去高电阻的电阻值,即为被测绝缘子的绝缘电阻。

交接时必须进行,预试时用于后判断。耐压后应测各元件绝缘电阻,检出不合格元件。
这是用以积累污染程度的数据,检验线路绝缘子污染状况和绝缘水平是否相适应。盐密值超过规定时,应根据情况采取措施。
绝缘子等值盐密是指外绝缘的单位表面积上的等值盐量。测量方法是用一定量的蒸馏水,将一定面积瓷表面上的污秽物全部清洗掉,用等值盐密测试表测污秽溶液的盐密值S(S= ω0×Q/A;Q—100mL的用水量倍数;A一绝缘子表面积)由《预规》的附录中可查得污秽等级与对应的附盐密度值。从而决定是否清扫和积累数据。
某变电所(110kV)用绝缘子分布电压测试仪测试2组3×2B-35支持绝缘子,每组共有瓷个,先测母线端,对应的微安表读数是100μA,以下各层测得的值相应递减。比较表中读数递减速率可知,第1组合格,第2组的3号瓷裙不合格。见表1(电阻分压杆的测试结果)。
| 组号\群号 | 母线 | 1 | 2 | 3 | 4 | 5 | 地 |
| 1 | 100 | 77 | 58 | 37 | 23 | 11 | 0 |
| 2 | 100 | 73 | 52 | 52 | 33 | 15 | 0 |
某电厂对支持绝缘子测绝缘电阻,预试中多次发现低绝缘电阻瓷瓶,及时加以更换。
(1) 厂用变压器(高压侧10.5kV),测A相第1、2和B相第3个绝缘子绝缘电阻为10MΩ(应大于300MΩ),不合格,更换。
(2) 厂用变压器(11kV),高压侧A相第2个瓷瓶绝缘电阻为50MΩ,不合格,更换。
(3) 发电机干线(10.5kV)支持瓷瓶中有两个为低值瓷瓶,(5MΩ和20MΩ),更换。
(4) 厂用变压器高压侧小母线支持瓷瓶发现3个低值瓷瓶(90MΩ,9MΩ,300MΩ)全部更换。
某厂35kV及220kV有千余串绝缘子,长期以来靠每年1次清扫,造成人力物力的浪费,1997年以来,用测绝缘子等值盐密确定是否清扫:节约了大量人力物力。
绝缘子型号为XW-4.5型。其表面积为2200cm2,按0.2mL/cm2用水量选择取400mL,并用脱脂棉进行取样(试验时不取出)。测试结果见表2(等值盐密值)。
| 日期 | 2007 | 2008 | 2009 | 2010 | 2011 |
| 开关进线形结构 | 0.006 | 0.00121 | |||
| P24 | 0.0115 | ||||
| N21 | 0.0278 | ||||
| 056 | 0.029 | ||||
| 102 | 0.017 | ||||
| 038 | 0.0032 |
从表中可知,2007年变电所等值盐密为0.006,2008年达到0.027cg/cm2,由“预规”附录可见0级污染等级为≤0.03,虽然未超过0级标准,但已接近,且变化很大。
根据积累数据进行了治理,已基本得到改善,2011年220kV变电所绝缘子等值盐密为0.00121mg/cm2,比2007年大有改善。
某厂对不同用水量对等值盐密进行了测试,结果如下:选择两种用水量(常用的300mL和计标的400mL)进行比较,测试结果见表3(等值盐密值)。
| 用水量 | P24 | N21 | 046 | 102 | 038 |
| 300mL | 0.0108 | 0.0234 | 0.0028 | 0.0120 | 0.0030 |
| 400mL | 0.0115 | 0.0277 | 0.0029 | 0.0127 | 0.0032 |
| 差值 | 0.0007 | 0.0033 | 0.0001 | 0.0007 | 0.0002 |
由表3可知,用水量400mL的等值盐密值较300mL大,这是由于盐量小时影响不大,盐量大时影响较大。各种污秽物溶解度不同,水量小时污秽物中的电解质可能不会全部溶解,测得的盐密就偏小。因此用400mL的用水量较真实。
该仪器在1991年9月首先在500kV线使用,反应效果良好,接着又相继在东北几个电业局便用,至1992年12月共检测了7081片绝缘子,检出21片低值和零值绝缘子,占3‰。它不仅适用于500kV线路,对220kV及以下输电线路和变电站绝缘子的检出也同样适用。表4(不同方法测试对照表)。
| 线路 | 塔号 | 火花间隙法检测 | JJQ-I型检测 | 用摇表法对照 |
| 东海线 | 28号 | 1992年7月9日测得中线左串第2片为零值 | 1992年10月9日对全塔52片进行检测,没有零值 | 经摇表复查也没有零值。说明间隙法为误检 |
| 青鞍线 | 454号 | 1992年7月9日测得中线左串第10片为零值 | 1992年10月13日测得中线左串第10片为零值 | 经播表复查仍为零值,三种铡法完全一致 |
| 鞍草线 | 325号 | 1992年8月25日测得右线左串第3片为零值 | 1992年12月31日与火花间隙法测得结果完全一致 | |
| 鞍草线 | 32号 | 1992年8月25日测得中线第1片为零值 | 1992年10月21日与火花间隙法检测结果完全一致 | |
| 草首线 | 444号 | 1992年3月23日测得左线第5片为零值 | 1992年10月24日由于小雨潮湿,检测值都在100MΩ一下并有报警音响 | 湿度大时,不能使用JJQ-1型和绝缘摇表检测 |