CTP-1000A互感器综合测试仪(也叫
CTP-1000A 变频式伏安特性测试仪)是我司研制的新一代革新型CT、PT测试仪器。
CTP-1000系列产品基于变频法测试原理,无需调压器、升压器、升流器即可现场完成CT、PT的全面测试,输出电压低,无论是否有误操作都能保证被试设备、试验人员的安全。
该装置采用高性能DSP和FPGA、先进的制造工艺,保证了产品性能稳定可靠、功能完备、自动化程度高、测试效率高,在国内处于领先水平,是电力行业用于互感器的专业测试仪器。
下面简单的说一下电流互感器试验的实验方法:
电流互感器试验
在
参数界面,用
旋转鼠标切换光标到
类型栏,选择互感器类型为CT。
2.1.1 试验接线
试验接线步骤如下:
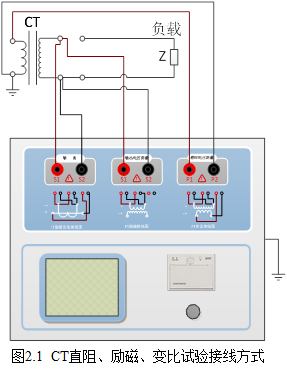
第一步:根据表2.1描述的CT试验项目说明,依照图2.1或图2.2进行接线(对于各种结构的CT,可参考附录D描述的实际接线方式)。
表2.1 CT试验项目说明
|
电阻 |
励磁 |
变比 |
负荷 |
说明 |
接线图 |
|
√ |
|
|
|
测量CT的二次绕组电阻 |
图2.1,但一次侧可以不接 |
|
√ |
√ |
|
|
测量CT的二次绕组电阻、励磁特性 |
图2.1,但一次侧可以不接 |
|
√ |
|
√ |
|
测量CT的二次绕组电阻,检查CT变比和极性 |
图2.1, |
|
√ |
√ |
√ |
|
测量CT的二次绕组电阻、励磁特性,检查CT变比和极性 |
图2.1 |
|
|
|
|
√ |
测量CT的二次负荷 |
图2.2, |

第二步:同一CT其他绕组开路,CT的一次侧一端要接地,设备也要接地。
第三步:接通电源,准备参数设置。
2.1.2 参数设置
试验参数设置界面如图2.3。

图2.3 基本参数设置界面
参数设置步骤如下:
用
旋转鼠标 切换光标,选择要进行的试验项目,当光标停留在某个试验项目时,屏幕显示与该试验项目相关的参数设置;当光标离开试验项目时,屏幕显示所选试验项目所对应的接线图。
可设置的参数如下:
(1)编号:输入本次试验的编号,便于打印、保存管理与查找。
(2)额定二次电流

:电流互感器二次侧的额定电流,一般为1A和5A。
(3)级别:被测绕组的级别,对于CT,有P、TPY、计量、PR、PX、TPS、TPX、TPZ等8个选项。
(4)当前温度:测试时绕组温度,一般可输入测试时的气温。
(5)额定频率:可选值为:50Hz或60Hz。
(6)最大测试电流:一般可设为额定二次电流值,对于TPY级CT,一般可设为2倍的额定二次电流值。对于P级CT,假设其为5P40,额定二次电流为1A,那么最大测试电流应设5%*40*1A=2A;假设其为10P15,额定二次电流为5A,那么最大测试电流应设10%*15*5A=7.5A。
如果用户希望看到以下结果,需要准确设置基本参数(建议用户设置)。
(1)匝比误差、比值差和相位差
(2)准确计算的极限电动势及其对应的复合误差
(3)实测的准确限值系数、仪表保安系数和对称短路电流倍数
(4)实测的暂态面积系数、峰瞬误差、二次时间常数
对于不同级别的CT,参数的设置也不同,见表2.2。
表2.2 CT参数描述

第五步: 选择右边的
开始按钮进行试验。
注:当互感器铭牌丢失时,一次电流、二次负荷等请输入为0,仪器将依据国标、测试结果进行自动判断。
以上就是本文的全部内容,如果大家对
CTP-1000A互感器综合测试仪还有什么不明白的地方,欢迎随时咨询我们的客服人员了解哦~
文章阅读完毕,有任何产品或技术问题咨询,请直接拨打我公司技术服务专线:13638679450,18995634856,24小时竭诚为您服务!
致卓原创 | 版权所有 | 禁止复制 | 抄袭可耻