如果转子绕组出现匝间短路,则转子绕组有效匝数就会减小,其交流阻抗就会减小,损耗会有所增大,因此,通过测量转子绕组交流阻抗和功率损耗,与历次试验数据相比,就可以有效地判断转子绕组是否有匝间短路。
向转子绕组施加交流电压,读取电压、电流及功率损耗值。
施加电压的大小通过调压器调节。
(1)标准CT、交流电压表、交流电流表、有功功率表、调压器。
(2)在现场没有转子交流阻抗测试仪时,可使用调压器、标准CT、交流电压表、交流电流表、有功功率表。
ZC-401A发电机转子交流阻抗测试仪为新型的测试仪器,装置内部自动计算电流、电压、功率、阻抗及曲线等相关数据,试验时只需调压即可,仪器会自动读取数据,并带过流过压保护报警功能。ZC-401A发电机转子交流阻抗测试仪是判断发电机转子绕组有无匝间短路的专用仪器,可以全自动、手动(单向或双向)测量转子绕组的电压、电流、阻抗、功率、相位角等参数。仪器采用先进的高速微处理器技术,功能更强大,性能更优越,使用更方便。具有工作可靠性高、操作简便、测试精度高、小巧轻便等特点。目前在国内处于领先水平。
无功补偿装置是通过感性电流和容性电流之间的关系,可补偿试验电流30A到100A,对于大型发电机组,本试验使用的调压器如果有条件并接无功补偿装置,则调压器容量可以大大减小,可使用6KVA、250V的调压器。如果没有无功补偿箱,调压器容量将达到10KVA,比较笨重。
(1)阻抗和功率损耗值自行规定。在相同试验条件下与历年数值比较,不应有显著变化。
(2)隐极式转子在膛外或膛内以及不同转速下测量。
(3)每次试验应在相同条件、相同电压下进行,试验电压峰值不超过额定励磁电压。
(4)转子到现场后,未穿入发电机前,应做膛外转子交流阻抗试验,穿入发电机后,可做膛内测试。此项目属于单体试验,应由安装单位进行。
(5)机组整套启动前,提前准备试验仪器及接线。测试工作负责单位由调试单位和安装单位协商进行。
(6)在机组升速过程中,选取不同的转速点测试,直到机组定速3000转。
(7)机组超速试验后,应再次进行本试验。
(8)试验时,应注意与励磁回路断开。以避免对励磁回路造成损害;受励磁设备的影响,不能加压。
(9)试验时,应选取足够容量的外接临时电源,并不使用带漏电保护的电源开关。
(10)试验前,应确认碳刷研磨符合工艺要求,以避免影响试验数据的准确性。
碳刷的弧度应研磨至和滑环的弧度一样,不然升速时转子打火很厉害,况且电弧产生熄灭间会有过电压,另外也直接影响到试验接线各环节接触的良好性,从而影响试验数据的准确性。
另外,所有的测量线最好用粗短线,因为有功功率损耗大部分消耗在转子线圈上,还有一部分会消耗在测量导线上,应尽量减少测量导线的有功损耗.
(1)连接工作电源时可能造成电对人体的危害。
(2)测试过程中人体接触到被试回路中设备,造成电对人体的危害。
(3)测试过程中因励磁回路电源未断开,带电拔碳刷,会产成电弧导致对设备的损害。
(4)向滑环上施加电压时,在旋转的转子旁工作时容易产生对人的危害。
(1)在试验现场应用能迅速断开电源的开关。
(2)试验电源容量必须满足要求。
(3)必须在现场试验人员知晓的情况下,才能送上试验电源。试验结束后,必须断开试验电源才能撤离现场。
(4)在向转子夹接试验线时,应避免对人身的伤害,以及对转子滑环、碳刷架的损坏。
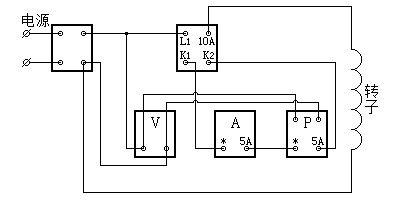
如果现场没有交流阻抗测试仪,可使用以下仪器仪表,并按下图1-1接线。

使用仪器仪表:调压器、标准CT、交流电流表、交流电压表、有功功率功率表。
仪器仪表选用:要求提供交流阻抗测试仪膛外试验的数据,根据其施加电压选取交流电压表,根据试验结果选取标准CT、交流电流表、有功功率表。
在相同试验条件下与历年数值比较,不应有显著变化。
报告内容包括:项目名称、试验依据、仪表型号、编号、环境温度和湿度、测试时间、测试地点、被试设备名称、试验人员、试验结果及分析、结论。