空载特性是发电机的基本特征之一,它是在空载和额定转速下测量定子电压和转子电流关系的试验。通过该试验可以测定发电机的有关重要参数,如电压变化率,纵轴同步电抗Xd,短路比等;可以判断三相电压的平衡性;可作为转子是否有匝间短路的参考;还可以作为定子绕组的层间耐压(如果有的话),因此,在大修后都应做此试验。
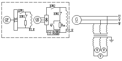
(1)按照如图1-1所示的试验接线图接线。

(2)所用表计和分流器应在0.5级以上。
(3)应将电压互感器,强行励磁和减磁装置退出,但发电机的保护(如差动、过流等)不应退出。
(4)用磁场变阻器缓慢提升定子电压到1/2额定电压,检查三相的平衡性。
(5)巡视发电机设备,有无异常现象。一切正常后,然后升到额定电压。
(6)将电压降至近于零,每10%~15%UN记录一次(应同时记录);再逐渐升高电压,每10%~15%UN记录一次,一直到额定电压。
(7)逐渐降低电压近于零时再切断励磁电流,记录残余电压值。
(8)应保持转速稳定,着不是额定值,则电压按式(1-1)换算
电压=实测电压×[额定转速(或频率)/实测转速(或频率)] (1-1)
(9)磁场变阻器只能单方向调节,不要随意变方向。
(10)按读数作出上升和下降曲线,取平均值。
(11)当转子有匝间短路时,其曲线和历年比较会有下降现象(已超出测量误差范围)。
某电厂一台125MW发电机(双水内冷),QFS-125-2型,13.8kV,6150A,3000r/min。
空载特性试验数据见表1-1;将此结果与出厂时的试验数据(见表1-2)比较,得出结论误差在测量误差范围内。
| IE(A) | 604 | 580 | 524 | 484 | 444 | 386 | 349 | 270 | 196 |
| IAB(V) | 14350 | 13870 | 12834 | 12006 | 11040 | 9729 | 8832 | 6900 | 5037 |
| IBC(V) | 14350 | 13870 | 12903 | 12075 | 11040 | 9729 | 8801 | 6900 | 5037 |
| ICA(V) | 14350 | 13870 | 12903 | 12075 | 11109 | 9756 | 8860 | 6941 | 5037 |
| IE(A) | 964 | 616 | 470 | 390 | 330 | 294 |
| IAB(V) | 18000 | 13800 | 10860 | 8980 | 7640 | 6980 |
| IBC(V) | 13780 | |||||
| ICA(V) | 13780 |
空载曲线如图1-2所示。
某电厂313MW发电机(水氢氢冷却方式)定子电压15kV,定子电流14170A,3000r/min。
在用直流电阻和交流阻抗法初步认定有匝间短路后,又做了空载和短路试验。从如图1-3所示试验曲线可以看出,空载电流较过去增长了180A,即增长了14.5%,空载曲线是下降的。说明转子有匝间短路的可能。
为了进一步确定缺陷,又加做了探测线圈法试验,证实了匝间短路的存在。

