本系列产品具有重量轻,体积小,造型美观,性能稳定,使用携带方便等特点,特别适用于现场操作使用,是国内更新换代的新型交直流两用高压试验变压器。本系列产器适用于电力系统及各电力用户现场检测各种电气设备的绝缘性能试验、电器产品的直流高压小电流的各种电压系统或装置中的高压电源。

本系列产产品输入电压为200V/400V,利用电磁感应原理根据需要改变输入电压,即可获得输出高压从零伏连续可调到额定的最高值。
在作直流耐压及泄露电流测试时,只要把高压硅堆旋装在高压输出端,即可改变输入电压,从而获得不同值的直流高压输出。
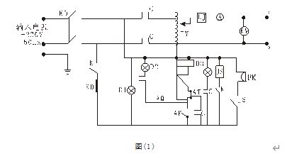
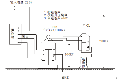
本系列产品在具体工作原理见图(1),当用作串级使用时,其接线见。图(2)
GYD:试验变压器 JS:时间继电器
TY:自藕调压器 FM:报警器
LJ:过流继电器 D1、D2、D3:指示灯
C:交流接触器 RD:熔断器
K:总电源开关 K1:时间继电器电源开关
AK:调压器回零限位开关 AQ:起动按钮
CL:高压硅堆 AT:停止按钮
A:输出电流表 KV:输出电压表
使用方法
1. 试验前,要将高压试验变压器的外壳“

”端,电源控制箱的接地端“

”必须良好接地,否则将危及人身与设备的安全。
2. 操作前必须熟悉高压试验变压器与电源控制箱的电气原理理接线图。如果检帮直流耐压与泄露试验时,可先将高压哇或微安表旋在高压试验变压器的高压端。
3. 准备完毕,检查线路无误后,可合上总电源开关,此时红色开关指示灯也亮。假如不亮应把调压器手柄按逆时针方向返回零位,红色停止按钮上的指示灯亮,否则起动按钮拒绝合闸。
4. 按下起动按钮,绿色按钮指示灯亮,这时按顺时针每秒1.5-2千伏的速度均匀缓慢地旋动调压器手柄,高压逐步上升并密切注意电压表的指示及试品情况,直到调到所需试验高压为止。
5. 要测试产品的耐压试验时间,可拔动定时器所需定时时间再按下定时与报警开关,即在规定的时间里测试产品耐压,然后报警告知,若被测产品被击穿,过流继电器自动跳闸,此时电压表值读数,即为产品击穿电压之值。
6. 如需保护被测产品免被击穿,可先在高压侧连续接保护球隙调整保护球放电电压为试验电压的1.15倍左右。
7. 高压试验示意图:

文章阅读完毕,有任何产品或技术问题咨询,请直接拨打我公司技术服务专线:13638679450,18995634856,24小时竭诚为您服务!
致卓原创 | 版权所有 | 禁止复制 | 抄袭可耻