互感器的特性试验方法与电力变压器的基本相同。
电压互感器一次绕组线径较细,易发生断线、短路或匝间击穿等故障,二次绕组因导线较粗很少发生这种情况,因而交接、大修时应测量电压互感器一次绕组的直流电阻。各种类型的电压互感器一次绕组的直流电阻均在几百欧至几千欧之间,一般使用CTP-1000B变频互感器综合测试仪进行测量,测量结果应与制造厂或以前测得的数据无明显变化。
有时为了判断电流互感器一次绕组接头有无接触不良等现象,需要采用压降法和ZC-205A直流电阻测试仪等测量一次绕组的直流电阻;有时为了判别套管型电流互感器分接头的位置,也使用CTP-1000B变频互感器综合测试仪测量绕组的直流电阻。
电流互感器和电压互感器的极性很重要,极性判断错误会使计量仪表指示错误,更为严重的是使带有方向性的继电保护误动作。互感器一、二次绕组间均为减极性。极性试验方法与电力变压器相同,一般采用直流法。试验时注意电源应加在互感器一次测;测量仪表接在互感器二次侧。
《规程》规定要检查互感器各分接头的变比,并要求与铭牌相比没有显著差别。
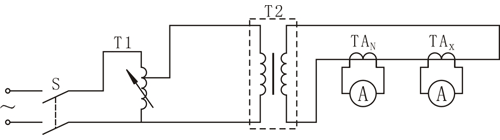
检查电流互感器的变比,采用与标注电流互感器相比较的方法。其试验接线如图1-1所示。

试验时,将被试电流互感器与标准电流互感器一次测串联,二次侧各接一只0.5级电流表,用调压器和升流器供给一次侧一合适电流,当电流升至互感器的额定电流值时(或在30%~70%额定电流范围内多选几点),同时记录两只电流表的读数,则被试电流互感器的实际变比为:
K=KNIN/I
变比误差为
△K=[(K-KxN)/KxN]×100%
以上式中 KN、IN——标准电流互感器的变比和二次电流值;
K、I——被试电流互感器的变比和二次电流值;
KxN——被试电流互感器的额定变比。
试验时应注意,应将非被试电流互感器二次绕组短路,严防开路;应尽量选择使标准电流互感器与被试电流互感器变比相同,如果变比正确的话,其二次绕组电流表读数也应相同。
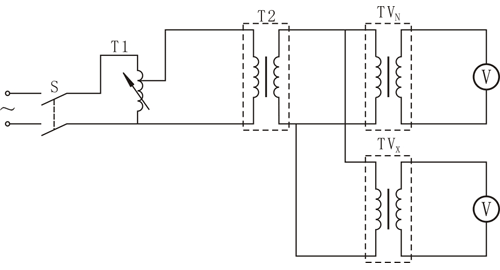
对于变比在变比电桥测量范围内的电压互感器,可直接采用ZC-203B全自动变比测试仪测量其变比。对于变比较大的电压互感器,检查其变比可采用双电压表法或采用图1-2所示用与标准电压互感器相比较的方法。用图1-2所示方法对电压互感器进行变比测量时,应注意一般通过调压器和试验变压器向高压侧施加电压,在二次侧测量。

互感器的励磁特性是指互感器一次侧绕组开路。二次侧励磁电流与所加电压的关系曲线,实际上就是铁芯的磁化曲线。互感器励磁特性试验的主要目的是检查互感器的铁芯质量,通过鉴别磁化曲线的饱和程度,以判断互感器的绕组有无匝间短路等缺陷。鉴于系统中经常发生铁芯谐振过电压和电压互感器质量不良等情况,所以要求进行电压互感器的空载励磁特性试验。
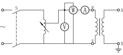
试验接线如图1-3所示。试验前,应将电流互感器二次绕组引线和接地线均拆除,试验时,一次测开路,从二次侧施加电压,为了读数方便,可预先选取几个电流点,逐点读取相应电压值。通入的电流或电压以不超过制造厂技术条件的规定为准。当电流增大而电压变化不大时,说明铁芯已饱和,应停止试验。试验后,根据试验数据绘出伏安特性曲线。

电流海关其的伏安特性试验,只对继电保护有要求的二次绕组进行。实测的伏安特性曲线与过去或出厂的伏安特性曲线比较,电压不应有显著降低。若有显著降低,应检查是否存在二次绕组的匝间短路。
电压互感器空载励磁特性试验接线如图1-4所示。现场试验时,电压互感器高压侧开路,低压侧通以额定电压,读取其空载电流及空载损耗。

电压互感器的空载励磁特性试验可与工频感应耐压试验一起进行。试验时,在电压升至额定电压过程中先读取几组空载损耗与空载电流值,电压升至0.3倍额定电压并耐受40s后,再降至额定电压及以下,重新读取几组空载损耗和空载电流值。
实测的励磁特性曲线或额定电压时的空载电流值与过去或同类型电压互感器的特性相比较,应无明显的差异。在进行1.3倍额定电压下的感应耐压试验时,其耐压前后的空载电流、空载损耗也不应有明显差异,否则应查明原因。
一般情况下,励磁曲线测量点为额定电压的20%、50%、80%、100%和120%。对于中性点直接接地的电压互感器(N端接地),电压等级35kV及以下电压等级的电压互感器最高测量点为190%;电压等级66kV及以上的电压互感器最高测量点为150%。《规程》规定:在额定电压下,空载电流与出厂数值比较应无明显差别;中性点非有效接地系统的电压互感器,在1.9UN/√3电压时的空载电流不应大于最大允许电流;中性点接地系统的电压互感器,在1.5UN/√3电压下的空载电流不应大于最大允许电流。
ZZFA-IV互感器伏安特性测试仪测试仪是一款全自动化的CT/PT特性测试仪器,是继电保护和高压绝缘专业的专门检测仪器。仪器可以完成的试验包括:CT伏安特性试验、CT变比极性试验、CT极性试验、CT一次通流试验、PT伏安特性试验、PT变比极性试验、PT极性试验,自动计算拐点电压电流值、变比比差值、5%或10%误差曲线值等结果参数。
ZZFA-IV互感器伏安特性测试仪采用进口核心器件,严格的制造工艺,保证产品性能稳定可靠;仪器面板采用人体工学设计,操作简便,一人操作即可完成全部测试工作,软件功能强大,自动计算并给出测试结果;自带U盘转存功能,结合上位机软件,生成完备的测试报告,数据管理简便高效,减轻测试人员工作负担;仪器自带微型打印机,可即时打印测试数据和曲线。本仪器是一款功能完备、适用于实验室也适用于现场检测并广受用户好评的专业测试仪器。
3.1 技术特点:
1、仅需设定测试电压、电流和步长,装置将自动升压并能自动将伏安特性测试曲线描绘出来,省去手动调压、人工记录、描曲线等烦琐劳动。快捷、简单、方便。
2、功能全面,可测试CT/PT伏安特性、变比和极性、10%的误差曲线、角差、比差。
3、可外接升压器扩展输出电压范围。
4、伏安特性试验单机输出电压0~2500V、电流0~20A;采用外接升压器输出电压0~4000V、电流0~1.5A,可做500KV等级1A的互感器伏安特性试验。
5、220V单电源输入,避免了使用380V时的危险。
6、大屏幕液晶显示,测试时直接显示伏安曲线图,直观方便。自带微型打印机,可方便打印测试数据。
7、采用数字键盘,方便数字输入。
8、带有大容量存储器,可存储100组测试数据,掉电不丢失。
9、RS232通信接口,可连接电脑进行试验,测试数据也可上传至电脑编辑保存。
3.2 技术规格:
| 规格型号 | ZZFA-IV | |
| 测试用途 |
CT:励磁特性、变比、极性、比差以及角差等测试要求; PT:励磁特性、变比、极性、二次绕组电阻、比差等测试要求。 |
|
| 工作电源 | 输入电压 | 185Vac~250Vac |
| 允许输入电压 | 85Vac~264Vac | |
| 频 率 | 50/60Hz | |
| 允许频率 | 45Hz~65Hz | |
| 输入功率 | 5000VA | |
| 接 头 | 标准交流插口60320 | |
| 内置升压器 | 输出范围 | 0~2500V(220V电源) |
| 0~20A | ||
|
伏安特性测试 参考负载能力 |
1A/2500V | |
| 2A/1500V | ||
| 5A/600V | ||
| 10A/220V | ||
| 20A/30V | ||
| 测量准确度 |
在二次侧电压≥50V,二次侧电流≥200mA时: 伏安特性准确度:0.5级 变比测量准确度:0.5级 |
|
| 外置升压器 | 输出范围 | 0~4000V/1A |
|
伏安特性测试 参考负载能力 |
1A/4000V | |
| 测量准确度 |
在二次侧电压≥50V,二次侧电流≥200mA时: 伏安特性准确度:0.5级 变比测量准确度:0.5级 |
|
| 内置升流器 | 输出范围 | 0~600A |
|
伏安特性测试 参考负载能力 |
800VA | |
| 测量准确度 | 变比测量精度:<1% | |
| 环境条件 | 运行温度 | -10℃~+50℃ |
| 存储温度 | -25℃~+70℃ | |
| 相对湿度 | 5%~95%,不结露 | |
| 物理特性 | 尺 寸 | 425×300×290mm3 |
| 重 量 | ≈26kg(不包括附件) | |