对各种型式的高压开关,一般都要求测量其整体的绝缘电阻,即高压开关导电回路对地的绝缘电阻。测量时应采用ZC-430A绝缘电阻测试仪。对空气开关,实际是测量其支持瓷套的绝缘电阻,一般数值很高,最低不得小雨5000MΩ。对于少油和多油开关还应测量绝缘提升杆的绝缘电阻。绝缘提升杆一般由有机材料制成,运输和安装过程中容易受潮,造成绝缘电阻降低。表1-1示出了《规程》对用有机材料制成的开关绝缘提升杆的绝缘电阻允许值。
| 表1-1 用有机材料制成的开关绝缘提升杆的绝缘电阻允许值(MΩ) | ||||
| 试验类别 | 额定电压(kV) | |||
| <24 | 24~40.5 | 72.5~252 | 363 | |
| 大修后 | 1000 | 2500 | 5000 | 10000 |
| 运行中 | 300 | 1000 | 3000 | 5000 |
测量提升杆绝缘电阻应在开关调整完毕与油箱注油之前进行,一边落下油箱或打开人孔接线。开关已经充注绝缘油后,为了判断绝缘提升杆是否受潮,可在开关合闸和分闸两种状态下分别测量套管引出线对外壳的绝缘电阻。如两次测量值相近,且绝缘电阻不低于表1-1的规定,说明绝缘提升杆绝缘良好。如果合闸状态下测得的绝缘电阻远低于分闸状态下的测得值,说明书绝缘提升杆受潮。
40.5kV及以上的少油开关、空气开关和SF6开关,应测量其支持瓷套、绝缘提升杆以及断口间的直流泄漏电流。泄漏电流试验比绝缘电阻能更灵敏地发现绝缘提升杆受潮、灭弧室压力筒受潮、绝缘油受潮及伪、劣化等缺陷。
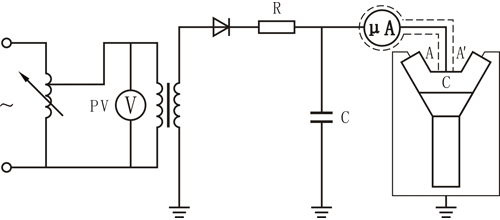
对于少油开关和空气开关,应在开关分闸位置,按图1-1所示接线进行试验,即A、A'接地,试验电压施加在C点,当泄漏电流超过标准值时,可进行分解试验。为判断缺陷部位,可分别在拆除A接地,拆除A'接地,拆除A、A'接地三种情况下,测量泄漏电流值。如果拆除A'接地,测得泄漏电流下降很多,则应考虑A'断口绝缘问题;若测得泄漏电流变化很小,则A'断口绝缘良好。同理可判断A断口的绝缘。如果A、A'接地均拆除后泄漏电流不变,则应认为开关支持瓷套和绝缘提升杆的绝缘有问题。

《规程》对40.5kV及以上少油开关直流试验电压及泄漏电流的规定见表1-2。
| 表1-2 40.5kV及以上少油开关直流试验电压及泄漏电流的规定值 | |||
| 额定电压(kV) | 40.5 | 72.5~252 | ≥363 |
| 直流试验电压(kV) | 20 | 40 | 60 |
| 泄漏电流(μA) | 不大于10μA,超过5μA应引起注意 | ||