由武汉致卓测控生产的ZC-430A型绝缘电阻测试仪是测量绝缘电阻的专用仪表,其输出电压等级为:50V、100V、250V、500V、1000V、2500V、5000V。
目前常见的绝缘电阻测试仪根据其电压等级有100V、250V、500V,1000V,2500V,5000V等几种;从使用型式分又分为手摇式和电动式。高压电力设备绝缘预防性试验中,常用的绝缘电阻测试仪是1000V,2500V,5000V。
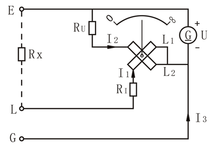
常用手摇式绝缘电阻测试仪的原理接线如图1-1所示。从绝缘电阻测试仪外观看有三个接线端子,它们是:

“L”端子——线路端子,输出负极性直流高压时接于被试品的高压导体上。
“E”端子——接地端子,输出正极性直流高压时一般接于被试品外壳或地。
“G”端子——屏蔽端子,输出负极性直流高压,测量时接于被试品的屏蔽环上,以消除表面或其他不需测量的部分泄漏电流的影响。
手摇式绝缘电阻测试仪的直流电源一般由内装手摇发电机供给。武汉致卓测控生产的ZC-430A型绝缘电阻测试仪的直流电源则采用电池使晶体管振荡器产生交变电压,经变压器升压及倍压整流后输出的直流高压供给。
图1-1中,L1、L2分别为绝缘电阻测试仪的电流线圈与电压线圈,二者绕向相反,固定在同一转轴上,并可带动指针旋转;由于设有弹簧游丝,所以指针没有反作用力矩,当线圈中没有电流时,指针可停留在任意偏转角α位置。
RU为分压电阻,RI为限流电阻,RX为被试设备绝缘电阻。当测量某一被试品RX时,线圈L1、L2中分别流过电流I1、I2,产生的两个不同方向的转动力矩为:
M1=I1f1(α)
M2=I2f2(α)
在这两个力矩差的作用下,可动部分旋转,一直旋转到力矩平衡时为止,即:
M1=M2 或 I1f1(α)=I2f2(α)
I1/I2=f2(α)/f1(α)=f(α)
或者说α=f(I1/I2)
由图1-1可见,I1的大小决定于回路电压U,以及RI和RX之和,即:I1=U/RI=RX;I2的大小决定于U与RU。即:I2=U/RU,所以:
α=f{(U/RI+RX)/(U/RU)}=f{RU/(RI+RX)}
由于RI、RU为常数,所以:
α=f(RX)
即绝缘电阻测试仪的转偏角α的大小是绝缘电阻RX的函数,由RX决定。
流过屏蔽端子“G”的电流I3不流过L1、L2线圈,故对绝缘电阻测试仪偏转角α无影响,即对绝缘电阻Rx无影响,起到了屏蔽作用。
将”L”、“E”端子短接,流过电流线圈L1的电流最大。指针按逆时针方向转到最大位置,此位置应是“0”值位置。当“L”、“E”端子间开路时,电流线圈L1中没有电流流过,只有电压线圈L2中有电流流过,于是指针按顺时针方向转到最大位置,并指“∞”,即被测电阻RX为无穷大。这种方法在现场可用于简单判断绝缘电阻测试仪正常与否。注意短接“L”、“E”端子的时间不宜很长。
当“L”、“E”端子间接上被测电阻RX时,其数值若在“0”与“∞”之间变化,则指针停留的位置有L1、L2两个线圈中的电流I1和IU的比值决定,由于RX是串在L1支路中,故I1的大小随RX的大小变化而变化,于是RX的大小就决定了指针的偏转角位置。
用标准电阻作为被测件刻度绝缘电阻测试仪的表盘,然后用此绝缘电阻测试仪测量被测电阻,根据表盘指示,就可以知道被测电阻的大小。
绝缘电阻测试仪测的的电阻与其端电压有关系。绝缘电阻测试仪所测得的绝缘电阻同端电压的关系曲线叫绝缘电阻测试仪的负载特性,如图1-2所示。

当被试品绝缘电阻过低时,表内电压降低将使其端电压显著下降;端电压剧烈下降时,测得的绝缘电阻值就不能反映绝缘的真实情况。一般绝缘电阻测试仪的容量较小,测得的大容量设备的绝缘电阻—般准确性都较低。
不同型号的绝缘电阻测试仪,其负载特性不同,因此用不同型号的绝缘电阻测试仪测量结果有明显差异。实际测量当中,为便于纵向及横向比较,同类设备尽量采用同一型号绝缘电阻测试仪。