变压器故障的检测技术是准确诊断故障的主要手段,根据DL/T596—1996电力设备预防性试验规程规定的试验项目及试验顺序,主要包括油中气体的色谱分析、直流电阻检测、绝缘电阻及吸收比、极化指数检测、绝缘介质损失角正切检测、油质检测、局部放电检测及绝缘耐压试验等。在变压器故障诊断中应综合各种有效的检测手段和方法,对得到的各种检测结果要进行综合分析和评判。
对于电压等级为220kV及以下的变压器,要进行1min工频耐压试验和冲击电压试验以考核其绝缘强度;对于更高电压等级的变压器,还要进行冲击试验。由于冲击试验比较复杂,所以220kV以下的变压器只在型式试验中进行;但220kV及以上电压等级的变压器的出厂试验也规定要进行全波冲击耐压试验。出厂试验中,常采用二倍以上额定电压进行耐压试验,这样可以同时考核主绝缘和纵绝缘。
测量绕组连同套管一起的绝缘电阻、吸收比和极化指数,对检查变压器整体的绝缘状况具有较高的灵敏度,能有效地检查出变压器绝缘整体受潮、部件表面受潮或脏污以及贯穿性的集中缺陷。例如,各种贯穿性短路、瓷件破裂、引线接壳、器身内有铜线搭桥等现象引起的半贯通性或金属性短路。经验表明,变压器绝缘在干燥前后绝缘电阻的变化倍数比介质损失角正切值变化倍数大得多。
测量绕组绝缘电阻时,应依次测量各绕组对地和其他绕组间的绝缘电阻值。被测绕组各引线端应短路,其余各非被测绕组都短路接地。将空闲绕组接地的方式可以测出被测部分对接地部分和不同电压部分间的绝缘状态。
| 顺 序 | 双绕组变压器 | 三绕组变压器 | ||
| 被测绕组 | 接地部位 | 被测绕组 | 接地部位 | |
| 1 | 低 压 | 外壳及高压 | 低 压 | 外壳、高压及中压 |
| 2 | 高 压 | 外壳及低压 | 中 压 | 外壳、高压及低压 |
| 3 | / | / | 高 压 | 外壳、中压及低压 |
| 4 | (高压及低压) | (外 壳) | (高压及中压) | (外壳及低压) |
| 5 | / | / | (高压、中压及低压) | (外 壳) |
注:(1) 如果表头指标超过量程,应记录为(量程)+,例如10000+,而不应记为∞。
(2) 序号4和5的项目,只对15000kVA及其以上的变压器进行测定。
(3) 括号内的部位必要时才进行。
测量绝缘电阻时,对额定电压为1000V以上的绕组,用2500V的ZC-430A绝缘电阻测试仪测量,其量程一般不低于10000MΩ;对额定电压为1000V以下的绕组,用1000V或2500V的ZC-430A绝缘电阻测试仪测量。
《规程》中对变压器绕组的绝缘电阻没有规定具体值,而是采用相对比较的方法,规定按换算至同一温度时,与前一次测量结果相比无明显变化。若采用绝缘值判别时,通常采用预防性试验绝缘电阻值应不低于安装或大修后投入运行前的测量值50%。对500kV变压器,在相同温度下,其绝缘电阻不小于出厂值的70%,20℃时最低电阻值不得低于2000MΩ。
《规程》规定对于电压35kV及其以下容量小于10000kVA的变压器,在温度10~30℃时,吸收比(K=R60/R15)不小于1.3;对于35kV以上容量大于10000kVA的变压器,在温度10~30℃时吸收比不小于1.5。实际测量时,受潮或绝缘内部有局部缺陷的变压器的吸收比接近与1.0。变压器绕组绝缘电阻测量应尽量在50℃时测量,不同温度(t1,t2)下的电阻值(R1、R2)可按工程简化公式R2=R1×1.5(t1-t2)/10进行计算。
为避免绕组上残缺电荷导致测量值偏大,测量前应将被测绕组与油箱短路接地,其放电时间应不少于2min。测量刚停止运行时变压器,需将变压器自电网断开后静置30分钟,使油温与绕组温度趋于相同,在进行绝缘电阻等的测定,并把变压器上层油温作为绝缘温度。对于新投入或大修后的变压器,应在充满合格油并静止一段时间,待气泡消除后,方可进行试验。通常,对8000kVA及其以上的较大型电力变压器需静置20h以上,对3~10kVA的小容量电力变压器,需静置5h以上。
在实际测量过程中,会出现绝缘电阻高、吸收比反而不合格的情况,其中原因比较复杂,这时可采用极化指数PI来进行判断,极化指数定义为加压10min时绝缘电阻与加压1min的绝缘电阻之比,即PI=P10/P1。目前现场试验时,常规定PI不小于1.5。
测量泄漏电流比测量绝缘电阻有更高的灵敏度。
| 顺 序 | 双绕组变压器 | 三绕组变压器 | ||
| 加压绕组 | 接地部分 | 加压绕组 | 接地部分 | |
| 1 | 高 压 | 低压、外壳 | 高 压 | 中、低压、外壳 |
| 2 | 低 压 | 高压、外壳 | 中 压 | 高、低压、外壳 |
| 3 | / | / | 低 压 | 高、中压、外壳 |
测量泄漏电流时,绕组上所加的电压与绕组的额定电压有关。
| 绕组额定电压(kV) | 3 | 6~10 | 20~35 | 66~330 | 500 |
| 直流试验电压(kV) | 5 | 10 | 20 | 40 | 60 |
测量时,加压至试验电压,待1min后读取的电流值即为所测得的泄漏电流值,为了是读数准确,应将微安表接在高电位处。
因为泄漏电流值与变压器的绝缘结构、温度等因素有关,所以在《规程》中也不作规定。在判断时要与历年测量结果的比较,一般情况下,当年测量值不应大于上一年测量值的150%,同时还应与同类型的变压器的泄漏电流比较。对500kV变压器的泄漏电流不作规定,但一般不大于30μA。
测量变压器的介质损耗角正切值tanδ主要用来检查变压器整体受潮、釉质劣化、绕组上附着油泥及严重的局部缺陷等,是判断31.5MVA以下变压器绝缘状态的一种较有效的手段。测量变压器的介质损耗角正切值是将套管连同在一起测量的,但是为了提高测量的准确性和检出缺陷的灵敏度,必要时可进行分解试验,以判明缺陷所在位置。
表1-4给出了《规程》规定tanδ测量值,测量结果要求与历年数值进行比较,变化应不大于30%。当采用ZC-221介质损耗测试仪测量时,对于工作电压10kV及以上的绕组,试验电压为10kV;对于工作电压为10kV及其以下的绕组,试验电压为额定电压。当采用M型试验器时,试验电压通常采用2500V。
| 变压器电压等级 | 330~500kV | 66~220kV | 35kV及以下 |
| tanδ | 0.6% | 0.8% | 1.5% |
测量温度以顶层油温为准,尽量使每次测量的温度相近。测量应尽量在油温低于50℃下进行,不同温度下(t1、t2)的tanδ值(tanδ1、tanδ2)可按如下工程简化公式进行换算:
tanδ2=tanδ1×1.3(t2-t1)/10
变压器介质损耗角正切测量结果常受表面泄露和外界条件(如干扰电场和大地条件)的影响,应采取措施减少和消除这种影响。
(1) 介质损耗测试仪
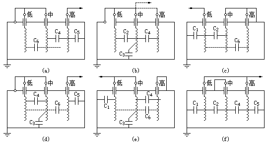
由于变压器外壳均直接接地,所以多采用ZC-221介质损耗测试仪的反接法进行测量。对双绕组和三绕组变压器的测量部位见表1-5。
| 双绕组变压器 | 三绕组变压器 | ||||
| 序号 | 测量端 | 接地端 | 序号 | 测量端 | 接地端 |
| 1 | 高压 | 低压+铁芯 | 1 | 高压 | 中压、铁芯、低压 |
| 2 | 低压 | 高压+铁芯 | 2 | 中压 | 高压、铁芯、低压 |
| 3 | 高压+低压 | 铁芯 | 3 | 低压 | 高压、铁芯、中压 |
| 4 | 高压+低压 | 中压、铁芯 | |||
| 5 | 高压+中压 | 低压、铁芯 | |||
| 6 | 低压+中压 | 高压、铁芯 | |||
| 7 | 高压+中压+低压 | 铁芯 | |||
对双绕组变压器测量tanδ及C时,接线如图1-1所示。从上述接线方式中可以清晰地看出,测量所得的数据并不是各绕组的tanδ和C,需要在测量后进行计算。

对于三绕组变压器测量C及tanδ的接线方式如图1-2所示。


可以推导出变压器各绕组对地和变压器绕组间的C和tanδ
(2) 非平衡电桥测量法
用非平衡电桥测量(M型介质试验器)双绕组和三绕组变压器的tanδ,其测量顺序和方法按表1-6所示方法进行。测量时M型介质试验器的试验电压均为2500V。
| 双绕组变压器 | 三绕组变压器 | ||||||
| 序号 | 测量部位 | 屏蔽绕组 | 序号 | 测量部位 | 屏蔽绕组 | ||
| 测量端 | 接地端 | 测量端 | 接地端 | ||||
| 1 | 高压 | 低压 | -- | 1 | 高压 | 低压 | 中压 |
| 2 | 高压 | -- | 低压 | 2 | 高压 | -- | 低压、中压 |
| 3 | 低压 | 低压 | -- | 3 | 低压 | 中压 | 高压 |
| 4 | 低压 | -- | 低压 | 5 | 低压 | -- | 高压、中压 |
| 5 | 中压 | 高压 | 低压 | ||||
| 6 | 中压 | -- | 高压、低压 | ||||
| 7 | 全部 | -- | -- | ||||
在双绕组变压器中,试验2直接测出高压-地的tanδ,试验4直接测出低压-地的tanδ。若试验1、2、3、4所测量的视在功率分别为S1、S2、S3、S4,有功功率分别为P1、P2、P3、P4,则高压-低压之间的tanδ=(S1-S2)/(P1-P2)=(S3-S4)/(P3-P4)。
在三绕组变压器中,试验2、4、6可直接测出高压、低压、中压对地的tanδ。若试验1、2、3、4、5、6所测得的视在功率分别为S1、S2、S3、S4、S5、S6,有功功率分别为P1、P2、P3、P4、P5、P6,则高压-低压之间的tanδ=(S1-S2)/(P1-P2),低压-中压之间的tanδ=(S3-S4)/(P3-P4),中压-高压之间的tanδ=(S5-S6)/(P5-P6)。
在电气试验中容易出现的错误接线分析
根据《电力设备预防性试验规程》(DL/T596-1996)的规定,介质损耗测试仪测量电力变压器绕组介质损耗因数的正确接线。其被试绕组短接加高压,非被试绕组短接接地,以避免因绕组电感的影响而造成各侧绕组端部和尾部电位差较大,影响测量的准确度。
常见的错误接线为绕组不短接。应用等值电路分析可知,所测得的介质损耗因数tanδ’大于实际值tanδ。当绕组两端短接后再加压时,则由于电容电流在电感性绕组内方向相反,产生相互抵消的磁通,即电感L值极小,将不致产生太大的误差。现场曾对某6.3MVA、220kV电力变压器在不同接线的测量结果下表,绕组不短接测得的介质损耗因数,明显大于绕组短接后的测量值。
| 相别 | 单独套管tanδ/(%) | 绕组短接tanδ/(%) | 绕组开路tanδ/(%) | 备注 |
| A | 0.3 | 0.3 | 1.8 | 中部出线 |
| B | 0.4 | 0.3 | 1.3 | |
| C | 0.3 | 0.2 | 1.1 |
交流耐压试验是鉴定绝缘强度最有效的方法,特别对考核主绝缘的局部缺陷。如绕组主绝缘受潮、开裂、绕组松动、绝缘表面污染等,具有决定性作用。
交流耐压试验对于10kV以下的电力变压器每1~5年进行一次;对于66kV及以下的电力变压器仅在大修后进行试验,如现场条件不具备,可只进行外施工频耐压试验;对于其他的电力变压器只在更换绕组后或必要时才进行交流耐压试验。
| 额定电压(kV) | 最高工作电压(kV) | 线端交流耐压值(kV) | 中性点交流耐压值(kV) | ||
| 全换绕组 | 部分换绕组 | 全换绕组 | 部分换绕组 | ||
| <1 | ≤1 | 3 | 2.5 | 3 | 2.5 |
| 3 | 3.5 | 18 | 15 | 18 | 15 |
| 6 | 6.9 | 25 | 21 | 25 | 21 |
| 10 | 11.5 | 35 | 30 | 35 | 30 |
| 15 | 17.5 | 45 | 38 | 45 | 38 |
| 20 | 23.0 | 55 | 47 | 55 | 47 |
| 35 | 40.5 | 85 | 72 | 85 | 72 |
| 66 | 72.5 | 140 | 120 | 140 | 120 |
| 110 | 126 | 200 | 170(195) | 95 | 80 |
| 220 | 252 | 300/395 | 306/336 | 85(200) | 72(170) |
注:(1) 定期试验按部分换绕组电压值;
(2) 括号内数值用于不固定接地或小电流接地系统;
(3) 干式变压器定期试验按出厂值85%进行。
在变压器注油后进行试验时,需要静置一定时间。通常500kV变压器静置时间大于72h,220kV变压器静置时间大于48h,110kV变压器静置时间大于24h。
出厂试验电压标准同全部更换绕组的电压标准,而大修后的试验电压标准同部分更换绕组后试验电压标准。
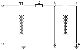
进行交流耐压试验时,被试变压器的正确接线方式是被试绕组所有套管应短路连接(短接)并接高压,非被试绕组也要短接并可靠接地,如图1-3所示,图中只画出了一组绕组。
当进行交流耐压试验时,变压器的连接方式不正确,可能损坏被试变压器绝缘。
在变压器交流耐压试验时,除了发生击穿可以判断变压器存在绝缘故障外,还可以根据试验过程中的一些异常现象来判断是否存在隐含的绝缘缺陷:
(1)在试验变压器升压阶段或持续时间阶段,发生清脆、响亮的“当”、“当”放电声音,这种声音很像金属物撞击油箱的声音,这往往是由于油隙距离不够或者是电场畸变等所造成的油隙一类绝缘结构击穿所致。而且此时还伴有放电声,电流表指示值产生突变。当重复进行试验时,放电电压下降并不明显。
(2)试验中,若发生较小的“当”、“当”放电声,且仪表摆动不大,在重复试验时放电现象却消失了。这往往是变压器油中有气泡,在电场力的作用下,可能形成一条一定长度的很狭窄的气隙通道,由于气泡的耐电强度比油低,当气隙通道发展到一定长度时,将可能导致气隙通道击穿,最后导致变压器油击穿。如果变压器油中气泡不多,气隙通道放电后缩短了,这时气泡被击穿后,变压器油可能不再击穿。这种局部击穿所出现的放电声音,可能是轻微、断续的,电流表的指示值也不会变动。由气泡所引起的无论是贯穿性的或者是局部性的放电,在重复试验中可能会消失,因为在放电后,气泡容易从上部逸走。
(3)在加压过程中,变压器内部有炒豆般的放电声,而电流表的指示值还很稳定,这可能是由于悬浮的金属件对地放电所致。在制造过程中,铁心可能没有和夹件通过金属片连接,使铁心在电场中悬浮,由于静电感应的作用,在一定电压下,铁心对接地的夹件就开始放电。
油浸变压器在运行中会受到电、热、机械力、化学腐蚀和光辐射等外界因素的影响,致使变压器油和纤维材料逐渐老化变质,分解出微量水分。
由于密封不严,潮气和水分也会进入油箱内,使油中的水分逐渐增多。
当水分含量超过一定限度时,就会使绝缘性能明显下降,甚至危及变压器安全。若油中不含固体杂质,当油的含水量在40ppm(1ppm=10-6)以下时,一般具有非常高的击穿强度,而当油中含水量超过100ppm时,或当油中存在固体杂质,含水量为5ppm时,其击穿强度都将下降到很低,有的还可能成为引起绝缘破坏的直接原因。
测量绝缘电阻、泄漏电流和tanδ可以定性判定变压器绝缘是否受潮,但不能直接定量地测定变压器油纸中含水量。目前常见的定量测量变压器微量水分含量的方法有:气相色谱法、库仑法。
《规程》规定了变压器油中微水含量值,见表1-9所示,对运行时的变压器应尽量在顶层油温高于50ºC时采样。
| 油 样 | 66~110kV | 220kV | 330~500kV |
| 投运前的变压器油 | ≤20 | ≤15 | ≤10 |
| 运行中的变压器油 | ≤35 | ≤25 | ≤15 |
变压器内部绝缘结构主要采用油纸绝缘,其绝缘结构较复杂,在设计过程中可能造成局部区域场强过高;变压器在测量过程中可能导致绝缘中含有气泡和较多的水分,在运行过程中油纸劣化可分解出气泡,机械振动和热胀冷缩可造成局部开裂也会出现气泡等等,这些情况都会导致在较低外施电压下发生局部放电。
变压器放电脉冲是沿绕组传播的,放电脉冲波沿绕组传播的衰减随测量频率的增加而增大。对于变压器来说,油中放电对绝缘损坏是主要的,而油中放电时延较长、低频分量较大。
电力变压器中局部放电可分为:
(1) 绕组中部油-屏障绝缘中油道击穿;
(2) 绕组端部油道击穿;
(3) 接触绝缘导线和纸板(引线绝缘、搭接绝缘、相间绝缘)的油间隙击穿;
(4) 引线、搭接纸等油纸绝缘中局部放电;
(5) 线圈间(纵绝缘)的油道击穿;
(6) 匝间绝缘局部击穿;
(7) 纸板沿面滑闪放电。
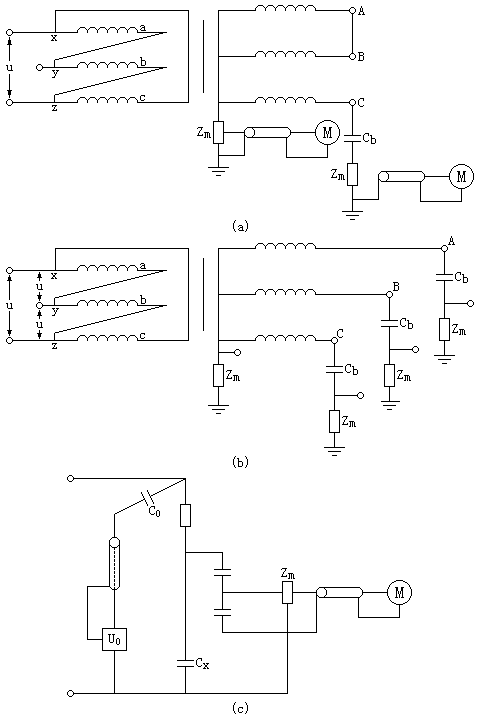
变压器局部放电测量主要包括三种情况:单相励磁变压器、三相励磁变压器和变压器套管抽头的测量,它们测量的基本接线如图1-6所示。

《规程》规定,对220kV及以上的变压器在大修后、220kV及以上或120MVA及其以上的变压器更换绕组后和必要时进行局部放电试验。变压器局部放电试验采用分段升压的方式,试验时首先将试验电压升到U1=1.3Um/√3或U1=1.5Um/√3保持5min,并在此电压下进行局部放电测量,然后将试验电压加到U2=Um保持5s,然后将电压加到U1,保持30min,并进行测量。其中Um为变压器最高工作电压,在U1=1.5Um/√3下的放电量应不大于500pc,在U1=1.3Um/√3下的放电量应不大于300pc。
在电压升至U1及由U1再下降的过程中,应记录起始、熄灭放电电压。在整个试验过程中,应连续观察放电波形,并按一定的时间间隔记录放电量。在整个试验期间试品不发生击穿,在U1的第二阶段的30min内,所有测量端子测得的放电电量连续地持续在允许的限值内,并无明显的增长趋势,则试品合格。如果放电量曾超出允许限值,但之后有下降并低于允许的限值,则试验继续进行,直到30分钟的期间内局部放电量不超过允许的限值,试品才合格。
在加压前,观察未接通高压电源及接通高压电源后是否存在较大的干扰,试验前记录所有测量电路上的背景噪声水平,其值应低于规定的视在放电量的50%。
消除变压器局部放电测试现场的干扰,对准确测量至关重要。变压器现场试验的干扰有两种情况:一种是试验回路未通电前就存在干扰,其主要来源于试验回路以外的其他回路中的开关操作、附近高压电场、电机整流和无线电传输等;另一种是在试验回路通电后产生的干扰,这种干扰包括试验变压器本身的局部放电、高压导体上的电晕或接触不良放电,以及低压电源测局部放电、通过试验变压器或其他连线耦合到测试回路中的干扰等。对来自电源的干扰,可采用在高压试验变压器的初级设置低通滤波器、电源侧加装屏蔽式隔离变压器、试验变压器的高压端设置高压低通滤波器的方法。对于高压段部电晕放电,可采用合适的无晕环(球)及无晕导杆作为高压连线。对于接地干扰,必须采用整个试验回路一点接地方式。
在实验过程中遇到的主要干扰有:
(1) 高压端部和引线的电晕放电。波形特点是在试验电压的负半波出现刷状放电脉冲。
(2) 试验变压器的局部放电。其波形与被试变压器的放电波形一致,需要采用更高额定电压的试验变压器。
(3) 悬浮放电干扰。需要采用清理现场的方法抑制悬浮放电。
(4) 充油套管表面放电。需要从法兰到伞群之间的瓷表面刷半导体漆。