电力变压器绕组直流电阻的检测是一项很重要的试验项目,DL/T596-1996预试规程的试验次序排在电力变压器试验项目的第二位。
1.规程规定它是电力变压器大修时、无载开关调级后、电力变压器出口短路后和1~3年一次设备的必试项目。
2.可有效的考核绕组纵绝缘和电流回路连接状况,能够反映绕组匝间短路、绕组断股、分接开关接触状态以及导线电阻的差异和接头接触不良等缺陷故障。是判断各相绕组直流电阻是否平衡、调压开关档位是否正确的有效手段。
电力变压器绕组直流电阻正常情况下1~3年检测一次。但有如下情况必须检测:
(1)无励磁调压电力变压器变换分接位置后必须进行检测;
(2)有载调压电力变压器在有载分接开关检修后必须对所有分接进行检测;
(3)电力变压器大修后必须进行检测;
(4)必要时进行检测。如电力变压器经出口短路后必须进行检测。
电力变压器容量在1.6MVA及以上,绕组直流电阻相互间差别不应大于2%;无中性点引出的绕组线间差别不应大于三相平均值的1%。
容量在1.6MVA以下,相间差别一般不大于三相平均值的4%;线间差别一般不大于三相平均值的2%。
与以前相同部位测得值比较其变化不应大于2%;如直流电阻相间差在电力变压器出厂时超过规定,制造厂已说明了这种偏差的原因,也以变化不大于2%考核。
不同温度下的电阻值应换算到同一温度下进行比较,并按下式换算:
R2=R1[(T+t2)/(T+t1)]
式中:R1、R2——分别为温度t1、t2时的电阻值;T—常数,其中铜导线为235,铝导线为225。
一般使用电压降法和电桥法。对于大型电力变压器,其电感非常大,为了加快测量速度,可采用ZC-205A直流电阻测试仪测量。
电力变压器绕组是由分布电感、电阻及电容组成的复杂电路。测直流电阻是在绕组的被试端子间通以直流,待瞬变过程结束、电流达到稳定后,记录电阻值及绕组温度。测直流电阻的关键问题是将自感效应降低到最小程度。为解决这个问题分为以下两种方法。
助磁法是迫使铁心磁通迅速趋于饱和,从而降低自感效应,归纳起来可缩短时间常数,大体有以下几种方法:
(1)用大容量蓄电池或稳流源通大电流测量。
(2)把高、低压绕组串联起来通电流测量,采用同相位和同极性的高压绕组助磁。由于高压绕组的匝数远比低压的多,借助于高压绕组的安匝数,用较小的电流就可使铁心饱和。
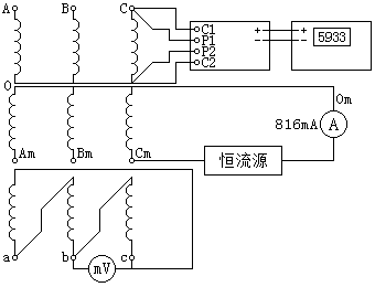
(3)采用恒压恒流源法的ZC-205A直流电阻测试仪。使用时可把高、低压绕组串联起来,应用双通道对高、低压绕组同时测量,较好地解决了三相五柱式大容量电力变压器直流电阻测试的困难。一般测试一台360MVA,500kV或220kV电力变压器绕组直流电阻约需30~40min,测量接线如图1-1所示。

消磁法与助磁法相反,力求使通过铁心的磁通为零。使用的方法有两种:
(1)零序阻抗法。该方法仅适用于三柱铁心Y-N连接的电力变压器。它是将三相绕组并联起来同时通电,由于磁通需经气隙闭合,磁路的磁阻大大增加,绕组的电感随之减小,为此使测量电阻的时间缩短。
(2)磁通势抵消法。试验时除在被测绕组通电流外,还在非被测绕组中通电流,使两者产生的磁通势大小相等、方向相反而互相抵消,从而保持铁心中磁通趋近于零,将绕组的电感降到最低限度,达到缩短测量时间的目的。其测量接线如图1-2所示。
