消弧线圈装置一般包括消弧线圈、接地变压器、控制器三部分。对于消弧线圈、接地变压器、阻尼变压器、控制器、消弧线圈装置的技术参数都有一定的要求。
接地变压器为三相变压器,如图1-1所示,常用来为不接地系统提供一个人工的、可带负载的中性点,以供连接中性点设备使用。

接地变压器通常采用Z型接线,与普通变压器的区别是每相绕组分别绕在两个磁柱上,这样连接的好处是零序磁通可沿磁柱流通,所以Z型接地变压器的零序阻抗很小(10Ω左右/相),而普通变压器要大得多。因此规程规定,用普通变压器带消弧线圈时,其容量不得超过变压器容量的20%,而Z型变压器则可带90%~100%容量的消弧线圈。接地变压器除可带消弧线圈外,也可带二次负载,替代站用变压器,这样,可使接地变压器与站用变压器合二为一,既减少了损耗和建筑物面积,又节省了投资。
由于三个同芯绕组构成的安匝相反的三个系统,且A、B、C三相提供的零序电流同向,故每相的零序磁势近乎为零(由于每柱两绕组间有漏磁通道,零序阻抗不可能为零),相对于变压器的短路阻抗来讲零序阻抗要小得多。
对于ZN型接地变压器,通常可带一个二次绕组,组成ZNyn11或ZNyn1连接组别,供变电站站用电,起到了一台变压器两种功用的效果。
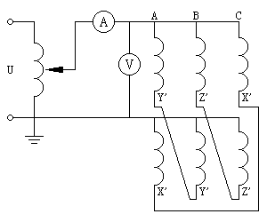
接地变压器零序阻抗是接地变压器的一个重要的参数,要求每相不大于9Ω,否则,接地变压器的零序阻抗太大会造成单相接地故障时,零序阻抗上分压过大,施加在消弧线圈上的电压过低,消弧线圈达不到额定出力。因此消弧线圈投运前要先测接地变压器零序阻抗。测量接线图如图1-2所示。变压器短路阻抗测试仪

测量时,按图接线,然后读取电压表和电流表的读数,则接地变压器的零序阻抗值为:
Z=U/I
将测量结果和接地变压器的铭牌参数相比,看接地变压器的零序阻抗达到出厂要求没有或接地变压器的零序阻抗符不符合现场试验要求。