20kV及以下电压等级的电压互感器,多采用干式固体夹层绝缘结构。但也有一部分是户内用的油浸式夹层绝缘结构。对于它们的绝缘试验和电流互感器基本相同,但根据现场的实际需要,有时增加感应耐压试验。
35~66kV电压等级的电压互感器应进行绝缘电阻测试、交流耐压(串级绝缘不能进行)、感应耐压、介质损失正切值(tanδ)等项试验。
66kV以上电压等级的电压互感器还应增加绝缘油中溶解气体分析试验。
上述各项试验方法,可参考变压器试验和绝缘油试验的有关项目。唯有对串级式电压互感器的tanδ值测量要采取另外的接线才能得到正确的判断。
有高压标准电容器自激法、电容式电压互感器的试验方法、低压标准电容器自激法、末端屏蔽法。根据现场具体情况选用测量方法。
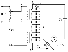
采用高压交流电桥,高压标准电容器自激法测量串级式电压互感器的tanδ值接线如图1-1所示。图中A-X为两元件铁芯串接高压侧绕组的出线端,a-x为低压侧绕组出线端,ad-xd为低压侧辅助绕组出线端。图中利用电压互感器本身作为试验变压器,套管和绕组的对地电容作为Cx。这种线路的电压分布与电压互感器工作时一致。所以避免了高压侧绕组靠近低压端的容量大,造成主要反映低压端介质损失的缺点。如能采用更高电压的标准电容器,使自激电压达到额定值,就更接近实际。如国产的250kV六氟化硫标准电容器,就能够满足110kV及220kV的电压互感器在工作电压下用自激法测tanδ的试验。试验方法和用QS1型电桥对角接线法测量tanδ的方法完全一样,由于桥体处于低压端,所以标准电容器可以选用更高电压等级的,以满足电压互感器的测量要求。

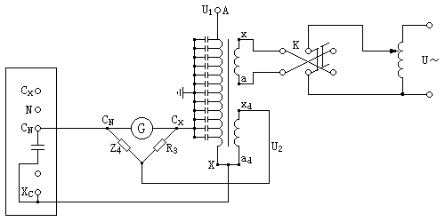
如图1-2所示,利用QS1型桥体内的标准电容做电桥的标准臂,对串级式互感器进行自激测量tanδ值。

由图1-2可知,电桥的供电是取自辅助绕组端子上所感应的电压,标准电容桥臂承受的电压较低,此时辅助绕组的负荷很小,U1和U2向量基本上是重合的,经验证明他们之间的角差影响可以忽略不计。
不管用高压标准电容器自激法,还是用低压标准电容器自激法,在测量串级式互感器的值时,仍然避免不了强电场的干扰影响。其干扰源,一个来自互感器高压侧外界电场(附近的高压设备),一个来自二次侧激磁系统。前者可采用高压屏蔽的办法消除,具体办法参考变压器的试验,后者可将调压装置的接地点尽量靠近滑动接点。另外还可以配合调换自激电源的相位,使干扰减少到最小程度。
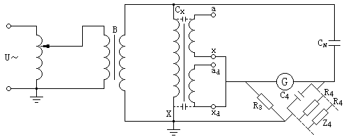
如图1-3所示,同样可以利用QS1型高压电桥进行测量,并需用高压试验变压器B,在被试电压互感器的高压侧激磁,同时供给电桥电源。低压末端接地,低压绕组也处于较低电位,这样基本上避免了小套管因受潮和脏污对测量值的影响。可见,末端屏蔽法的接线只能测出和低压绕组及辅助绕组直接耦合的高压绕组部分的tanδ值。末端屏蔽法同样有电源系统和外界电场的干扰问题,其防止措施和自激法相同。

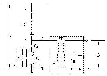
电容式电压互感器接线如图1-4所示,由电容分压器(包括主电容器C1,分压电容器C2)、中间变压器(即中间互感器YH)、共振电抗器L1、载波阻抗器L2及阻尼电抗器R等元件组成。

其介质损失角tanδ值的测试,可分单元件试验。例如,对电容器,可照电力电容的要求进行试验;对中间变压器,可选用“自激法”或“末端屏蔽法”均可得到有效的结果。
由武汉致卓测控研发生产的PTA-2000C电容式电压互感器测试仪是在传统基于调压器、升压器、串联谐振的互感器校验装置的基础上,广泛听取用户意见、经过大量的市场调研、深入进行理论研究之后研发的新一代革新型PT测试仪器。装置采用高性能DSP+FPGA以及先进的ARM工控机、先进的制造工艺,保证了产品性能稳定可靠、功能完备、自动化程度高、测试效率高、在国内处于领先水平,是电力行业用于互感器的专业测试仪器。PTA-2000C电容式电压互感器测试仪有以下特点:
(1)单台仪器即可实现电容式PT(CVT)、电磁式PT的误差测试,无需谐振升压装置、标准电压互感器、负载箱、校验仪等设备,大大降低了现场校验误差的工作量。
(2)测试范围宽,能测试电压等级为6kV~800kV电磁式电压互感器。
(3)内部采用0.01级的标准电压互感器,采用测差法测试互感器的低压误差;利用变频测试技术得到工作区间的励磁特性曲线,结合低压实测的误差值用外推法分析出互感器整个工作量程的误差。仪器的测试等级可达到0.05级。测试过程中,最大产生不超过3kV的测试电压,保证现场测试的安全性。
(4)测试接线简单,操作简单易学,只需根据引导提示操作即可轻松完成互感器校验工作,大大提高了测试效率。
(5)具有智能判断外部接线状况,提示接线错误、变比、极性错误等。
(6)自动对测试数据进行化整,并判断是否超差,超差数据使用反色显示,对互感器的数据特性直观明了。
(7)大规模存贮器可存储现场测试数据多达10000条。
(8)采用铝型材机箱,具备良好的抗干扰性,并且保障现场高压试验时的操作人员安全和设备安全。
(9)采用高分辨率大尺寸8寸真彩色液晶显示,户外强光下清晰显示,带有触摸屏辅助操作,简单快捷。