系统电容电流是指系统在没有补偿的情况下,发生单相接地时通过故障点的无功电流。测量方法很多,这里介绍几种常用的方法。
单相金属接地又分为投入消弧线圈补偿接地和不投入消弧线圈两种。
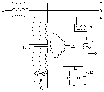
不投入消弧线圈(即中性点不接地)的单相金属接地测量,其接线如图1-1所示,图中,QF为接地断路器;TV为测量用电压互感器;TA1、TA2为保护和测量用电流互感器;W为低功率因数功率表,用以测量接地回路的有功损耗;TA1的1、2端子接QF的过流保护。电流、电压向量图如图1-2所示。


试验是在系统单相接地下进行的,当系统一相接地时,其余两相对地电压升为线电压。因此,在测量前应消除绝缘缺陷,以免在电压升高时非接地相对地击穿,形成两相接地短路事故。为使接地断路器能可靠切除接地电容电流,须将三相触头串联使用,且应有保护。若测量过程中发生两相接地短路,要求QF能迅速切断故障,其保护瞬时动作电流应整定为IC的4~5倍。
合上接地断路器QF,迅速读取图中所示各表计的指示数值后,接地开关应立即跳闸。 所用表计均不得低于0.5级。测量功率,应用低功率因数功率表。由于三相对地电容不等,一相单相接地难以测得正确的阻尼率,需三相轮流接地测量,取三次测量结果的算术平均值。
测量结果的计算:
Icp=P/Ù0
Icq=√(I2C-I2cp)
d%=Icp/Icq×100%
上三式中 Icp——接地电流的有功分量(安);
Icp——接地电流的无功分量(安);
Ic——系统总接地电流(安);
P——接地回路的有功损耗(瓦);
Ù0——中性点不对称电压(伏);
d%——系统的阻尼率。
若测量时的电压和频率不是额定值,则需将测得的电流 折算到额定电压和额定频率下的数值,即
ICe=IC×(Ue/Uav)×(ƒe/ƒ)
式中 ICe——电压和频率为额定值时的系统接地电容电流(安);
ƒe——额定频率(赫兹);
Ue——额定电压(伏);
Uav——三相电压(线电压)的平均值(伏)。
由于这种方法,在测量过程中,非接地两相的电压要升高,一旦发生绝缘击穿,接地断路器虽能切断短路,但由于没有补偿,另一接地点的电弧如不能熄灭,可能扩大事故。同时由于单相接地产生负序分量,接地电流中将有较大的谐波分量,影响测量结果的准确度,所以一般不采用这种方法。
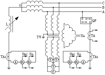
中性点投入消弧线圈时,利用单相金属接地,测量系统的电容电流的原理接线如图1-3所示。图中1、2端子接过流保护,其值整定为接地电流的4~5倍,瞬时跳闸。接地时的电流电压向量图如图1-4所示。


按图1-3的试验接线,测量出补偿电流和残余电流回路的有功功率及无功功率,从而计算出补偿电流、残余电流的有功分量及无功分量、系统的电容电流和阻尼率。
测量结果的计算:

式中 I'CP——残余电流的有功分量(安);
I'cq——残余电流的无功分量(安);
ILP——补偿电流的有功分量(安);
ILq——补偿电流的无功分量(安);
ICP——电容电流的有功分量(安);
Icq ——电容电流的无功分量(安);
Ic——电容电流的有效值(安);
P1、P3——功率表W1、W3测的残余电流和补偿电流回路的有功功率(瓦);
Q2、Q4——功率表W2、W4测的残余电流和补偿电流回路的无功功率(乏);
d%——被测系统的阻尼率;
K1、K2——电流互感器LH1、LH2的变流比。
这种测量方法,比不投入消弧线圈的金属接地安全准确,也更符合实际运行状态。其注意事项:
(1)试验前应消除系统的绝缘缺陷;
(2)试验中所用仪表应不低于0.5级,电压、电流互感器不低于1级;
(3)接地断路器三相触头串联使用,并有两相接地保护,其动作电流整定为单相接地电容电流的4~5倍,瞬时跳闸;
(4)测试时,系统只保留测量用的一台消弧线圈,其余的应退出运行;
(5)根据估计或用其他方法测量的系统电容电流,确定测试用消弧线圈的分头,使其尽量靠近(不能达到)全补偿状态;
(6)如果测量时系统的电压和频率不是额定值,则计算出的电容电流,应按前面相同的方法折算为额定电压及额定频率时的电流。
中性点外加电容法测量系统的电容电流,是在系统无补偿的情况下,在变压器的中性点对地接入适当的电容量,测量中性点的对地电压,然后用计算的方法间接得到系统的电容电流。外加电容一般取系统估算的对地电容C=(CA+CB+CC)的1/2倍、1倍、2倍。在每个电容下测量一次中性点的对地电压(位移电压),根据系统的不对称电压和测得的各个位移电压,计算系统的电容电流,然后取这些电流的平均值作为该系统的电容电流。中性点外加电容等值电路如图1-5所示。

由于三相对地电容CA、CB、CC和外加电容Co的损耗电阻很小,可以忽略不计。对中性点用基尔霍夫第一定律,可得中性点位移电压Ù01,即
(ÙA+Ù01)jωCA+(ÙB+Ù01)jωCB+(ÙC+Ù01)jωCC=0
ÙACA+ÙBCB+ÙCCC+(CA+CB+CC)Ù01=0
于是Ù01=-(ÙACA+ÙBCB+ÙCCC)/(CA+CB+CC+C0) (13-14)
当C0=0时,中性点电压即是不对称电压
Ù0=-(ÙACA+ÙBCB+ÙCCC)/(CA+CB+CC) (13-15)
将式(13-14)除以式(13-15)得
Ù01/Ù0=(CA+CB+CC)/(CA+CB+CC+C0)
因为C=(CA+CB+CC)
所以Ù01=Ù0[C/(C+C0)];C=(C0Ù01)/(Ù0-Ù01) (13-16)
系统电容电流为IC=ωCUφ (13-17)
式(13-16)及式(13-17)中的C为系统对地电容,由式(13-17)可见,根据外加电容C0和测出的中性点不对称电压U0及位移电压U01,便可计算出系统的电容电流IC。
从式(13-17)还可知,C与系统频率无关,即使中性点有高次谐波电压,也不影响测量结果。因此,中性点外加电容法是现场常用的测量方法,其原理接线如图1-6所示。

图中K1为中性点开关;K2为静电电压表V的开关;K3为外加电容C0的开关;C'为保护电容,电容量为几千微微法,电压不低于被试系统的相电压;g为放电管;外加电容C0的额定电压不低于2千伏。
测量步骤:
(1)按实际的试验接线图接入测量设备及静电电压表;
(2)合上K1、K2,读取中性点不对称电压U0;
(3)合上K3,即投入外加电容C0,读取此时中性点位移电压U001,读完立即断开K3;
(4)另接一预选的外加电容,再合上K3,读取此时中性点的位移电压U012、U013……等。照此方法,直至测完预选的外加电容下的每个位移电压后,立即断开K3、K2、K1。
根据测得的中性点位移电压,和在不同外加电容下测量的位移电压,按式(13-16)计算系统的三相对地电容C。取各次计算电容的平均值作为该系统的对地电容,然后以电容平均值按式(13-17)计算系统的电容电流IC。
测量时,操作人员应带绝缘手套并站在绝缘垫上。