当发生接地故障时,若出现过高的接触电压或跨步电压,可能发生危及人身安全的事故。所以对电压在1000V以上的电气设备,应测量其接触电压和跨步电压。在发电厂和变电所附近地区还应测量地面的电位分布。
一般将距接地设备水平距离为0.8m处,及沿该设备外壳(或构架)垂直于地面的距离为1.8m的两点间的电压,称为接触电压,人体接触该两点时就要承受接触电压。测量接触电压,即测量这两点之间的电压如图15-11所示。
人的跨步约为0.8m,所以在接地体径向地面上水平距离为0.8m两点间的电压,称为跨步电压。人体两脚接触该两点时,就要承受跨步电压。
测量电压分布和跨步电压,应该选择经常有人出入的地区进行。距接地体最近处,其测量间距约为0.8m,测量点数可选5~7点,以后的间距可增大到5~10m,一般测到25~50m远处即可。
测量用的接地极,可用直径8~10mm,长约300mm的圆钢,埋入地中50~80mm,若在混凝土或砖块地面测量时,可用26cm×26cm的铜板或钢板作接地体。为使铜板或钢板与地接触良好,铜板或钢板上可压重物,板下的地也可用水浇湿。
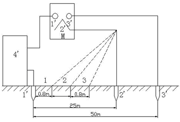
测量设备接触电压的试验接线如图1-1所示。
加上电压后读取电流和电压表的指示值,它表示当接地体流过电流为I时的接触电压。然后按下式推算出当流过大电流Imax时的实际接触电压
Ue=U(Imax/I)=KU
式中 Ue——接地体流过电流为Imax时的设备接触电压;
U——接地体流过电流I时实测的接触电压,V;
K——系数,其值为Imax/I;
Imax——发生接地时通过接地体的最大电流;
I——测量时的实际电流。

测量电位分布和跨步电压的接线,如图1-2所示。

按图1-2(a)加电压使流入接地体的电流为I时,将电压极为2’插入零电位0处,即在该点对接地体1’往外延伸时,其电位差不再增加,此时,如沿直线方向朝接地体1’移动,并取等距离逐点测得电压Un,Un-1,…,U3,U2,U1。然后,以Ug分别减去各点测得的电压值,即得出各点(对零电位点0)的电位分布,如图1-2(b)所示。接地体流过大电流Imax时的实际电位,应乘以系数K确定。
得出各点的电位,相距0.8m两点间的跨步电压为
Ua=K(Un-Un-1)
式中 Ua——任意相距0.8m两点间的实际跨步电压,V;
Un-Un-1——任意相距0.8m两点间测量的电位差,V;
K——系数,接地体流过的大电流Imax与测量时通入的电流之比。
用接地电阻测试仪测量电位分布和跨步电压的接线,如图1-3所示。

按测量接地电阻的方法,测得接地体的电阻Rg,然后将电压极2’移至1,2,…,n各点,依次得r1,r2…,rn,由此得
Ue=r1(Umax/Rg)
Un=Umax(1-rn/Rg)
Uk=(rn-rn-1)(Umax/Rg)
式中 Ue——接触电压,V;
Un——任意点n的电位,V;
Uk——跨步电压,V;
Umax——流经接地体的实际大电流为Imax时的对地电压,其值等于大电流与接体电阻Rg的乘积,V;
Rg——接地电阻,Ω;
Rn、rn-1——电压极置于距接地体0.8m的位置的1时,所测得的接地电阻。
r1——电压极置于距接地体的0.8m的位置1时,所测得的接地电阻。
在大接地短路电流系统发生单相接地或同点两相接地时,发电厂、变电所,电气设备接地置的电压和跨步电压不应超过下列数值
Ue=(174+0.17ρƒ)/√t
Uk=(174+0.17ρƒ)/√t
式中 Ue——接触电压,V;
Uk——跨步电压,V;
ρƒ——人脚站立处面的土壤电阻率,Ω•cm;
t——接地短路(故障)电流的特续时间,S0。
在3~66kV不接地,经消弧线圈接地和高电阻接地系统,发生单相地故障后,当不迅速切除故障时,此时发电厂、变电所接地的装置的接触电压和跨步电压不应超过下列数值。
Ue=50+0.5ρƒ
Uk=50+0.2ρƒ
在条件特别恶劣的场所,例如水田中,接触电压和跨步电压的允许值宜适当降低。