根据接地电阻的意义,接地电阻是电流I经接地体流入大地时接地电位U和I的比值。因此,为了测量接地电阻,首先在接地体上注入一定的电流。如图1-1所示。
为简化计算,设接地体为半球形,在距球心X处的球面上的电流密度为
J=1/2πX2
式中 J——距球心为X处的球面上电流密度,A/m2;
I——接地体入地的电流;
X——距球心的距离。

我们知道,电场强度E=Jρ,ρ为土壤电阻率而电场中任意两点间的电位差,等于电场强度在两点之间的线积分。设无穷无远处的电位为零,所以距离接地体球心x(x,rg)处所具有的电压为
U=∫∞x-Edx=∫∞x(-ρ/2πx2)dx=(ρι/πx)∞x (15-9)
由式(15-9)可知,电极1、2、之间出现的电位差为
U'=Iρ/2π(1/rg-1/d12) (15-10)
电极3使1、2、之间出现的电位差为
U”=Iρ/2π(1/d23-1/d13) (15-11)
1、2电极之间的总电位等于U'与U”之和,即
U=U'+U”=Iρ/2π(1/rg-1/d12+1/d23-1/d13)
即因此1、2极之间呈现的电阻Rg为
Rg=U/I=ρ/2π(1/rg-1/d12+1/d23-1/d13) (15-13)
接地体1的接地电阻实际值为
R=ρ/2πrg (15-14)
式中 R——接地体的实际电阻;
rg——接地体的半径;
要使测量的接地电阻Rg,等于接地体的实际接地电阻R,就必须使式(15-13)和式(15-14)两式相等,即
1/d23-1/d12-1/d13=0
当接地体为半球形,球形中心位已知,土壤的电阻率一致,镜像的影响忽略不计的情况下,电压极放在电流与被测接地体两者之间,距接地体0.618d13处,即可测得接地体的真实接地电阻值,此方法称为0.618法或补偿法。
但实际情况与此有出入,如接地体几乎没有半球形,大多数为管状、带状以及由管带形成的接地网。测量结果的差别程度随极间距离d13的减小而增大。但不论接地体的形状如何,其等位面距其中心越远,其形状就越接近半球形,并在论证一个电极作用时,忽略了另一个电极的存在,也只在极距d13足够大的情况下才真实。
实际的地网基本上是网格状,它介于圆盘和圆环两者之间,用上述论证方法,可以证明当接地体的圆盘(圆盘半径为r),电极布置采用补偿法时,其测量误差ξ为
ξ=2r/π[1/d23-1/d13-(1/r)sin-1r/d12)] (15-16)
将不同的d13代入式(15-13)可求得相应的测量误差,如表1-1所示,表中D为圆盘直径。
| 电极距离d13 | 5D | 4D | 3D | 2D | D |
| 误差ξ(%) | -0.057 | -0.089 | -0.216 | -0.826 | -8.2 |
由表1-1看出,用2D补偿法测量圆盘接地体的接地电阻时,其误差比较小(小于1%)。
如果地网是环形接地体,同理可证明,若采用补偿法,当接地导体的直径d=8mm,地网半径r=40m时,取不同的d13值,其相应的测量误差ξ,按式15-16计算的结果如表1-2所示。
| D13 | 5D | 4D | 3D | 2D |
| ξ(%) | -0.0322 | -0.0595 | -0.138 | -0.498 |
由表1-2看出,用2D(为圆环直径)补偿法测量圆环接地体的接地电阻时,其误差亦小于1%。所以对于实际的接地网,用2D补偿法测量接地电阻的误差均在1%以下。此时测量电极的布置是电流极距离地网中心d13=2D,电压极距地网中心是d12=0.618d13=1.235D。DL475—92《接地装置工频特性参数的测量导则》规定:当被测接地装置的面积较大而土壤电阻率不均匀时,为了得到较为可信的测试结果,建议把电流极离被测接地装置的距离增大,例如增大到10km,同时,电压极离被测接地装置的距离也相应增大。
如果在测量工频接地电阻时,d13取(4-5)D值有困难,那么当接地装置周围的土壤电阻率较均匀时,d13可以取2D值,d12取D值;当接地装置周围的土壤电阻不均匀时,d13可以取3D值,d12取1.7D值。
测量接地电阻的方法最常用的有电压、电流法,比率计法和电桥法。对大型接地装置如110kV及以上变电所接地网,或地网对角线D≥60m的地网不能采用比率计法和电桥法,而应采用电压、电流表法,且施加的电流要达到一定值,测量导则要求不宜小于30A。
采用电压、电流法测量接地电阻的试验接线如图1-2所示。这是一种常用的方法。施加电源后,同时读取电流表和电压表值,并按下式计算接地电阻,即
Rs=U/I (15-17)
式中 Rs——接地电阻,Ω;
U ——实测电压,V;
I ——实测电流,A。

图1-2中,隔离变压器T1可使用发电厂或变电所的厂用变或所用变50~200kV,把二次侧的中性点和接地解开,专作提供试验电源用;调压器T2可使用50~200kVA的移圈式或其它形式的调压器;电压表PV要求准确级不低于1.0级,电压表的输入阻抗不小于100kΩ,最好用的分辨率不大于1%的数字电压表(满量程约为50V);电流表PA准确级不低于1.0级。
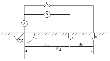
发电厂和变电所接地网接地电阻采用直线布置三极时,其电极布置和电位分布如图1-3所示,其原理接线如图1-4所示。

直线三极法是指电流极和电压极沿直线布置,三极是指被测接地体1、测量用的电压极2和测量用的电流极3。一般,d13=(4~5)D,d12=(0.5~0.6)d13,D为被测接地装置最大对角线的长度,点2可以认为是处在实际的零电位区内。
实验步骤如下:
(1)按图1-2接好试验接线,并检查无误。
(2)用调压器升压,并记录相对应的电压和电流值,直之升到预定值,比如60A,并记录对应的电压值。
(3)将电压极2沿接地体和电流极方向前后移动三次,每次移动的距离为d13的5%左右,重复以上试验;三次测得的接地电阻值的差值小于5%时即可。然后三个数的算术平均值,作为接地体的接地电阻。
如令λ=d12/d13,取λ=0.5时,λ2=0.7时,分别测得接地体的接地电阻为Rg1、Rg2、Rg3,则接地体的接地电阻Rg为
Rg=2.16 Rg1-1.9Rg2+0.73Rg3 (15-18)

如果d13取4-5D有困难时,在土壤电阻率较为均匀的地区可取d13=2D,d12=1.2D;土壤电阻率不均匀的地区可取d13=3D,d12=1.7D。