按有关规程的规定对母线、引线或架空输电线的接头进行连接。在连接或运行中需要进行质量检查时,应做交流接头电阻比或直流接头电阻比试验,或在额定电流下做温升试验。
测量电阻比的方法有交流电压降法和直流电压降法。
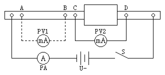
如图1-1(a)所示用直流法电压降法测量接头电阻比。取AB和CD的长度相等。测量时应先接通电流后,再接入毫伏表,这样是为了防止毫伏表损坏,断电源时的顺序则相反。接线时为避免给测量电压造成误差,应使电流回路的连接线远离电压测量点。
测得的接头电阻值应不大于等长导线的电阻。并要求档距内导线的机械强度,应不小于导线抗拉强度的90%。


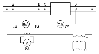
图1-1(b)所示为交流法测量接头电阻试验接线。
试验时与接头连接的导线截面应足够大,连接要牢固。通电流后先用温度计(或手触及)检查各接头的发热状态,选其温度较高者进行接头过渡电阻测量。
交流法测量的接头过渡电阻,应按下式计算,即:
R=U/I (10-15)
式中,R——接头过渡电阻(欧);
U——接头的电压降(伏);
I——通过接头的电流(安)。
用交流测量接头的电阻时,由于测量回路的电感和ZC-510大电流发生器绕组磁场的影响,可能引起较大的误差,因此需提高整流型毫伏表(mV)的电压,以减小测量误差。
在变电站采用交流测量接头的过渡电阻时,可用ZC-510大电流发生器作电源进行接头试验。测量时,采用小截面的导线作电压引线比用大截面的导线误差小。这是因为小截面导线的电阻大,电抗分量的影响相对较小。

在交流下测量接头电压降的回路中若测量引线围绕的面积(图1-2中的斜线部分)越大,则测量的过渡电阻的误差也越大。为了减小其误差要尽量减小测量电压回路围绕的面积。为此,应将测量电压的引线纽绕。并在接头两侧圆周的不同点进行测量(图1-2中用虚线部分表示),以便互相比较判断接头质量。
做接头温升试验时,可按图1-1(b)接线,通入电流后,测量接头和环境的温度。铜、铝导线的容许温升为70℃和60℃。测量接头温度时,采用点温计或酒精温度计,并将其测量端头紧贴导线接头,在外面敷以石棉泥或其他绝热保温材料,防止脱落用耐温带包扎加固。
接头的温升可按下式计算,即:
△θ=θ-θa (10-16)
式中,△θ——接头温升(℃);
θ——接头实测温度(℃);
θa——环境温度。