为了满足配电网自动跟踪补偿消弧装置定型试验和出厂试验,使产品满足出厂后电网各种运行工况的要求,构建了一座能够模拟配电网各种运行工况的试验平台对产品进行试验,以考核产品是否满足在配电网运行的要求。
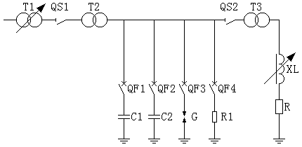
由于配电网的架空线路一般都不经过完全交叉换位,甚至根本就没有交叉换位,各相参数是不相同的,各相的阻抗及对地导纳都不完全相等。在这些参数中,对中性点电压影响最大的是线路对地的分布电容。忽略导线之间的电容,只考虑导线的对地电容,用集中参数代替分布参数,用一定大小的电容器来模拟对应长度的导线,构建模拟配电设备真值模拟试验网,用电容C1和C2模拟对应长度的导线,放电间隙G模拟弧光放电,电阻R1模拟单相接地时的接地电阻,市电经过调压器T1后通过隔离开关QS1接到配电变压器T2,电容C1和C2、放电间隙G、电阻R1和消弧线圈装置经过投切开关并联在一起来模拟实际电力系统中的变化,接到T2的出线端。其主接线图如图1-1所示:

图1-1 配电设备真值模拟试验网主接线图
在该配电设备真值模拟试验网上通过自动跟踪补偿消弧装置对配电网电容电流的测量,与实际计算的配电网的电容电流值相比较,判断自动跟踪补偿消弧装置自动测量的精确度。
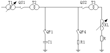
首先根据被试自动跟踪补偿消弧装置的参数,计算出电容C1取值范围,然后根据计算的电容值调整电容器C1的值,使其满足自动跟踪补偿消弧装置的要求。

图1-2 自动跟踪补偿消弧装置自动测量试验接线图
试验时,按图1-2接线,接线时使调压器T1处于停止状态。先闭合QS1、QS2和QF1,然后启动调压器T1的升压按钮使其升压,观察自动跟踪补偿消弧装置的动作情况,记录自动跟踪补偿消弧装置测得配电网的电容电流值。最后启动调压器T1的降压按钮,使其电压降为零,然后断开QF1、QS1和QS2。
实现结束后,对试验数据进行分析处理,以判断自动补偿消弧装置的自动测量的情况。
(1)首先计算配电网中实际的电容电流值,计算公式为:
Ic=ωCUψ
式中 Uψ——配电网的相电压;
C——配电网的对地电容;
ω——角频率。
(2)将自动跟踪补偿消弧装置测得的配电网的电容电流值与计算得到的配电网的电容电流值相比较,计算自动跟踪补偿消弧装置测量电容电流的误差,误差的计算为:
η=(Ic-Ic1)/Ic×100%
式中: Ic——配电网电容电流计算值;
Ic1——配电网电容电流测量值。
试验时应注意以下几点:
①试验开始之前,要通知在场的人员要开始试验了。
②试验开始后,禁止无关人员进入试验场地。
③当自动跟踪补偿消弧装置出现异常振动情况时,应切断电源,停止试验。
④当自动跟踪补偿消弧装置出现异常噪音或噪音值过高时,应切断电源,停止试验。
⑤当自动跟踪补偿消弧装置温升值过高时,应切断电源,停止试验。
当配电网运行方式发生改变时,验证自动跟踪补偿消弧装置能否对配电网电容电流进行精确测量。
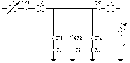
试验前,根据被试自动跟踪补偿消弧装置的参数,计算出电容C1和电容C2的取值范围,根据计算的电容值调整电容器C1和电容器C2的值,使其满足自动跟踪补偿消弧装置的要求。

图1-3 自动跟踪补偿消弧装置自动跟踪试验接线图
试验时,按图1-3接线,接线时使调压器T1处于停止状态。闭合QS1、QS3和QF1,启动调压器T1的升压按钮使其升压。观察自动跟踪补偿消弧装置的动作情况,记录自动跟踪补偿消弧装置测得配电网的电容电流值。然后闭合QF2,观察自动跟踪补偿消弧装置的动作情况,观察自动跟踪补偿消弧装置能否正确对配电网跟踪测量,观察其重复性及其状态识别功能。记录自动跟踪补偿消弧装置测得配电网的电容电流值。最后启动调压器T1的降压按钮,使其电压降为零,断开QF1、QF2、QS1、QS3。
试验时应注意以下几点:
①试验开始之前,要通知在场的人员要开始试验了。
②试验开始后,禁止无关人员进入试验场地。
③当自动跟踪补偿消弧装置出现异常振动情况时,应切断电源,停止试验。
④当自动跟踪补偿消弧装置出现异常噪音或噪音值过高时,应切断电源,停止试验。
⑤当自动跟踪补偿消弧装置温升值过高时,应切断电源,停止试验。