通过在该配电设备真值模拟试验网上模拟当配电网发生单相接地故障时,单台自动跟踪补偿消弧装置容量不够时,观察多台自动跟踪补偿消弧装置进行自动并联情况。

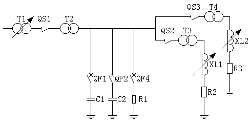
试验时,按图1-1接线,接线时使调压器T1处于停止状态。先闭合QS1、QS2、QS3、QF1和QF2,然后启动调压器T1的升压按钮使其升压。闭合QF4,这时模拟了该配电网发生U相单相接地故障,观察此时两台自动跟踪补偿消弧装置是否自动并联及其对单相接地故障的处理情况,测量自动跟踪补偿消弧装置自动并联处理单相接地故障时的噪音值,测量自动跟踪补偿消弧装置处理单相接地故障时的温升值,记录配电网发生单相接地故障时经自动跟踪补偿消弧装置自动并联补偿配电网后的残流值,自动跟踪补偿消弧装置自动并联对单相接地故障的处理时间,以及故障处理后自动跟踪补偿消弧装置的自动恢复情况。然后断开QF4。然后改变接线,可以分别模拟配电网发生V相、W相单相接地故障,观察此时自动跟踪补偿消弧装置自动并联对单相接地故障的处理情况,测量自动跟踪补偿消弧装置自动并联处理单相接地故障时的噪音值,测量自动跟踪补偿消弧装置处理单相接地故障时的温升值,记录配电网发生单相接地故障时经自动跟踪补偿消弧装置自动并联补偿配电网后的残流值,自动跟踪补偿消弧装置自动并联对单相接地故障的处理时间,以及故障处理后自动跟踪补偿消弧装置的自动恢复情况。然后断开QF4。最后启动调压器T1的降压按钮,使其电压降为零,断开QF1、QF2、QS1、QS2和QS3。
试验时应注意以下几点:
①试验开始之前,要通知在场的人员要开始试验了。
②试验开始后,禁止无关人员进入试验场地。
③当自动跟踪补偿消弧装置出现异常振动情况时,应切断电源,停止试验。
④当自动跟踪补偿消弧装置出现异常噪音或噪音值过高时,应切断电源,停止试验。
⑤当自动跟踪补偿消弧装置温升值过高时,应切断电源,停止试验。
⑥当模拟单相接地故障出现异常时,应立即切断电源。