ZC-103 智能型互感器校验仪又称电流互感器及电压互感器校验仪。ZC-103 智能型互感器校验仪主要用于CT、PT误差校验。智能型互感器校验仪用于计量、供电等部门和互感器厂家,是互感器检测的理想校验仪器。
ZC-103 智能型互感器校验仪的主要用途,是对现场应用的或者在实验室应用的电压互感器和电流互感器进行技术性能的检定。为了实现这一目的,智能型互感器校验仪必须与相关设备构成一套完整的互感器校验装置。由于智能型互感器校验仪的性能指标与相关设备之间存在着密切的技术关联,因此要想正确地研究与理解智能型互感器校验仪的整体概念,必须对互感器校验装置作一基本的了解。

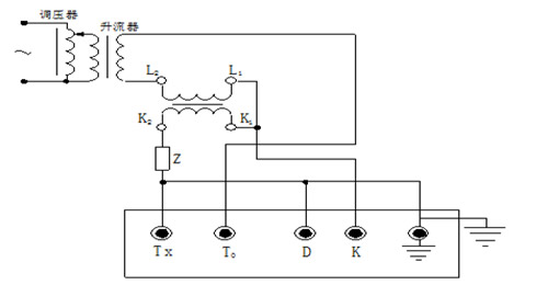
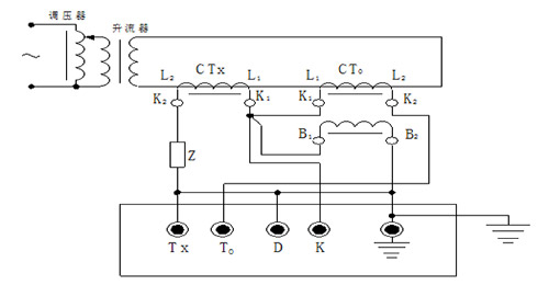
智能型互感器校验仪的电流互感器自校需要电流互感器变比相同如5/5等


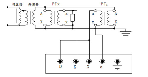
智能型互感器校验仪NOTE: 校验电压互感器时,一次测大X必须可靠接地!
被测电压互感器二次小x也要接地,
被测电压互感器中间加电压负荷箱

NOTE: 校验电压互感器时,一次测大X必须可靠接地!
被测电压互感器二次小x也要接地,
被测电压互感器中间加x电压负荷箱

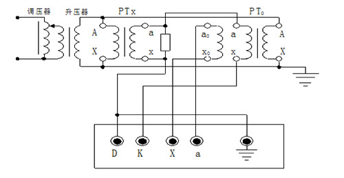
智能型互感器校验仪的电压互感器自校需要电压互感器变比相同如100/100等
NOTE: 校验电压互感器时,一次测大X必须可靠接地!
被测电压互感器二次小x也要接地,
被测电压互感器中间加x电压负荷箱

严格按接线图接线,
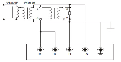
NOTE: 校验电压互感器时,一次测大X必须可靠接地!
被测电压互感器二次小x也要接地,
被测电压互感器中间加x电压负荷箱


注意:测量阻抗时务必等调压器回零后再变换负载值.否则将危及仪器及设备安全。

注意:测量导纳时务必等调压器回零后再变换负载值.否则将危及仪器及设备安全。