互感器二次压降及负荷测试仪的电能计量装置检定规程和有关技术法规,对电压互感器二次回路压降引起的误差均有规定,必须准确、快速地测量。ZC-105C互感器二次压降及负荷测试仪就是适应这些特点而开发。
在电厂及变电站电能计量回路中,室外的电压互感器离装设于控制室配电盘上的电能表有较远的距离,一般在200~400m左右,整个回路有接线端子排、开关、熔断器及导线,必然存在着接触电阻、导线电阻及分布参数,从而就存在着一定的回路阻抗,造成电压互感器与电能表间的二次回路上有电压降。电压互感器二次回路压降包括电缆、端子接触电阻、熔线、中间继电器接点、空气小开关等电压降之总和。电压互感器二次电压降引起的误差,就是指电压互感器二次端子和负载端子之间电压的幅值差相对于二次实际电压的百分数,以及两个电压之间的相位差的总称。
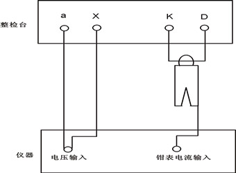
检定时可以使用互感器整检台,选择阻抗测量回路即可,只需要TO TX短接后穿过钳表。KD接电压输入(使用PT侧黄色和黑色两根)

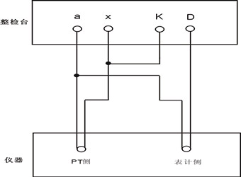
检定时可以使用互感器整检台,选择导纳测量回路即可。只需要KD短接后穿过钳表。AX接电压输入(使用PT侧黄色和黑色两根线)。


检定时可以使用互感器整检台,选择电压互感器测量回路即可。注意请选择"不带自校",自校是消除放线车带来误差的选项,如果选择了带自校,可能数据会不正确。