变压器绕组直流电阻的测量是变压器试验中一个重要的试验项目。直流电阻试验可以检查出绕组内部导线的焊接质量,引线与绕组的焊接质量,绕组所用导线的规格是否符合设计要求,分接开关、引线与套管等载流部分的接触是否良好,三相电阻是否平衡等。直流电阻试验的现场实测中,发现了诸如变压器接头松动,分接开关接触不良、档位错误等许多缺陷。对保证变压器安全运行起到了重要作用。
这是一种测量直流电阻的最简单的方法。在被试电阻通以直流电流,用合适量程的毫伏表或伏特表测量电阻上的降压,然后根据欧姆定律计算出电阻,即为降压法。
为了减小接线所造成的测量误差,测量小电阻(1Ω以下)时,采用图1-1(a)所示接线,测量大电阻(1Ω及以上)时,采用图1-1(b)所示接线。
按图1-1(a)接线时,考虑电压表PV内阻rV的分路电流IV,则被试绕组电阻应为:
R'=U/(I﹣IV)=U/(I﹣U/rV)
实际上,现场测量一般均以R=U/I计算,则绕组电阻测量误差为(R/rV)×100%,R越小,误差越小,所以此种接线适用于小电阻。

按图1-1(b)接线时,考虑电流表PA电阻rA上的电压降,则被试绕组电阻应为
R'=(U﹣I/rV)/I
若仍以R=U/I计算,绕组实际电阻应减去差值α=rA,绕组电阻测量误差为(rA/R)×100%,R越大,误差越小,所以此种接线适用于测量大电阻。
降压法所用的直流电源,可采用蓄电池,精度较高的整流电源、恒电流等。
由于变压器绕组电感较大,所以测量时必须注意在电源电流稳定后,方可接入电压表进行读数;而在断开电源前,一定要先断开电压表,以免反电动势损坏电压表。
降压法虽然比较简单,但准确度不高,灵敏度偏低,厂家与运行部门多采用电桥法测量绕组直流电阻。
用电桥法测量时,常采用单臂电桥法和双臂电桥等专门测量直流电阻的仪器。被测电阻10Ω以上时,采用单臂电桥;被测电阻1Ω及以下时,采用双臂电桥。对于小容量变压器,单臂电桥可采用4.5V以上的干电池作为电源,双臂电桥采用1.5~2V的多节并联干电池或蓄电池作为电源,直接测量变压器绕组直流电阻。
当变压器容量较大时,用干电池等作为电源,充电时间很长,现在一般厂家及运行部门均采用全压恒电流作电桥的测量电源。常用分恒流源有QHY-5A型、QHY-7A型等。图1-2所示接线,大大缩短了测量时间,而且操作简单,受到了试验人员的欢迎。

用电桥法测量准确度高,灵敏度高,并可直接读数。
用电桥测量变压器绕组时,由于绕组电感较大,同样需等充电电流稳定后,在合上检流计开关;测取读数后拉开电源开关前,先断开检流计。测量220kV及以上的变压器绕组电阻时,在切断电源前,不但要断开检流计开关,而且要将被试品接入电桥的测量电压线也断开,防止由于拉电源瞬间的反电动势将桥臂电阻的绝缘击穿和桥臂电阻对地等部位击穿。
由于变压器容量增大,特别是五柱铁芯和低压绕组为三角形联结的大型变压器,测试绕组直流电阻的电流达到稳定的时间达数小时甚至10多小时,不仅时间长,而且还不能保证测量准确。经过多年的研究,这个问题有了,突破性进展。
成功测量变压器绕组直流电阻最为关键的问题把自感效应降到最小程度,其方法介绍如下。
该方法是强迫铁芯磁通迅速饱和,从而降低自感效应,减少测量时间。
(1)用大容量直流电源,增加测量电流的值。如用2只190Ah的蓄电池,通40A的电流,测量250MVA/500kV自耦变压器中压绕组的直流电阻值,每个分接只需1~2min。
(2)将高压、低压绕组串联起来通上电流,采用同相位和同极性的高压绕组助磁。由于高压绕组匝数远比低压绕组多,用较小的电流值使铁芯饱和。如一台360MVA/220kV变压器。铁芯为五柱式,低压绕组为三角形联接,通10A电流,在15min内就可以同时测出一相的高压、低压绕组的电阻值。
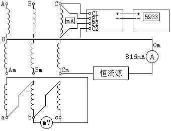
(3)采用恒压恒流源法的直阻测量仪法。它利用电子电路实现自动调节,在极短时间内把稳压源平稳地入稳流源,而且输出电流最大达40A,适用于各类变压器测量。如果高、低压绕组同时测量,解决了三相五柱式大容量变压器直流电阻测量的困难。如电阻大约30~40min,该方法测量接线图如图1-3所示。

和上面讲的助磁法相反,消磁法力求通过铁芯的磁通为零。使用的方法有以下两种:
(1)零序阻抗法。该方法仅适用于三柱铁芯YN联接的变压器。将三相绕组并联起来同时加电流,由于磁通需经过气隙闭合,磁路的磁阻增大,绕组的电流随之减小,达到测量电阻时间短的目的。
(2)磁通势抵消法。试验时除被绕组加电流外,非被测绕组中也通电流,使两者产生的磁通势大小相等而方向相反,达到相互抵消,使铁芯中磁通趋近与零,绕组中的电感量降到最小值达到缩短测试时间和目的。如对一台120MVA/220kV三相五柱式变压器采用消磁法和恒流法测量高、中、低压绕组的直流电阻测量,3min达到稳定。比单用恒流法缩短充电时间10倍以上。消磁法测量高压绕组直流电阻接线图如图1-4所示。

现场目前使用的变压器绕组直流电阻测试仪品种比较多,但共同的一个特点就是快速测量。
直流电阻的测量是变压器、互感器、电抗器、电磁操作机构等感性线圈制造中半成品、成品出厂试验、安装、交接试验及电力部门预防性试验的必测项目,能有效发现感性线圈的选材、焊接、连接部位松动、缺股、断线等制造缺陷和运行后存在的隐患。在通常情况下,用传统的方法(电桥法和压降法)测量变压器绕组以及大功率电感设备的直流电阻是一项费时费工的工作。
为了满足感性线圈直流电阻快速测量的需要,我公司利用自身技术优势依据《DL/T 845.3-2004:电阻测量装置通技术条件 第3部分:直流电阻测试仪》研制了ZC-205A直流电阻测试仪。ZC-205A直流电阻测试仪采用全新电源技术,由点阵式液晶显示测量结果。克服了其它同类产品由LED显示值在阳光下不便读数的缺点,同时具备了自动消弧功能。整机由单片机控制,自动完成自检、数据处理、显示等功能,具有自动放电和放电指示功能。仪器测试精度高,操作简便,可实现直阻的快速测量。
ZC-205A直流电阻测试仪专门用于测试变压器、电机、互感器等感性设备的直流电阻。仪器操作简单,测试全过程由软件控制完成,测试数据稳定快速准确,具有完善的反电势保护功能和现场抗干扰能力,适用于配电变压器到大型电力变压器等电力设备的直流电阻测试。