检查发电机定子经过运输及安装后,端部及槽契的绝缘状态是否良好。
2.1 发电机定子、转子安装已完成,其它的冷态电气试验已完成,并符合交接试验规程及厂家技术要求;
2.2 发电机出线与出线母排的软联接拆除,并将出线母排短路接地、且有足够的安全距离;
2.3 发电机尾部的三相连接母排拆除;
2.4 发电机尾部电流互感器二次绕组均要短路接地;
2.5 发电机转子绕组短路接地;
2.6 发电机测温元件短路接地;
2.7 在发电机平台应设置安全围栏,并挂“止步,高压危险”警示牌、同时派专人监护;
2.8 在试验区域应设置安全围栏,并挂“止步,高压危险” 警示牌、由专人负责监护;
2.9 在发电机出线小间应配置足够的照明;
2.10 试验的全过程必须严格按照《高压电气设备交接试验规程》的有关规定及厂家的技术要求进行;
2.11 凡参加耐压试验的人员,必须进行安全技术交底,明确分工,使每个人都清楚各自的岗位和职责。
2.12 发电机定子冷却水水质要求为;无机械杂质的凝结水或其它经过处理的软化水,导电率为0.5~1.5μS/Cm,硬度为<10μg当量/l,PH值为7~8。
根据GB50150-91《高压电气设备交接试验规程》;
3.1 第GB50150-91 2.0.4条规定,直流耐压试验电压为发电机额定电压的3倍即13.8kV×3=41.4kV;
3.2 在升压过程中按每0.5Un分阶段升高试验电压,每阶段停留1mim,并记录泄漏电流值;
3.3 各相泄漏电流值的差别不应大于最小值的50%;
3.4 第GB50150-91 2.0.5条规定,交流耐压试验电压值为1.5Un+2250,即1.5×13.8+2250=22950V;
3.5 在规定的试验电压下停留1mim。
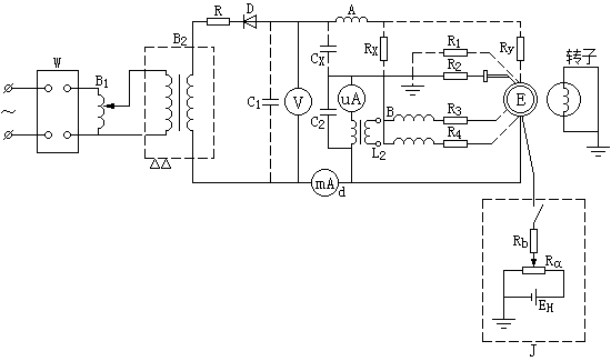
4.1 试验采用低压屏蔽法,并按图1-1进行接线并认真检查试验接线确认无误后,进行空载升压至3倍额定电压值,核对表计指示正确后,并记录各点的空载泄漏电流值;
4.2 试验前,调整极化电势板中的电位器Ra,使微安表指示为零。每相均依次进行补偿;
4.3 用ZC-430A绝缘电阻测试仪对试验相绕组测量绝缘电阻值,其结果应>1000MΩ;
4.4 将ZC-501A试验变压器高压测试引线接至被试验相;
4.5 检查调压器的输出在最低位置,合电源开关,操作调压器使ZC-501A高压试验变压器的试验电压按3kV/min的速度缓慢升高。每升高0.5Un,停留1min,并记录各段的泄漏电流值;
4.6 每相试验完毕后,应将调压器缓慢降至零位,断开电源,用放电棒通过电阻充分放电,并挂接好接地线后,再更换被试验相。
5.1 按图1-2接线并认真检查接线确认无误后,空载升至交流耐压试验电压值,核对各表计指示正确后,降低试验电压值至零;
5.2 在空载条件下,调整好保护球隙,使放电电压为试验电压的1.15倍(26.4kV),然后再调整保护间隙后,升压至试验电压的1.05倍(23.1kV),稳定试验电压1min,保护间隔无击穿。将试验电压降至零,断开电源;
5.3 检查调压器输出在最低位置,将ZC-501A试验变压器高压端连接试品,并合上电源开关,操作调压器缓慢匀速升压(900V/S)至试验电压时,停留1min并记录电容电流,再匀速降低试验电压至零,最后断开电源。改接线,按同样的试验方法对其它另外两相进行试验。


R—保护限流电阻;
RX、CX—试品电阻、电容;
RY—加压相水管电阻;
R1—汇水管对地绝缘电阻;
R2—进水管联管绝缘垫一段的水电阻;
R3、R4—非加压相引水管水电阻;
Rα—500kΩ电位器(实取1~2kΩ);
Rb—100~200kΩ碳膜电阻(2W);
C1—1~2μF并联电阻;
L2—6kV、TV高压绕组;
EH—1.5V干电池;
E —汇水管;
C2—200μF、150V金属化纸电容器;
J—极化电势补偿回路;
W—稳压器;
K—电源开关;
T—调压器;
BS—试验变压器;
Z—电压测量;
A—电流测量;
G—保护球间隙。