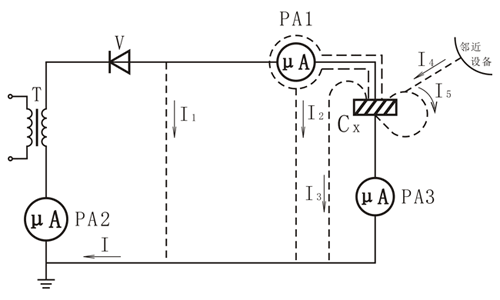
图1-1所示接线中,直流高压发生器高压引线及高压输出端均暴露在空气中,其对地、对绝缘支撑件和邻近设备等均有一定的杂散电流、泄漏电流流过。这些电流有流过试品内部的体积泄漏电流I0;高压硅堆及硅堆至微安表高压引线对地杂散电流I1;屏蔽线对地杂散电流I2,高压引线及高压端通过空气对地的杂散电流I3;高压引线输出端及加压端对邻近设备的杂散电流I4;设备高压端通过外壳表面对地的泄漏电流I5。
从图3-2可以看出,微安表在不同位置时流过的电流分别为:
在PAl位置时,IPA1=I0﹢I3﹢I4﹢I5;
在PA2位置时,IPA2=I0﹢I1﹢I2﹢I3﹢I4﹢I5;
在PA3位置时,IPA3=I0﹢I5。
可以看出,在PA2位置时测量误差较大,且不易屏蔽。在PAl位置,由于在ZC-501A试验变压器高压侧测量并将高压引线屏蔽,排除了I1、I2的影响,I5也可以通过在试品高压端加屏蔽环屏蔽掉,所以误差较小。在PA3位置,杂散电流I1、I2、I3、I4均不通过微安表,若在试品低压端采取屏蔽(接地),如避雷器下部瓷裙加短路线接地,则可以排除I5的影响。I5电流与高压引线和低压微安表引线距离有关,可以通过加大两者距离等办法减小影响。可见在PA3位置进行测量是一种比较精确的测量方法。这种方法测得的泄漏电流偏小时,应考虑设备接地端对地绝缘状态。

在直流电压较高时,如测110kv及以上磁吹避雷器或氧化锌避雷器泄漏电流时,高压杂散电流对试验结果影响很大,现场应采取增加高压引线直径、减少尖端毛刺、进行屏蔽、增加对地距离、微安表选择适当位置等措施,减少杂散电流对试验结果的影响。
与绝缘电阻测量相同,温度对泄漏电流测量结果影响较大,温度升高,绝缘电阻下降,泄漏电流增大。不同试品及不同材料、不同结构的试品其变化特性不同。
对于用ZC-501A试验变压器低压侧电压根据变比换算出直流高压输出电压幅值的方法来说,电流、电压的非正弦波会造成输出电压的偏低或偏高,因而影响测量结果。系统中的三次谐波对正弦波的影响如图1-2所示。图(a)示出的合成波属于平顶波,最大值比基波的最大值小。这种电压波形用于对泄漏电流进行测量时,会造成加于被试设备的试验电压偏低,整流后的直流电压小于交流电压有效值的√2倍。图(b)示出的合成波与图(a)正好相反,属于尖顶波,最大值要比基波的最大值大,会造成输出直流电压偏大。
一般采用以下方法克服非正弦波的影响:

1. 用波形畸变小的自耦变压器调压;
2. 选择电源时最好用波形不易畸变的线电压;
3. 直接用ZC-502分压器在高压侧测量直流高压。
试验大容量试品时,由于泄漏电流存在吸收过程,即1min时的泄漏电流不一定是真实的泄漏电流,可能包括一定的电容电流和吸收电流,而泄漏电流又是指加压1min时的泄漏电流值,因此加压速度对试验结果也有影响。
有资料介绍:有人曾对一条电缆作过测量,—次加压和以每隔1min升压1kV的速度逐级加压的试验结果相比有很大差异。
为得到较准确的试验数据,应采取逐级加压的方式并规定相应的升压速度和电压稳定时间。《规程》中对电缆直流耐压试验及泄漏电流测量规定的电压稳定时间为5min。这是为了克服吸收现象造成的测量误差。一般现场测量时也都采用逐级加压方式。
同测量绝缘电阻一样,试品残余电荷对泄漏电流测量也有影响。残余电荷极性与直流输出电压同极性时,泄漏电流有偏小误差;极性相反时,有偏大误差。因此,泄漏电流试验前和重复试验时,均要对被试品进行充分放电。
泄漏电流试验时,直流输出电压一般为负极性而不采用正极性。试验证明,直流输出电压的极性对试验结果有影响。
以测量电缆的泄漏电流为例说明如下。若绝缘受潮,电线芯加正极性试验电压时,由于绝缘中的水分带正电,在电场作用下,水分被排斥移向铅包,造成绝缘中水分相对减少,泄漏电流偏小;电缆芯加负极性高压时,在电场作用下,水分由铅包渗过绝缘向电缆芯集中,使绝缘中水分增加,泄漏电流增大。加负极性直流输出电压,能更严格地判断受潮程度。绝缘有局部缺陷时,负极性高压有助于使绝缘中的水分集中于局部缺陷区,易于发现局部缺陷。
因此测泄漏电流时,要加负极性高压并读取5min时的泄漏电流值。同样,用兆欧表测量绝缘电阻时,为了易于发现缺陷,也是在“L”端子输出负极性高压。