按照《规程》规定,预防性试验中应当对避雷器基座及放电记数器进行检查试验。避雷器底部的基座一般是一个绝缘的瓷柱,基座上一般并联有放电记数器,基座起对地绝缘作用。当雷电流通过避雷器时,放电记数器动作,为分析过电压及避雷器动作情况积累数据。对避雷器基座要求用ZC-430A绝缘电阻测试仪测量绝缘电阻。该绝缘电阻一般应在100MΩ以上。
某些特殊系统中,如10kV三角形接线电力电容器中的某些避器,其基座不带放电记数器且单相接地情况下要随运行相电压,对此类避雷器的的基座,应按10kV支持绝缘子用ZC-501A试验变压器进行工频交流耐压试验。
运行中曾发现由于避雷器基座内部进水受潮使避雷放电记数器不能正常工作的情况;某变电所因为其座内部积水,在冬天结冰使瓷套胀破,致使一相FZ-110型避雷器倒塌,并使变电所110kV母线发生短路的停电事故。
放电记数器在运行中可以记录避雷器是否动作及动作的次数,以便积累资料,分析电力系统过电压情况,是避雷器的重要配套设备。国内目前主要采用JS型电磁式放电记数器。
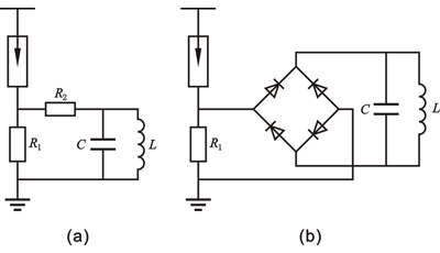
图1-1(a)示出了JS型双阀片式结构的放电记数器原理。当避雷动作时,放电电流流过阀片电阻R1,在R1上的压降经阀片电阻R2给电容C充电,C再对电磁式记数器的电感绕组L放电,使其移动一格,记一次数。改变R1及R2的阻值,可使记数器具有不同的灵敏度,一般最小动作电流为100A(8/20μs冲击电流)。
图1-1(b)示出了JS—8型整流式结构的放电记数器原理。避雷器动作时,阀片电阻R1上的压降经全波整流给电容C充电,C再对电磁式记数器的电感绕组放电,使其动作记数。该放电记数器的阀片电阻R1阻值较小,通流容量较大(1200A方波),最小动作电流也为100A(8/20μs冲击电流)。JS—8型一般用于6.0~330kV系统,JS—8A型用于500kV系统。

放电记数器在运行中发现的主要问题是密封不良和受潮,严重的甚至出现内部元件锈蚀的情况。因此在对避雷器进行预防性试验时,应检查放电记数器内部有无水气、水珠,元件有无锈蚀,密封橡皮垫圈的安装有无开胶等情况,发现缺陷应予以处理或更换。
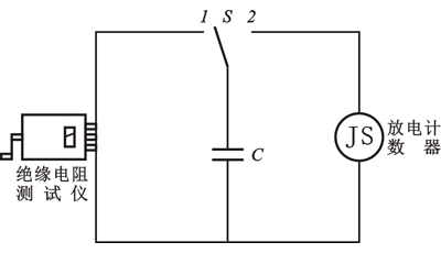
为了检查放电记数器动作是否正常,一种方法是用冲击电流发生器给记数器加一个幅值大于100A的冲击电流,看其是否动作。图1-2示出了一种适宜现场采用的简易试验方法。用一个1000V或2500V绝缘电阻测试仪给一个电容量约为5~10μF的电容器充电,然后用电容器通过放电记数器放电,记数器应当动作。试验时应注意:
(1)为得到足够的交流电流,应由一人操作ZC-430A绝缘电阻测试仪,另一人通过绝缘杆挂电容器的放电引线;在ZC-430A绝缘电阻测试仪停止输出之前,将ZC-430A绝缘电阻测试仪与电容器引线断开,用绝缘杆挂导线给放电记数器放电,以防止电容器对绝缘电阻表反充电损坏绝缘电阻表及因释放电荷得不到正确的结果。
(2)应记录放电记数器试验前后的放电指示位数。原则上应将放电记数器指示位数通过多次动作试验恢复到试验前位置。

国内也有专门用于检查避雷器放电记数器动作情况的试验仪器。如我公司研发生产的ZC-713氧化锌放电计数器校验仪,其基本原理同图1-2。