测量FS型避雷器的绝缘电阻可以有效地发现避雷器受潮或瓷套裂纹等缺陷。避雷器的受潮往往是由于密封破坏造成或产品本身在组装过程中就已受潮。《规程》要求:要采用2500V绝缘电阻测试仪,测得绝缘电阻不应低于2500MΩ。测量时应注意避雷器表面状况、环境、温度、湿度的影响。绝缘电阻低于规定值时,可增加直流电导电流测量,规定电压下测得的电导电流不超过10μA为合格。对FS—3型、FS—6型、FS—10型避雷器直流试验电压分别规定为4、6、10kV。
工频放电电压测量是对FS型避雷器保护性能的直接有效的试验方法。主要目的是检查避雷器火花间隙的结构及放电特性是否正常及在过电压下动作的可靠性。《规程》对FS型避雷器的工频放电电压的范围做了规定,如表1-1所示。
| 额定电压(kV) | 3 | 6 | 10 | |
| 工频放电电压(kV) | 大修后 | 9~11 | 16~19 | 26~31 |
| 运行中 | 8~12 | 15~21 | 23~33 | |
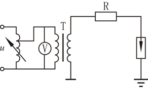
工频放电电压的试验接线如图1-1所示,与一般交流耐压试验接线相同。试验中应注意以下问题:
(1)对每只避雷器,应测量三次工频放电电压值,并取其平均值作为工频放电电压,防止由于火花间隙放电分散性及电压测量方面的偶然误差造成误判断。

(2)测量时,试验变压器的升压速度不宜太快,以免电压表由于惯性作用而带来偏大的测量误差,一般以3~5KV/s为宜。另外,每次放电后要保持一定的时间间隔,一般应不少于10s,以保证火花间隙内部绝缘有足够的恢复时间。
(3)保护电阻R用于限制工频放电时流过避雷器火花间隙的电流,防止工频电流将间隙烧坏。R值的选择既要考虑限制放电电流,又要考虑过流装置能可靠动作,一般经验计算式为:
I=U/[√(R2﹢XT2)]
式中 I——通过避雷器的电流,一般限制为0.7A;
U——避雷器放电电压估计值,V;
XT——试验变压器高压侧短路电抗,Ω;
R——限流电阻,一般选为较计算值略小一些,Ω。
还应注意,过流装置的动作时间应尽量快一些,一般应在0.5s内动作于跳闸,以免烧坏间隙。