| 规 格 | 兆欧表类型 | 绝缘电阻值 |
| 35kV及以下的避雷器 | 2500V绝缘电阻测试仪 | ≥1000MΩ |
| 35kV以上的避雷器 | 5000V绝缘电阻测试仪 | ≥3000MΩ |
| 500kV的避雷器 | 2500V绝缘电阻测试仪 | 测量其底座绝缘电阻≥1000MΩ |
测量避雷器或过电压保护器的U1mA主要是检查其阀片是否受潮,确定其动作性能是否符合要求。
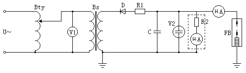
测量接线通常可采用单相半波整流电路,各元件的参数随被试避雷器或过电压保护器的电压等级不同而不同,如图1-1、图1-2和图1-3所示。



(1) 高压试验变压器或直流高压发生器的额定电压应略大于U1mA;
(2) 硅堆的反峰电压应大于2.5U1mA;
(3) 滤波电容的电压等级应能满足临界动作电压最大值的要求,电容为0.1~0.5μF。根据规定,整流后的电压脉动系数应不大于1.5%。经计算和实测证明,当C = 0.1 mF时,脉动系数小于1%。直流电压一般可采用Q3-V型或Q4-V型静电电压表测量。
测量中应注意的问题是准确读取U1mA。因泄漏电流大于200mA以后,随电压的升高,电流急剧增大,故应仔细地升压,当电流达到1 mA时,准确地读取相应的电压U1mA。测量时应防止表面泄漏电流的影响。测量前应将瓷套表面擦试干净,同时应考虑气温的影响,当避雷器阀片的U1mA的温度系数约为0.05%~0.17%,即温度每增高10 ℃,U1mA约降低1%,必要时可进行换算。
对测量结果采用比较法进行判断,《规程》规定,U1mA与初始值相比较,变化应不大于+5%。
由于0.75UU1mA直流电压值一般比最大工作相电压(峰值)要高一些,测量此电压下的泄漏电流主要检查长期允许工作电流是否符合规定,因为这一电流与避雷器的寿命有直接关系(一般在同一温度下此泄漏电流与寿命成反比)。测量时应首先测出U1mA,然后再在0.75U1mA下读取相应的泄漏电流值。根据《规程》规定,0.75U1mA下的泄漏电流值应不大于50μA。
在交流电压作用下,避雷器的总泄漏电流包含阻性电流(有功分量)和容性电流(无功分量)。在正常运行情况下,流过避雷器的主要电流为容性电流,阻性电流只占很小一部分,约为10%~20%左右。但当阀片老化,避雷器受潮、内部绝缘部件受损以及表面严重污秽时,容性电流变化不多,而阻性电流却大大增加,所以测量交流泄漏电流及其有功分量是现场监测避雷器的主要方法。