CTP-1000B变频式互感器综合测试仪用于CT测试的基本接线步骤(参见图1-1)如下:
(1)用4mm2线将测试仪左侧的接地端子连接到保护地。
(2)连接CT一次侧的一个端子和二次侧的一个端子到保护地。
(3)确保CT的其他端子全部从输电线上断开,其他绕组全部开路。
(4)用2.5mm2红线和黑线将CT的二次侧连接到CTP-1000B变频式互感器综合测试仪“Output”S1和S2插孔,用1.2mm2黄线和黑线将CT的二次侧连接到CTP-1000B变频式互感器综合测试仪“Sec”的S1和S2插孔,注意两根黑线连在CT二次侧已接保护地的同一端子上。
(5)用1.2mm2绿线和黑线将CT的一次侧连接到CTP-1000B变频式互感器综合测试仪的“Prim”的P1和P2端子上,P2通过黑线与CT一次侧连接到保护地的那个端子相连。
(6)检查接线无误,开始测试。

1、CTP-1000B变频式互感器综合测试仪在三角形接法变压器上进行CT测试的接线方式如图1-2所示。

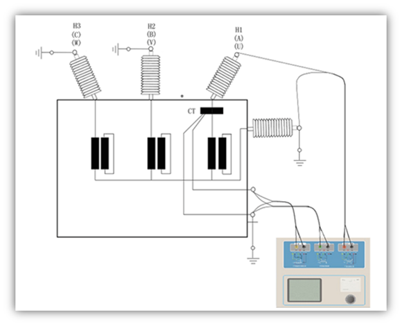
2、CTP-1000B变频式互感器综合测试仪进行变压器套管CT测试时的接线方式如图1-3所示。
注意:一次端子H1不能接地,否则一次侧都接地了,则测试仪不能获取正确结果。

3、CTP-1000B变频式互感器综合测试仪在对GIS(SF6)开关上的CT测试时的接线方式如图1-4所示。
注意:断开与母线连接的所有开关,合上接地刀闸。
