致卓测控

在线客服

销售热线

400-027-1566

电流互感器一次绕组的工频耐压试验方法

时间:2018-11-30 阅读: 次 来源:致卓测控
文章标题:电流互感器一次绕组的工频耐压试验方法关  键 词:电流互感器,电流互感器一次绕组工频耐压,电流互感器一次绕组工频耐压试验方法概      述:本文主要介绍了电流互感器一次绕组的工频耐压试验方法,被试电流互感器与接地体或邻近物体的距离应不小于被试品高压部分与接地部分之间最小空气距离的1.5倍。试验场所的相对湿度应小于80%。

1、被试品与接地体或邻近物体的距离应不小于被试品高压部分与接地部分之间最小空气距离的1.5倍。试验场所的相对湿度应小于80%。

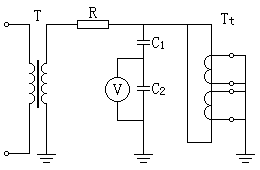
2、试验线路见图1-1。如有末(地)屏,应将其同金属底座或箱壳连接并接地。

电流互感器一次绕组的工频耐压试验接线图
图1-1 电流互感器一次绕组的工频耐压试验接线图
T——试验变压器;C1、C2——电容分压器;Tt——被试电流互感器
R——保护电阻;V——峰值电压表

3、在确定ZC-501A高压试验变压器与被试电流互感器接线及电源波形无误后,对试品施加电压。加压时,应以机械0位开始缓慢升高电压,观测仪表升压数值。在升至75%试验电压时,以每秒2%试验电压的速率升压至短时工频耐压的试验值,维持1min或规定的时间,然后降到30%规定试验电压以下后再切断电源。

4、若试验过程中无破坏性放电现象,则试验合格。

文章阅读完毕,有任何产品或技术问题咨询,请直接拨打我公司技术服务专线:13638679450,18995634856,24小时竭诚为您服务!
致卓原创 | 版权所有 | 禁止复制 | 抄袭可耻
  • 相关文章
    GIF89a 125859