致卓测控

在线客服

销售热线

400-027-1566

电流互感器二次绕组及末(地)屏工频耐压试验方法

时间:2018-11-30 阅读: 次 来源:致卓测控
文章标题:电流互感器二次绕组及末(地)屏工频耐压试验方法关  键 词:电流互感器,电流互感器二次绕组及末(地)屏工频耐压,电流互感器二次绕组及末(地)屏工频耐压试验方法概      述:本文主要介绍了电流互感器二次绕组及末(地)屏工频耐压试验方法。

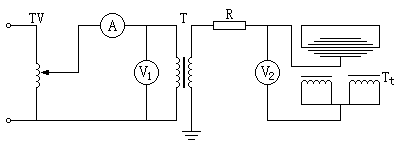
1、试验线路见图1-1。

2、施加电压应由ZC-501A试验变压器0位开始升压,升到规定试验电压值并持续1min后,降到30%试验电压值以下再切断ZC-501A试验变压器电源。对具有多个二次绕组的互感器应依次进行试验。

电流互感器二次绕组及末(地)屏工频耐压试验接线图
图1-1 电流互感器二次绕组及末(地)屏工频耐压试验接线图
TV——调压器;T——试验变压器;A——电流表;R——保护电阻
V1——方均根值电压表;V2——峰值电压表,Tt——被试电流互感器

3、若无击穿现象,则试验合格。

文章阅读完毕,有任何产品或技术问题咨询,请直接拨打我公司技术服务专线:13638679450,18995634856,24小时竭诚为您服务!
致卓原创 | 版权所有 | 禁止复制 | 抄袭可耻
  • 相关文章
    GIF89a 125859