致卓测控

在线客服

销售热线

400-027-1566

电流互感器匝间过电压试验方法

时间:2018-12-04 阅读: 次 来源:致卓测控
文章标题:电流互感器匝间过电压试验方法关  键 词:电流互感器,电流互感器匝间过电压,电流互感器匝间过电压试验方法概      述:本文主要介绍了电流互感器匝间过电压试验方法。

1、本试验仅适用于无短路匝补偿的电流互感器。

2、试验方法和要求按GB 1208-1997有关规定。试验线路图见图1-1 (方法A)或图1-2 (方法B)。

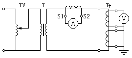
图1-1 电流互感器匝间过电压试验接线图(方法A)
图1-1 电流互感器匝间过电压试验接线图(方法A)
TV——调压器;T——试验变压器;V——峰值电压表;A——电流表;Tt——被试电流互感器
电流互感器匝间过电压试验接线图(方法B)
图1-2 电流互感器匝间过电压试验接线图(方法B)
TV——调压器;T——试验变压器;V——峰值电压表;A——电流表;Tt——被试电流互感器
文章阅读完毕,有任何产品或技术问题咨询,请直接拨打我公司技术服务专线:13638679450,18995634856,24小时竭诚为您服务!
致卓原创 | 版权所有 | 禁止复制 | 抄袭可耻
  • 相关文章
    GIF89a 125859