1、试验应按GB 1208-1997中4.2.6及4.5.2的规定进行。
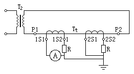
2、试验线路如图1-1。
3、对于环境要求:试验场所周围不得有任何影响环境温度的因素,例如辐射、热源、气流等。
环境温度测量应采用二或三个温度计,其测温端应浸于容积不小于1000mL满油的杯中。放置于试品周围1m~2m处,高度约为试品高度的中间部位。环境温度以几个温度计的平均值为准。
4、温升试验应釆用负载法,在征得用户同意的情况下,也可以采用短路法。对于具有多个相同二次绕组的互感器,如能证明其中某个绕组考核最严格,允许只测量此一个绕组。
5、测量母线出线端子及铁心表面温度,可采用酒精温度计或其他不受磁场影响的温度计(如热电偶或电阻式温度计),测温端应与被测点紧密接触。
测量油顶层温度时,温度计的测温端应浸于油面下5mm~100mm(如有温度计座时,座内应充油)。
6、二次绕组平均温度的测量,一般采用电阻法,一次绕组推荐采用热电偶法。测量冷、热态电阻应用同一线路和仪器。如一次电流密度较低,可以只测一次导体外部温升。
7、电阻法测童绕组平均温度的方法:
在温升试验结束,切断电源之后,立即测量绕组的直流电阻。应在停电后1min~2min内测出第一个个读数。然后在8min~10min内每隔相等的时间(30s~60s)测定一个电阻值,依次记录为R1、R2、R3、…、Rk。其后再隔5min~10min补充测量一个参考值Rn。同时记录各个测定时间,分别为t1、t2、t3、…、tk。以切断电源瞬间为t0=0,,在对数坐标纸上,将(R1-Rn)、(R2-Rn)、(R3-Rn)、……(Rk-Rn)和t1、t2、t3、…、tk的相应各点绘出,用一直线连接,其与尺轴的交点即为t0=0(R0-Rn)值,由此可得切断电源瞬间的电阻R0值,见图1-2。

绕组平均温升Δθ按下式计算:
Δθ=R0/Rθ1(235+θ1)-(235+θ2)
式中:
R0——断电瞬间绕组热态电阻值,单位为Ω;
Rθ——温度为巧时冷态电阻值,单位为Ω;
θ1——绕组冷态温度(冷态时环境温度),单位为℃;
θ2——温升试验后期确定温升的环境温度,单位为℃;
Δθ——绕组平均温升,单位为K;
235——铜导体温度系数的倒数。
8、用热电偶法测量绕组温度时,以适当数量的热电偶分别置于被测绕组的不同部位,最后以各热电偶测得温度的平均值作为绕组的平均温度。
9、数据数据可采用最小二乘法。
10、在满足要求时,也可用二次激磁法测量。