ZC-621B 三相电能表校验台是根据国家电网智能表标准和规程的要求,而研制开发电子程控式三相智能表电能表检验装置。适用于满足国网标准的三相本地费控智能电能表、远程费控智能电能表及智能电能表的校验。
三相电能表校验台的三相三线制测量是指使用两个功率元件实现对三相线路的测量,相当于在电路中分别接入两只电流表(串联在A、C两相)、两只电压表(分别并联在AB之间和CB之间)和两只功率表(电流线圈串联在A、C相,电压线圈并联在AB和CB之间),其测量原理如图1所示

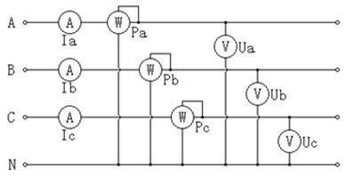
三相电能表校验台的三相四线制测量是指使用三个功率元件实现对三相线路的测量,相当于在电路中分别接入三只电流表(分别串联在A、B、C三相)、三只电压表(分别并联在A、B、C各相对N相之间)和三只功率表(电流线圈分别串联在A、B、C相,电压线圈分别并联在A、B、C对N之间),其测量原理如图2所示
