1、可按GB 1207-1997的4.7和4.10.2规定进行。
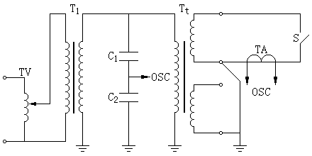
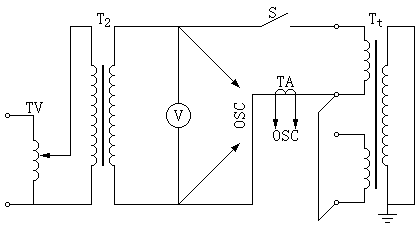
2、试验接线图按图1-1或图1-2任选其一,图1-1为二次短路,图1-2为一次短路。


3、如有必要,可在试品一次绕组末端N与地之间接一低阻值标准电阻,其容章应能承受一次短路电流,由标准电阻抽取信号来测量试品一次短路电流值。
4、此项试验前,应先迸行试品的阻抗测量,以此佔算出短路电流值,以便选择合适的测量用电流且感器的量程。
5、因为有阻抗压降,所以施加电压应离于额定电压值,此电压应通过计算或先施加1/3~1/2试验电压,时间小于0.5s,以此推算出压降。以便使短路后施加的电压等于或略高于额定电压值。
6、对于多个绕组的试品,应在短路阻抗最小的绕组上进行试验。