在线客服
销售热线
400-027-1566
首 页
关于我们
产品中心
解决方案
资料中心
技术支持
新闻中心
联系我们
400-027-1566
致卓测控
>
资料中心
>
技术文章
>
电压互感器无线电干扰试验方法
技术文章
产品说明书
校准证书
电压互感器无线电干扰试验方法
1、电压互感器无线电干扰试验方法和要求应按GB/T 11604-2015的有关规定进行。
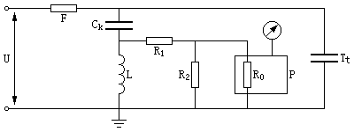
2、电压互感器无线电干扰试验接线图见图1-1。
图1-1 电压互感器无线电干扰试验接线图
F——滤波器;C
k
——耦合电容;L——电抗器;R
0
、R
1
、R
2
——电阻;
P——无线电干扰测量仪;T
t
一被试电压互感器
试验技术
湖南张家界电力工程公司采购我司一批变压器空载负载综合特性测试仪
「08-01」
喜讯再传!河南顾客采购致卓测控四级承试设备
「07-28」
实力见证 | 浙江化工机关再次达成战略合作
「07-25」
湘潭新材料股份有限子公司采购致卓测控试验设备
「07-22」
云南省水利电力勘测结构设计院订货致卓测控试验电子设备一批
「07-21」
电站怎样实现“无故障”?
「07-19」
甘肃阳光电源:结构设计22项“电力-碳排放”数学模型
「07-18」
电改大力推进涌现出大批股权投资看点:电网车载电子设备、应用软件供给商
「07-15」
数字人民币光伏结算情景在江苏无锡获批
「07-14」
GIF89a 125859