电力变压器联结组标号试验(电压矢量关系校定)是检验绕组的绕向、绕组的联结组及线端的标志是否正确。联结组标号是变压器并联运行的条件之一,验证联结组标号、检査绕组间电压矢童关系有多种方法,现推荐目前常用的三种。
这种方法是目前较常用而简便的方法;电桥本身有常见的联结组标号(0、6、11、5)的接收回路,在进行电压比测量的同时,也验证了联结组标号、检査了绕组电压的矢量关系;对于电压比电桥没有联结组标号的产品,只要适当的改变产品与电桥的连接,就可以用电桥上的联结组标号去进行GB 1094.1中所规定的各种联结组标号产品的试验;具体方法见表1-1。
| 产品联结组标号 | 产品与电桥的连接 | 电桥组别开关位置 |
|
Yd1 Dy1 |
A——CQ a——cq B——BQ b——bq C——AQ c——aq |
11 |
|
Yd2 Dy2 |
A——AQ a——cq B——BQ b——aq C——CQ c——bq |
6 |
|
Yd3 Dy3 |
A——aQ a——bq B——BQ b——cq C——cQ c——aq |
11 |
|
Yd4 Dy4 |
A——AQ a——bq B——BQ b——cq C——CQ c——aq |
0 |
|
Yd5 Dy5 |
A——AQ a——aq B——BQ b——bq C——CQ c——cq |
5 |
|
Yd6 Dy6 |
A——AQ a——aq B——BQ b——bq C——CQ c——cq |
6 |
|
Yd7 Dy7 |
A——CQ a——cq B——BQ b——bq C——AQ c——aq |
5 |
|
Yd8 Dy8 |
A——AQ a——cq B——BQ b——aq C——CQ c——bq |
0 |
|
Yd9 Dy9 |
A——AQ a——bq B——BQ b——cq C——CQ c——aq |
5 |
|
Yd10 Dy10 |
A——AQ a——bq B——BQ b——cq C——CQ c——aq |
6 |
|
Yd11 Dy11 |
A——AQ a——aq B——BQ b——bq C——CQ c——cq |
11 |
|
Yd0 Dy0 |
A——AQ a——aq B——BQ b——bq C——CQ c——cq |
0 |
| 注:A、B、C分别表示产品高压侧的三相线端,a、b、c分别表示产品低压侧的三相线端;AQ、BQ、CQ分别表示电桥高压侧的端子,aq、bq、cq分别标书电桥低压侧的端子。 | ||
当电压比测量时所用电桥没有确定联结组标号的功能或采用其他方法无法验征产品高、低压间的电压矢童关系时,需用双电压表法验证。
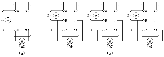
2.1 采用双电压表法试验时,单相按照图1-1(a)、三相按照图1-1(b)接线。

首先连接A—a,然后在试品的高压侧施加适当的电压(通常不超过300V, —般为100V),依次测量X—x间电压(单相)或B—b、C—c和B—c的线端电压(三相)。
将测得的各电压(X—x或B—b、C—c和B—c)和表1-2种的第5栏所列响应电压相比较,如果分别相等,则试品的联结组矢量标号为第1栏中的标号。
电压计算如F:
L=U2r×√(1+K+K2) ---------------------------------------------- (7)
P=U2r×√(1+K2) ------------------------------------------------- (8)
R=U2r×√[1+(√3)K+K2] ----------------------------------------- (9)
M=U2r×(K-1) -------------------------------------------------- (10)
N=U2r×√(1-K+K2) --------------------------------------------- (11)
Q=U2r×√[1-(√3)K+K2] ---------------------------------------- (12)
T=U2r×(1+K) -------------------------------------------------- (13)
式中:
L、P、R、M、N、Q、T——各相应电压计算值(表1-2第5栏);
U2r——试验时低压的线电压;
K——试品的额定电压比。
| 钟时序 |
电压相 角位移 |
代号 |
实测 线端 |
额定电压比K | |||||||||||||||
| 1 | 1.5 | 2 | 3 | 4 | 5 | 6 | 7 | 8 | 9~10 | 11~12 | 13~14 | 15~16 | 17~20 | 21~25 | 26~30 | ||||
| 0 | 0 |
M N N |
b—B b—C c—B |
0 100 100 |
33 88 88 |
50 87 87 |
67 88 88 |
75 90 90 |
80 92 92 |
83 93 93 |
86 94 94 |
88 95 95 |
90 95 95 |
91.5 96 96 |
92.5 96.5 96.5 |
93.5 97 97 |
94.5 97.5 97.5 |
95.5 98 98 |
96.5 98.5 98.5 |
| 1 | 30 |
Q Q P |
b—B b—C c—B |
52 52 141 |
54 54 120 |
62 62 120 |
73 73 105 |
79 79 103 |
83 83 102 |
86 86 101 |
88 88 101 |
90 90 101 |
91 91 100.5 |
92.5 92.5 100.5 |
93.5 93.5 100.5 |
94.5 94.5 100 |
95.5 95.5 100 |
96 96 100 |
97 97 100 |
| 2 | 60 |
N M L |
b—B b—C c—R |
100 0 173 |
88 33 145 |
87 50 132 |
88 67 120 |
90 75 115 |
92 80 111 |
93 83 109 |
94 86 108 |
95 88.5 107 |
95 90 106 |
96 91.5 105 |
96.5 92.5 101 |
97 93.5 103.5 |
97.5 94.5 103 |
98 95.5 102.5 |
98.5 96.5 102 |
| 3 | 90 |
P Q R |
b—R b—C c—B |
141 52 193 |
120 54 161 |
112 62 146 |
105 73 130 |
103 79 122 |
102 83 118 |
101 86 115 |
101 88 113 |
101 90 111 |
100.5 91 109.5 |
100.5 92.5 107.5 |
100.5 83.5 106.5 |
100 94.5 106 |
100 95.5 105 |
100 96 104 |
100 97 103 |
| 4 | 120 |
L N T |
b—B b—C c—B |
173 100 200 |
145 88 167 |
132 87 150 |
120 88 133 |
115 90 125 |
111 90 120 |
109 93 117 |
108 94 113 |
107 95 113 |
106 95 110.5 |
105 96 108.5 |
104 96.5 107.5 |
103.5 97 106.5 |
103 97.5 105.5 |
102.5 98 104.5 |
102 98.5 103.5 |
| 5 | 150 |
R P R |
b—B b—C c—B |
193 141 193 |
161 120 161 |
146 112 146 |
130 105 130 |
122 103 122 |
118 102 118 |
115 101 115 |
113 101 113 |
111 101 111 |
109.5 100.5 109.5 |
107.5 100.5 107.5 |
106.5 100.5 106.5 |
106 100 106 |
105 100 105 |
104 100 104 |
103 100 103 |
| 6 | 180 |
T L L |
b—B b—C c—B |
200 173 173 |
167 145 145 |
150 132 132 |
133 120 120 |
125 115 115 |
120 111 111 |
117 109 109 |
114 108 108 |
112.5 107 107 |
110.5 106 106 |
108.5 105 105 |
107.5 104 104 |
106.5 103.5 103.5 |
105.5 103 103 |
104.5 102.5 102.2 |
103.5 102 102 |
| 7 | 210 |
R R P |
b—B b—C c—B |
193 193 141 |
161 161 120 |
146 146 112 |
130 130 105 |
122 122 103 |
118 118 102 |
115 115 101 |
113 113 101 |
111 111 101 |
109.5 109.5 100.5 |
107.5 107.5 100.5 |
106.5 106.5 100.5 |
106 106 100 |
105 105 100 |
104 104 100 |
103 103 100 |
| 8 | 240 |
L L N |
b—B b—C c—B |
173 200 100 |
145 167 88 |
132 150 87 |
120 133 88 |
115 125 90 |
111 120 92 |
109 117 93 |
108 114 94 |
107 113 95 |
106 110.5 95 |
105 108.5 96 |
104 107.5 96.5 |
103.5 106.5 97 |
103 105.5 97.5 |
102.5 104.5 98 |
102 103.5 98.5 |
| 9 | 270 |
P R Q |
b—B b—C c—B |
141 193 52 |
120 161 54 |
112 146 62 |
105 130 73 |
103 122 79 |
102 118 83 |
101 115 87 |
101 113 88 |
101 111 90 |
100.5 109.5 91 |
100.5 107.5 92.5 |
100.5 106.5 93.5 |
100 106 94.5 |
100 105 95.5 |
100 104 96 |
100 103 97 |
| 10 | 300 |
N L M |
b—B b—C c—B |
100 173 0 |
88 145 33 |
87 132 50 |
88 120 67 |
90 115 75 |
92 111 80 |
93 109 83 |
94 108 86 |
95 107 88 |
95 106 90 |
96 105 91.5 |
96.5 104 92.5 |
97 103.5 93.5 |
97.5 103 94.5 |
98 102.5 95.5 |
98.5 102 96.5 |
| 11 | 330 |
Q P Q |
b—B b—C c—B |
52 141 52 |
54 120 54 |
62 112 62 |
73 105 73 |
79 103 79 |
83 102 83 |
86 101 86 |
88 108 88 |
90 101 90 |
91 100.5 91 |
92.5 100.5 92.5 |
93.5 100.5 93.5 |
94.5 100 94.5 |
95.5 100 95.5 |
96 100 96 |
97 100 97 |
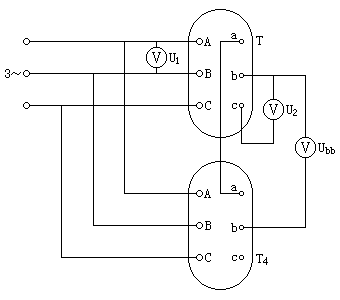
2.2 如果被试变压器的电压比超过30倍时,各电压值的区别很小;可采用一台辅助变压器,其联结组标号为YyO或Ii0,按照图1-2连接;此时应以辅助变压器的同名线端代替被试变压器的高压端(见图1-2,以辅助变压器的a、b、c代替A、B、C端),同前测量比较各电压值;但在L~T的值时,必须以K1代替K,此时:
K1=K/Ka -------------------------------------------------- (14)
式中:
Ka——辅助变压器的电压比。

变比测试仪是一种自动化程度髙、测量准确、功能齐全的目前采用的较为常见方法。
3.1 变比测试仪是以微处理器为核心对整机进行控制,可实现自动加压、测试、计算和显示等功能:可自动对产品进行绕组电压矢量关系及联结组标号的识别检定,并能进行电压比测量。ZC-203B全自动变比测试仪是武汉致卓测控于2009年最新推出第二代专业变比测试设备,可用于电力系统的三相变压器测试,特别适合于Z型绕组变压器、整流变压器和平衡变压器测试。仪器采用了大屏幕液晶显示,全中文菜单及汉字打印输出,人机界面友好,功能完善,操作方便,是电力系统、变压器生产厂家和铁路电气系统进行变压器变比、组别、极性、以及角度测试的理想仪器。
3.2 接线方法:三相变压器的高压侧A、B、C、O分别接H插座的黄、绿、红、黑四个夹子,低压侧对应接L插座的四个夹子;单相变压器高压侧与低压侧都接黄色和黑色夹子,其他夹子悬空;具体的操作方法见ZC-203B全自动变比测试仪的使用说明书。
注:高、低压侧应正确对应接线,切不可接反。