零序阻抗是三相电流当相序为零时绕组中的阻抗,向用户提供该数据,是为了准确的计算事故状态下短路电流的零序分量,以便调整继电保护。
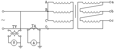
对于运行中有零序回路的绕组(YN联结)均需测量零序阻抗,试验的原理接线图见图1-1。

试验时一般从三相线端对中性点供电,以电流为准,测量电压。零序阻抗通常以每相的欧姆数表示,计算按式(1):
Z0=3U/I --------------------------------------(1)
式中:
Z0——零序阻抗,单位为Ω/相;
U——试验电压,单位为V;
I——试验电流,单位为A。
2.1 对于联结组标号为YNyn0d11、YNd11yn0、Dyn11yn11的三绕组变压器和YNd11的双绕组变压器,绕组中有一个封闭的三角形联结的绕组均属有平衡安匝的试品。
有平衡安匝的试品其零序阻抗是线性的, 一般只测量一点;试验电流应尽量等于额定电流,受设能力限制时,应不低于25%额定电流。
2.2 如无特殊要求,零序阻抗的测量应按以下测量组合进行:
对于YNd11的试品,只测量高压绕组,试验时ABC—O供电、低压开路。
对于YNyn0d11的试品,低压开路时的测量组合见表1-1。
| 序号 | 供电端子 | 开路端子 | 短路端子 |
| 1 | ABC—O | AmBmCm—Om | — |
| 2 | ABC—O | — | AmBmCm—Om |
| 3 | AmBmCm—Om | ABC—O | — |
| 4 | AmBmCm—Om | — | ABC—O |
对于其他有平衡安匝的绕组联结组合可参照以上两种联结组合的部位进行测量;在以上测量中由于电流沿三角接线自行构成回路,因此所测的零序阻抗都是“短路零序阻抗”,而没有空载零序阻抗。
3.1 对于联结组标号为YNyn0yn0的三绕组变压器和Yyn0的双绕组变压器及所有联结组合中无闭合三角形试品,均属无平衡安匝的产品。
无平衡安匝的试品其零序阻抗是非线性的,每个测试组合均需测量4~5点的零序阻抗;试验电流应尽量等于额定电流,如果零序阻抗太大,应控制其试验电压不超过额定的相电压;以该试验电流等差递减分别测量各点的零序阻抗。
3.2 如无特殊要求,零序阻抗的测量组合按下列规定进行:
对于YynO的试品,只测量低压绕组。试验时abc—o供电、高压绕组开路。这种试品只有空载零序阻抗、而没有短路零序阻抗。对于YNyn0yn0的试验,测量组合见表1-2。
| 序号 | 供电端子 | 开路端子 | 短路端子 |
| 1 | ABC—O |
AmBmCm—Om abc—o |
— |
| 2 | ABC—O | abc—o | AmBmCm—Om |
| 3 | ABC—O | AmBmCm—Om | abc—o |
| 4 | ABC—O | — |
AmBmCm—Om abc—o |
| 5 | AmBmCm—Om | ABC—O | abc—o |
| 6 | AmBmCm—Om |
ABC—O abc—o |
— |
| 7 | AmBmCm—Om | abc—o | ABC—O |
| 8 | AmBmCm—Om | — |
ABC—O abc—o |
| 9 | abc—o | AmBmCm—Om | ABC—O |
| 10 | abc—o |
ABC—O AmBmCm—Om |
— |
以上测试组合中序号1、6、10是空载零序阻抗、其他均为短路零序阻抗。对于空载零序阻抗测量时,应指派专人监视试品油箱各部位,避免由于零序磁通集中而引起箱壁内局部过热,大型产品尤应注意。
对于其他无平衡安匝的试品可参照以上的测量组合进行测量。