电力变压器风扇和油泵电动机所吸取功率测量方法属于特殊试验,测量被试品冷却(散热)装置风扇和油泵电动机在工作状态下所吸取的功率,向用户提供实测数据。
1.1 准备好试验记录,检査仪器功能是否正常,并确认仪器检定有效期。
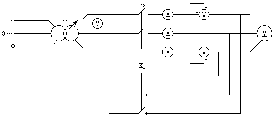
1.2 相关试验设备及仪表按要求正确接线,试验接线见图1-1。

1.3 被试品的冷却(散热)裝置风扇和油泵装备完好。
试验方法采用两瓦特表或三瓦特表法。
3.1 根据电动机铭牌数据正确选择瓦特表、电压及电流表的电压、电流量程及功率因数(cosφ=0.8)。
3.2 正确接线后,应首先合刀开关K1,调节电压至额定电压,起动电动机并调整转向正确,然后合刀开关K2;将刀开关K1拉掉,待表计起值稳定后同时读取各表的起值。
3.3 测量结果应和铭牌数据符合对应规律。