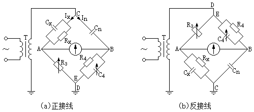
西林电桥的四个桥臂由四组阻抗元件所组成,其原理接线如图1-1所示。

电桥平衡时:
Cx=Cn(R4/R3) (1)
tanδ=ωC4R4 (2)
以上式中各符号的含义同图1-1。
在工频试验电压下,式(2)中ω=2πƒ=100π,取R4为10000/π=3184Ω,则tanδx=C4,即C4的微法值就是tanδ值。
图1-2是电流比较型电桥原理接线图。当电桥平衡时,由安匝平衡原理可得:
Cx=Cn(Wn/Wx) (3)
tanδ=ωRC (4)
式(4)中,ω=100π,C分别等于1/π×10-6F和0.1/π×10-6F。

M型介质试验器是一种不平衡交流电桥,图1-3表示其原理接线,它包括Cn、Ra标准支路,Cx、Rx及无感电阻Rb被试支路,Rc极性判别支路,电源和测量回路等五部分。
介质损耗因数tanδ可由下式计算:
tanδ=P/S (5)
式中:
P——有功功率,mW;
S——视在功率,mVA。
Rb远小于被试品阻抗,由图1-3可知,串联后不影响人的大小和相位。
在B位置上测出Rb上的压降IxRb(乘以有关常数)可代表试品的视在功率S。
将电压表接到C位置,调Ra的可动触点,当读数为最小时 ,两个回路的电容电流分量的电压降可完全抵消,故电压表读数可代表试品的有功功率P。
Rc极性判别支路是用来判别外界干扰的极性。

(1) 数字式自动平衡电桥:它仍采用零值比较法原理,但用变压器比例臂代替普通阻抗比例臂,并用计算机控制和处理,从而实现自动平衡和测量。
(2) 实部和虚部分离测量法:它是根据实部和虚部分离法研制的一种全自动测量电桥,分别接在标准电容器和试品通道的矢量电压表把流经的电流转换为电压,然后把各自得到的电压分为实部和虚部,利用微机对这些数据进行分析计算即可得到电容Cx和tanδ。
(3) 数字采样波形分析系统:它是一种智能化系统,包括两大部分,一是采样系统,负责将试品上的电压及电流连续信号转化成离散化的数字量;二是数据处理系统,主要由计算机组成,将采样到的电压、电流信号进行快速付里叶变换(FFT),求出信号基波分量的幅值和相位,最后得到tanδ值和试品电容值。
(4) ZC-221全自动抗干扰介质损耗测试仪(相位差法):它采用相位差法(或称方波整形法),由加在试品上的电压和流过试品中的电流的夹角φ求出tanδ。从试品上取得的电压和电流信号分别经过滤波、限幅放大、过零比较电路变成方波信号,最后一起通过异或门变为相位脉冲,该相位脉冲经过与门后就填充了时标脉冲,最后送给单片机计数、处理和显示。系统还在信号提取、零点漂移以及量化误差等方面采取措施,使测量更准确。
注:武汉致卓测控生产的ZC-221全自动抗干扰介质损耗测试仪的使用方法按使用说明书进行,其基本原理接线如图1-4所示。
