工频高电压通常采用高压试验变压器来产生;对电容量较大的被试品,可以采用串联谐振回路产生高电压;对于电力变压器、电压互感器等具有绕组的被试品,可以采用100Hz~300Hz的中频电源对其低压侧绕组激磁在高压绕组感应产生高电压。
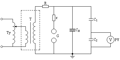
交流耐压试验的接线,应按被试品的电压、容量和现场实际试验设备条件来决定。通常ZC-501A高压试验变压器是成套设备。图1-1是一种典型的试验接线。
在进行变压器、电容器等电容量较大的被试品的交流耐压试验时,ZC-501A高压试验变压器的容量常常难以满足试验要求,现场常采用电抗器并联补偿。当参数选择适当,使两条并联支路的容抗与感抗相等时,回路处于并联谐振状态,此时ZC-501A高压试验变压器的负载最小。采用并联谐振回路应特别注意,ZC-501A高压试验变压器应加装过流速断保护装置,因为当被试品击穿时,谐振消失,ZC-501A高压试验变压器有过电流的危险。

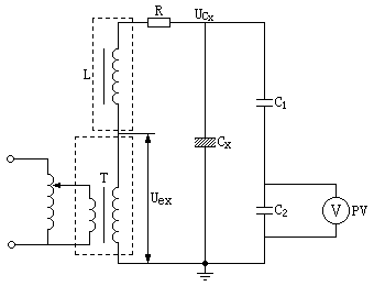
对GIS、发电机和变压器、交联电缆、高压断路器等电容量较大、试验电压高的被试品进行交流耐压试验,需要大容量的试验设备,可采用武汉致卓测控研发生产的ZCVF-B串联谐振试验装置,它能够以较小的电源容量对较大电容和较高试验电压的被试品进行耐压试验,回路由被试品负载电容和与之串联的电抗器和电源组成,如图1-2所示。
当电源频度ƒ、电感L及被试品电容Cx满足式(1)时回路处于串联谐振状态,此时:
ƒ=1/[2π√(LC)] (1)
回路中电流为:
I=Uex/R (2)
式中:
Uex——励磁电压;
R——高压回路的有效电阻。
被试品上的电压为:
Ucx=1/ωCx (3)
式中:
ω——电源角频率;
Cx——被试品电容量。
输出电压Ucx、与励磁电压Uex之比为试验回路的品质因数Qs。
Qs=Ucx/Uex=ωL/R (4)

由于试验回路中的R很小,故试验回路的品质因数很大。在大多数正常情况下,Qs可达50左右,即输出电压是励磁电压的50倍,因此用这种方法能用电压较低的试验变压器得到较高的试验电压。由于试验时回路处于谐振状态,回路本身具有良好的滤波作用,电源波形中的谐波成分在被试品两端大为减少,通常输出良好的正弦波形电压。
当被试品击穿时,电路失去谐振条件,电源输出电流自动减小,被试品两端的电压骤然下降,从而限制了对被试品的损坏程度。
根据调节方式的不同,武汉致卓测控生产的串联谐振装置分为ZCVF-C工频串联谐振装置(带可调电抗器,或带固定电抗器和调谐用电容器组,工作频率50Hz)和ZCVF-B变频串联谐振装置(带固定电抗器,工作频率一般10Hz~300Hz)两大类。
ZCVF-C工频串联谐振装置所用电抗器的电感量能够连续可调,当试验电压较高时,可以做成几个电抗器串联使用。
ZCVF-B变频串联谐振装置变频串联谐振装置依靠大功率变频电源调节电源频率,使回路达到谐振,所用电抗器的电感量是固定的(不可调)。试验频率随被试品电容量不同而改变。
由于ZCVF-B变频串联谐振装置的试验频率随不同电容量的被试品而变化,所以其使用范围受到一定限制。
串联谐振装置在实际使用时,试验回路调谐必须在很低的励磁电压下进行,调节电抗器电感或改变电源频率,使被试品端的电压达到最大,此时,回路达到谐振状态,再按规定的升压速度升高励磁电压,使高压侧达到试验电压。耐压完毕,均匀、快速降压后,切断电源。
变压器的感应耐压试验和局放试验需要中频电源。现场获取中频电源的途径主要有:中频电源机组成套装置、三倍频电源装置、中频同步发电机组和电子式变频装置。对大型变压器试验,现场使用较多的是中频电源机组成套装置。
利用线绕式转子的异步电动机,在转子(或定子)中通入三相交流电,由另一台异步电动机拖动,使机械转速与旋转磁场同相相加,在定子(或转子)上感应出频率提高的正弦交流电。交流磁场用二相调压器调整。
三倍频电源装置由三台单相变压器组成,其一次绕组接成星形,二次绕组连接成开口三角形,而产生三倍频的电压。
中频发电机组是用一台电动机拖动一台中频同步发电机,通过改变发电机励磁回路中励磁变阻器的阻值,使励磁机改变对发电机转子的励磁,从而
使发电机的定子输出平滑可调的电压。采用无刷励磁发电机可以完全避免炭刷火花的干扰,对局部放电测量很有利。
ZC-506电子式多倍频耐压装置是一种应用大功率电子技术产生交流正弦波或方波电压的电子装置。实际应用时应保证被试品上施加的电压符合正弦波的要求。
变压器和互感器的感应耐压试验是保证产品质量符合国家标准的一项重要试验。变压器绕组的匝间,层间,段间及相间的纵绝缘感应耐压试验,则是变压器绝缘试验中的重要项目。纵绝缘试验需要通过倍频电源装置,施加试验电压,进行耐压试验。
ZC-506电子式多倍频耐压装置是为满足上述要求而设计制造,经过广大用户使用证明:其操作简单,性能可靠,能较好地满足变压器,互感器感应耐压试验的需要。