有绕组的被试品进行外施交流耐压试验时,应将被试绕组自身的两个端子短接,非被试绕组亦应短接并与外壳连接后接地。
交流耐压试验时加至试验标准电压后的持续时间,凡无特殊说明者,均为60s。
ZC-501A试验变压器升压必须从零(或接近于零)开始,切不可冲击合闸。升压速度在75%试验电压以前,可以是任意的,自75%电压开始应均匀升压,均为每秒2%试验电压的速率升压。耐压试验后,迅速均匀降压到零(或接近于零),然后切断电源。
任何被试品在交流耐压试验前,应先进行其他绝缘试验,合格后再进行耐压试验。充油设备若经滤油或运输,耐压试验前还应将试品静置规定的时间,以排除内部可能残存的空气。通常在耐压试验前后应使用ZC-430A绝缘电阻测试仪测量绝缘电阻。
接上被试品,接通电源,ZC-501A试验变压器开始升压进行试验。升压过程中应密切监视高压回路,监听被试品有何异响。升至试验电压,开始计时并读取试验电压。时间到后,降压然后断开电源。试验中如无破坏性放电发生,则认为通过耐压试验。
在升压和耐压过程中,如发现ZC-500试验变压器操作箱的电压表指针摆动很大,电流表指示急剧增加,调压器往上升方向调节,电流上升、电压基本不变甚至有下降趋势,被试品冒烟、出气、焦臭、闪络、燃烧或发出击穿响声(或断续放电声),应立即停止升压,降压、停电后查明原因。这些现象如查明是绝缘部分出现的,则认为被试品交流耐压试验不合格。如确定被试品的表面闪络是由于空气湿度或表面脏污等所致,应将被试品清洁干燥处理后,再进行试验。
被试品为有机绝缘材料时,试验后应立即触摸表面,如出现普遍或局部发热,则认为绝缘不良,应立即处理后,再做耐压。
有时耐压试验进行了数十秒钟,中途因故失去电源,使试验中断,在查明原因,恢复电源后,应重新进行全时间的持续耐压试验,不可仅进行“补足时间”的试验。
为考核全绝缘变压器的纵绝缘、分级绝缘变压器的主绝缘和纵绝缘,应按GB 1094.3-2003规定的程序进行短时感应耐压试验(ACSD)或长时感应耐压试验(ACLD)。串级式电压互感器的感应耐压试验也可参照本条进行。
为了防止变压器铁芯饱和,应提高电源频率,使ƒ≧100Hz,但不宜高于400Hz。试验持续时间t按式(1)计算,但不得少于15s。
t={120×[额定频率]}/[试验频率] (1)
式中:
t——试验电压持续时间,s。
感应耐压试验电压波形应尽可能为正弦波。
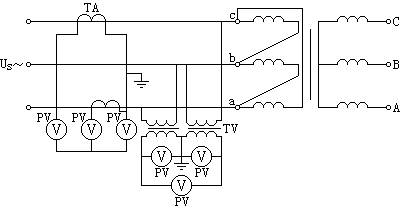
按图1-1接线,施加两倍及以上频率的三相电压进行试验。这种接线只能满足线间达到试验电压。三相试验电压的不平衡度宜不大于2%。由于中性点对地的电压很低,所以对中性点和绕组还需进行一次外施高压试验。

感应耐压试验时要分析产品结构,比较不同的接线方式,选用适当的分接位置,计算出线端相间及对地的试验电压,选用满足试验电压的接线。一般要借助辅助变压器或非被试相线圈支撑,对三相变压器往往要轮换三次,才能完成一台变压器的感应耐压试验。
下面推荐分级绝缘变压器进行感应耐压试验常用的几种接线和相应的相量图,如图1-2~图1-9所示。
图1-2为通过星形低压侧两相并联和另一相串联单相加压,使高压侧被试相相间和对地电压达到试验电压(Us),中性点达到试验电压的1/3。
图1-3为通过三角形低压侧两相串联和另一相并联单相加压,使高压侧被试相相间和对地电压达到试验电压(Us),中性点达到试验电压的1/3。
当变压器中性点的耐压水平较低而必须直接接地时,可采取图1-4和图1-5所示的接线方式。








图1-4为通过星形低压侧两相并联和另一相串联单相加压,高压侧中性点接地,使高压侧被试相对地电压达到试验电压,线间电压达1.5Us。
图1-5为通过三角形低压侧两相串联和另一相并联单相加压,高压侧中性点接地,使高压侧被试相对地电压达到试验电压,线间电压达1.5Us。
当被试三相变压器低压绕组的各端子都能引出时,可以采用图1-6和图1-7的接线。图1-6接线只适用于三铁芯柱变压器,这种情况下,高压侧被试相相间和对地电压达试验电压Us,中性点电压达试验电压的1/3;图1-7接线只适用于五铁芯柱变压器或壳式变压器。
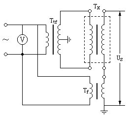
图1-8和图1-9是单相变压器的感应耐压试验接线。在图1-9中由辅助变压器(Tf)配合,试验中性点的绝缘。
感应耐压试验应事先周密考虑,注意绕组极性和接线,防止绕组间出现超出试验值的过电压,试验回路应接过电压保护装置,限制不慎出现过电压。