[1] 此工作在大修前后、1年或小修时进行。
[2] 拆除发电机出线与封闭母线的连接。
[3] 使用发电机专用ZC-430A绝缘电阻测试仪,分别测量三相定子绕组对地及各相间的绝缘电阻,测量时要求将定子绕组相间及相对地间充分预放电,且三相绕组首尾均短接,以免绕组线匝间分布电容的影响。测量结果要求相近试验条件下,绝缘电阻值不应降低到历年正常值的1/3以下,各相绝缘电阻值的差值不应大于最小值的100%。吸收比不小于1.3;极化指数不小于1.5。
[4] 每相测试完毕,充分放电后才能拆、接线。
[1] 此工作在大修时和发电机出口短路后进行。
[2] 拆除发电机出线与封闭母线的连接。
[3] 使用ZC-205A直流电阻测试仪测量电机直流电阻时,发电机应处于冷状态,即绕组表面温度与周围空气温度之差不应大于±3℃。一般用六只以上校准的温度计,分别置于槽楔上、通风孔、绕组端部和靠近绕组的其它地方,取这些温度的平均值作为绕组的温度。也可用红外线测温仪测量以作参考。
[4] 测量结果要求各相的直流电阻值,在校正了由于引线长度不同而引起的误差后,相互间差别以及与初次(出厂或交接)测量值比较,相差不得大于最小值的1.5%,大于1%时应引起注意。
[1] 此项目在大修前后、1年或小修及更换绕组后时进行。大修前试验应在停机后清除污秽前热状态下进行。
[2] 试验前应检查冷却水质应透明纯净,无机械混杂物,导电率在水温20℃时要求:1.5×102μS/m。
[3] 小修时和大修后,试验电压按2.0Un,即:54kV;局部更换定子绕组并修好后,试验电压按2.5Un,即:67.5kV;全部更换定子绕组并修好后,试验电压按3.0Un,即:81kV。
[4] 试验前应先检查绝缘电阻合格后方可开始试验。试验电压按每级0.5Un分阶段升高,每阶段停留1min,读取泄漏电流值。
[5] 在规定试验电压下,各相泄漏电流的差别不应大于最小值的100%;最大泄漏电流在20μA以下者,相间差值与历次试验结果比较,不应有显著的变化。
[6] 泄漏电流不随时间的延长而增大。
[7] 泄漏电流随电压不成比例显著增长时,应注意分析。
[1] 此项目在大修前和更换绕组后进行。
[2] 试验前应将检测定子绕组温度、发电机铁芯等发电机本体的温度元件的所有热电偶接地。用截面不小2.5mm2的铜导线作为试验设备的保护接地和工作接地。
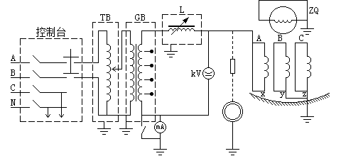
[3] 使用ZC-430A绝缘电阻测试仪测量绝缘电阻。在通水后,绝缘电阻大于3.9MΩ后,可采用ZC-501A试验变压器进行交流耐压试验,其原理接线图如图1-1所示。
[4] 接好试验连线,以及三相交流电源引线,注意相序正确。
[5] 将ZC-501A试验变压器至副边两侧的过流保护皆要整定好,一般按被试品电容电流的1.1~1.3倍进行整定。
[6] 对全装置进行空试、调整。接上保护球隙,调整间隙,球隙放电电压为44.5kV,并保持在40.5kV,1分钟内不出现放电等异常情况。
[7] 将发电机出口CT二次短路接地,发电机出口三相封闭母线,非被试绕组及转子绕组皆短路接地,现场布置安全遮栏并派专人监护,各方面具备试验条件。

[8] 接入被试相,确认调压器在零位,合闸分段升压。
[9] 升压到耐压值(40.5kV),操作人员加强监视,读取高、低压侧电流值,保持1分钟。然后缓缓降压到零,断开电源。放电、换另一相进行试验。
[10] 三相交流耐压试验结束后,各相绕组复测绝缘电阻及吸收比,并与耐压前进行比较。
[1] 此工作在大修中转子清扫前、后和小修时进行。
[2] 采用ZC-430A绝缘电阻测试仪,在10℃~30℃时不小于0.5MΩ。
[1] 此工作在大修时进行。
[2] 将ZC-205A直流电阻测试仪测试线用鳄鱼夹紧夹在转子绕组引出端螺口处,以便于准确测量。
[3] 在冷态下进行,测量结果要求与初次(交接或大修)所测结果比较,其差别一般不超过2%。
[1] 只在拆卸套箍、修理、更换绕组后进行,也可用ZC-430A绝缘电阻测试仪测绝缘电阻代替。
[1] 此工作在大修时进行。
[2] 采用图1-2接线方式,注意试验接线的正确性。

[3] 去除转子身上的钢丝绳及其它金属物件,转子大轴可靠接地。
[4] 以20V为阶段分段升压,准确记录每段上的电压、电流、阻抗及功率值。在升、降过程中,只能向一个方向操作,不能反向操作。
[5] 将测试结果与历年试验结果相比,不应有显著变化,相差±10%以上应分析,查找原因。
[6] 也可结合转子绕组匝间短路测试进行分析判断。具体方法是采用开口变压器和相序表通过分析每个绕组同试验电源电流的角度来判断绕组有无匝间短路。标准是测试结果与历年试验结果相比不应有明显变化。
[1] 此工作在大修时进行。
[2] 在油管安装好后测量,使用ZC-430A绝缘电阻测试仪,绝缘电阻值不低于0.5MΩ。
[1] 此项目在大修后冲转时进行。
[2] 采用图1-2接线方式,注意试验接线的正确性。
[3] 提起发电机转子滑环碳刷,转子大轴经接地碳刷可靠接地。
[4] 用万用表测量发电机转子绝缘电阻。
[5] 由运行人员控制汽轮机升速,分别在0,500,1000,1500,2000,2500,3000r/min时用专用仪器测量并记录转子绕组电压、电流、交流阻抗及功率损耗,升压值为100V。在升、降过程中,只能向一个方向操作,不能忽升忽降。
[6] 用万用表测量发电机转子绝缘电阻。
[7] 将测试结果与历年试验结果相比,不应有显著变化,相差±10%以上应分析,查找原因。
[8] 试验结束后,压上转子滑环碳刷。
[1] 此项目在大修后或更换绕组后进行。
[2] 发变组保护全部投入,过电压保护定值设为1.1Ue。
[3] 合上灭磁开关。
[4] 由调节器手动方式缓缓升压,升压至1.05Ue(28.35kV)后再缓缓降压至零,录取发电机空载特性曲线。注意:在升压和降压过程中,只能向一个方向调节。
[5] 发电机定子电压升至额定电压27kV,拉开灭磁开关,测量灭磁时间常数。
[6] 分析试验结果
[1] 此项目在更换绕组后或必要时进行。
[1] 此项目在大修后进行。
[2] 试验接线如图1-3所示:

[3] 用高内阻电压表测量发电机轴电压,若轴承绝缘良好,应有U1≈U2。